DIY Heißluftpistole für Altöl: Schritt für Schritt Herstellungsanleitung
Heißluftgebläse sind Hilfsgeräte, mit denen unter Reparatur- und Baubedingungen eine angenehme Temperatur aufrechterhalten werden kann. Ihre Anwendung ist jedoch umfangreicher: Geräte werden für den häuslichen Bedarf eingesetzt und verwenden im Alltag viele konstruktiv interessante hausgemachte Produkte.
Wir erklären Ihnen, wie Sie mit Ihren eigenen Händen eine Heißluftpistole auf Altöl montieren. In dem von uns vorgeschlagenen Artikel werden die beliebtesten Programme vorgestellt und Empfehlungen zur kompetenten Umsetzung der Entwicklungen gegeben. Tipps für einen sicheren und störungsfreien Betrieb der hergestellten Einheiten werden bereitgestellt.
Der Inhalt des Artikels:
Wie funktionieren Heißluftpistolen?
Heizgeräte für Heißluftgebläse sind technologisch nach einem einzigen Prinzip aufgebaut. Die Konstruktion solcher Anlagen besteht normalerweise aus einem Heizmodul und einem Lüfter, die in einem einzigen Gehäuse installiert sind.

Eine übliche konstruktive Option ist elektrisch. In diesem Fall wird eine elektrische Heizung als Heizung verwendet. Es gibt jedoch auch Heißluftgebläse, bei denen die Erwärmung aufgrund anderer Wärmequellen erfolgt, beispielsweise Brenner, die Motoröl verbrennen.
Auf der Ebene des häuslichen Gebrauchs Heißluftpistolen oft mit gewöhnlichen verbunden Herdöfen. Ein solches Design wie ein Ofen-Topfbauch-Ofen unterscheidet sich jedoch erheblich von einer Heißluftpistole, da es keine erzwungene Verteilung der erwärmten Luft vorsieht.
Das Funktionsprinzip einer umfangreichen Gruppe von Heizgeräten, das unter dem Fachbegriff „Heißluftpistole“ zusammengefasst ist, wird in behandelt vorgestellter Artikeldem Gerät und den Gerätetypen gewidmet.

Zwar schaffen es Heimwerker, die diese Technik entwickeln, ein Belüftungsmodul an den Öfen anzubringen, wodurch die Wirkung einer Heißluftpistole erzielt wird. Betrachten Sie das beliebte Design mit Altölheizung, das oft mit Ihren eigenen Händen durchgeführt wird.
Als preiswerte Kraftstoffart trainieren
Verbrauchtes (technisches) Motoröl wird als wirksamer Brennstoff für Heizungsanlagen im Haushalt angesehen. Diese Art von Energieressource ermöglicht es, Strom zu sparen und gleichzeitig die erforderliche Wärmemenge zu erhalten. Unter Umweltgesichtspunkten entspricht das Verbrennen von Altöl jedoch chemischen Emissionen.

Niemand achtet jedoch auf den Umweltmoment. Die Hauptsache ist, billige Wärme zu bekommen. Darüber hinaus sind Heimwerkerpistolen aus Öl häufig technologisch gefährliche Geräte.
Es gibt viele Beispiele, bei denen mehrere private Garagen gleichzeitig ausgebrannt sind, weil einige der Autobesitzer nicht genug Wärme hatten, und er beschloss, das Problem mit einer provisorischen Kanone zum Abarbeiten zu lösen.
Wenn man sich für die Herstellung eines solchen Heizsystems entscheidet, sollte man sich daher der Sache mit vollem Verständnis nähern. Es ist notwendig, alle konstruktiven Optionen zu berechnen, um persönliches Eigentum und das Eigentum anderer Personen zu schützen.
Anleitung zur Durchführung des Projekts
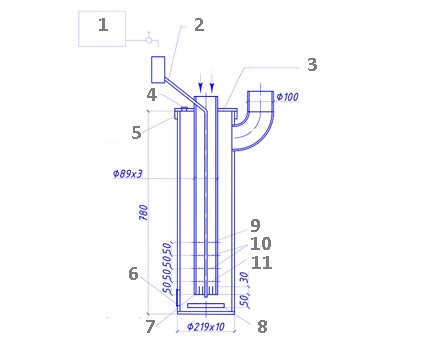
Die Schaltung einer der populären Konstruktionen einer Heißluftpistole, die mit Altöl betrieben wird, beinhaltet die Verwendung eines herkömmlichen Stahlrohrs D = 219 mm als Körper.
Eine Rohrwandgröße von 10 mm reicht für den Langzeitbetrieb des Gerätes aus. Ein Rohrstück mit einer Länge von 780 mm von den Enden wird mit Stahlkappen verschlossen.

Darüber hinaus ist der untere Deckel fest verschweißt und der obere auf 226 mm vergrößert, mit unteren Seiten ausgestattet und abnehmbar. Am Boden des Karosserierohrs ist eine Ölschale installiert, die aus einem Rohr D = 133 mm besteht und mit einem oberen Flansch ergänzt ist.
Die obere Abdeckung des Waffenkörpers ist mit zwei Löchern ausgestattet. Eine für das Sichtfenster, die zweite für den Lufteinlass. Die Luftdüse der Heißluftpistole besteht von Hand aus einem Metallrohr D = 89 mm.
Dieses Bauteil wird gemäß dem Schema mit einer Presspassung durch das zentrale Loch des oberen Gehäusedeckels geführt und daran befestigt (verbrüht).
Das Luftzufuhrrohr ist so befestigt, dass beim Einbau des Deckels der Abstand zwischen seinem Boden und dem Boden des Ölbehälters im Karosserierohr 50 mm nicht überschreitet.

Das Luftrohr wird auch durch ein Ölrohr ergänzt - ein Kupferrohr mit kleinem Durchmesser (6-10 mm), das in seinem zentralen Teil im Luftkanal verläuft. Der freie Teil des Rohrs, der außen verbleibt, ist mit einem Zwischentank verbunden - einem Regler für die Versorgung mit Altöl.
In einem Abstand von 80-100 mm von der oberen Abdeckung wird ein Loch D = 100 mm an der Wand des Mantelrohrs ausgeschnitten und ein Gewindebohrer geschweißt. Dies ist ein Rohr zum Anschluss eines Kamins.Auf der gegenüberliegenden Seite des Gehäuses befindet sich im unteren Teil eine Luke mit einem Durchmesser von 100 bis 120 mm zur Wartung (Zündung). Die Luke befindet sich auf der gleichen Höhe wie die Ölschale.

Um Arbeiten an der Herstellung einer solchen hausgemachten Kanone durchzuführen, die mit einem Training arbeitet, reicht es aus, ein Schweißgerät, einen Standardsatz von Metallwerkzeugen und Rohrmaterial entsprechend der Größe des Kreislaufs zu haben.
Sie benötigen außerdem ein Stahlblech und eine Metallecke für die Stützbeine. Der Hauptprozess besteht aus dem Schweißen von vorbereiteten Teilen. Die Vorbereitung von Strukturelementen erfordert nicht viel Aufwand und Zeit.
Hergestelltes Heizungsbetrieb
Das Funktionsprinzip eines hausgemachten Ofenbauchofens für Altöl ist einfach. Ein Teil des Motoröls wird durch ein Kupferrohr eingepumpt. Füllen Sie die Schüssel im Boden des Rohrs mit Kraftstoff und zünden Sie den Inhalt durch die untere Luke an.
Schließen Sie die Luke und beobachten Sie durch das Sichtfenster. Lassen Sie es bis zur Betriebstemperatur aufflammen, und schalten Sie dann eine konstant dosierte (Tropf-) Versorgung des Bergbaus ein.

Passen Sie durch Anpassen der Tropfendosis den Betrieb des Geräts an, um das Gehäuse nicht zu überhitzen. Wenn sich der Ofen erwärmt, erwärmt sich das in das Dosierrohr eintretende Öl. Die Charakteristik des Kraftstoffzündpunkts ändert sich.
Es ist klar, dass es unter solchen Bedingungen ohne Automatisierung äußerst schwierig ist, eine klare Anpassung zu erreichen. Wenn keine Automatisierung vorhanden ist, kann die Ölheißluftpistole daher nicht unbeaufsichtigt bleiben.
Sorten von Altölkreisläufen
Unter dem Gesichtspunkt der Konstruktionsmerkmale gibt es zwei Arten von Heizgeräten, die mit Altöl betrieben werden:
- Direktes Brennen.
- Isoliertes Brennen.
Ähnliche Merkmale liegen der Unterteilung in Untergruppen zugrunde Diesel-Heißluftpistolen. Konstruktionen mit direkter Verbrennung weisen einen höheren Wirkungsgrad auf, aber wenn sie mit Wärme zusammenarbeiten, geben sie gesundheitsschädliche Verbrennungsprodukte ab.

Direktbrenngerät ist einfach mit den eigenen Händen zu machen. Darüber hinaus besteht die Möglichkeit zur Umsetzung eines mobilen Projekts. Solche Waffen werden in der industriellen Produktion hergestellt. Sie können es selbst auf der Grundlage eines industriellen Systems tun.
Um zu arbeiten, benötigen Sie:
- Kapazität geeignet Form und Größe.
- Leichtes Metallrohr (Edelstahl).
- Axialventilator.
- Die Kraftstoffpumpe ist Miniatur.
- Brenner für technisches Öl.
Der Öltank ist mit Rädern und einem Griff ausgestattet. Im Stahlrohr, in der hinteren Hälfte, sind ein Lüfter mit Kraftstoffpumpe, ein Kraftstoffversorgungs- und Einspritzsystem sowie ein Ölbrenner montiert.
Die vordere Rohrhälfte (Innenteil) der Heizung ist mit zusätzlichen Schutzplatten ausgestattet. Ein Flammenstopp erfolgt direkt am Ausgang. Das ist das ganze Design.

Praktisch nach dem gleichen Prinzip wird die Heißluftpistole der isolierten Verbrennung hergestellt.Der Unterschied zur ersten Konstruktion wird nur zusätzlich zum vorderen Bereich des Kaminrohrs und zur Schaffung einer isolierten Brennkammer festgestellt.
Wenn die Brennkammer innerhalb des Rohrs angeordnet ist, wird der Durchmesser dieses Teils der Struktur um ein Drittel kleiner als der Durchmesser des Körpers gemacht. Aufgrund dieser Konstruktion werden ringförmige Kanäle gebildet. Die durch sie geblasene Luft verlässt die beheizte Düse durch die Düse.
Merkmale des Betriebs von hausgemachten Produkten
Es ist leicht, Wärme von einer Pistole in Altöl zu bekommen. Eine andere Frage ist, wie all diese Wirtschaft genutzt werden kann, um das Verschütten von Altöl und die Gefahr seiner Entzündung auszuschließen. Besondere Aufmerksamkeit sollte daher bei der Herstellung solcher Strukturen auch dem Abbau von Endlagern und dem Ofenzufuhrsystem mit diesem Arbeitsmedium gewidmet werden.

Für die Lagerung von Kraftstoff wird empfohlen, versiegelte Metallbehälter zu verwenden, die mit einem dosierten Zufuhrsystem ausgestattet sind. Das Aufstellen von Schiffen mit Motoröl ist nur an Orten zulässig, die von offenen Feuerquellen entfernt sind, auch in einiger Entfernung von einem selbstgebauten Ofen.
Altöl wird nicht als Kraftstoff empfohlen, wenn es auch nur eine geringe Menge Wasser enthält. Ein Gemisch aus Motoröl und Wasser weist während der Verbrennung „explosive“ Eigenschaften auf.
In der Brennerdüse entzündet sich eine solche Zusammensetzung und wird mit hoher Geschwindigkeit in Form einer Masse brennender Öltröpfchen ausgestoßen. Dieser unkontrollierte Prozess verursacht häufig einen Brand.

Selbstgemachte direkt brennende Heizungen sind Quellen für die Ausbreitung von Karzinogenen. Es ist verboten, solche Installationen in Innenräumen zu verwenden.
Wenn eine Baugruppe mit einer isolierten Brennkammer und die Entfernung von Verbrennungsprodukten außerhalb des Betriebsgeländes verwendet wird, sollten Maßnahmen zur Verringerung der Umweltverschmutzung ergriffen werden. Für einige werden all diese Anforderungen als „Diplom“ angesehen, aber ein echter Designer sollte allgemein anerkannte Regeln nicht ignorieren.
Im Allgemeinen ist eine Heißluftpistole natürlich eine lohnende Sache. Vorausgesetzt, dass die Montage in jeder Hinsicht von hoher Qualität ist, ist die Verwendung solcher Geräte nicht verboten. Die Montage eines effektiven Systems ist jedoch proportional zu den Kosten einer industriellen Konstruktionseinheit.
Sie erfahren, wie Heißluftpistolen konstruiert werden, die mit verschiedenen Kraftstoffarten arbeiten können nächster Artikel, deren Inhalt wir Ihnen dringend empfehlen, zu lesen.
Schlussfolgerungen und nützliches Video zum Thema
Wie man ein Heizgerät für die Garage herstellt und deren Effizienz erhöht, erfahren Sie aus dem folgenden Video:
Wenn es nicht genügend Möglichkeiten oder den Wunsch gibt, eine Heißluftpistole mit eigenen Händen herzustellen, können Sie einfach ein Fachgeschäft kontaktieren, das geeignete Gerät auswählen und ohne unnötige Körperbewegungen kaufen. Die Vorteile liegen auf der Hand: Garantien, sicherer Betrieb, hoher Wirkungsgrad bei geringem Verbrauch an brennbarem Material.
Möchten Sie über Ihre eigene zusammengebaute Heißluftpistole sprechen? Möchten Sie technologische Nuancen teilen, die für Website-Besucher nützlich sind? Bitte schreibe Kommentare, poste thematische Fotos, stelle Fragen im Block unten.

Ja, wenn Sie sich jetzt die Kosten für Heißluftpistolen auch in denselben Online-Shops ansehen, werden Ihre Augen auf Ihre Stirn klettern. Chinesen noch okay - mehr oder weniger tolerante Preise, aber das sind Konsumgüter. Sie müssen Qualität kaufen, und Qualität ist teuer. Es ist natürlich einfacher, es selbst zu tun, zumal unsere Mitarbeiter versiert sind. Die Hauptsache ist, dass mehr Hände von diesem Ort wachsen. Und dann, wenn es keine Fähigkeiten gibt, dann können Sie speziell Nakosyachit mit einer Heißluftpistole, das sind doch keine Spielzeuge.
Zum ersten Mal höre ich von Heißluftpistolen auf Altöl. Aber hier sind die Dickbauchöfen im Bergbau „berühmt“ für ihre erhöhte Brandgefahr. Also würde ich es nicht riskieren.