Sources alternatives de chauffage pour une maison de campagne: un aperçu comparatif des écosystèmes
L'une des principales dépenses du budget familial est le paiement du chauffage public ou l'achat de combustible pour chauffer une maison. Tout propriétaire raisonnable réfléchira probablement à des moyens réels et efficaces de réduire ces coûts. Mais vous pouvez littéralement les réduire au minimum en utilisant des sources d'énergie alternatives. Quels sont-ils et comment sont-ils utilisés? D'accord, ça vaut le coup de le découvrir.
Vous apprendrez tout sur la façon d'organiser un chauffage alternatif pour une maison privée dans notre article. Avec notre aide, vous pouvez facilement déterminer l'option la plus appropriée pour vous. Une description détaillée des principes de fonctionnement des programmes d'énergie verte permettra de décider quelle méthode technologique est préférable d'utiliser pour la production de chaleur.
L'article décrit en détail les types de sources d'énergie gratuites, fournit des méthodes pour générer de la chaleur pour une utilisation dans la vie quotidienne. Pour aider les maîtres de maison indépendants et les propriétaires zélés des propriétés de banlieue, des collections de photos, des diagrammes et des instructions vidéo très utiles sont joints.
Le contenu de l'article:
Avantages et inconvénients des énergies alternatives
Les sources de chaleur traditionnelles, utilisées depuis de nombreuses années pour le chauffage, peuvent être abandonnées. Étonnamment, mais bien réel. De nombreux opposants ardents affirment qu'il est impossible de remplacer les ressources naturelles par des analogues respectueux de l'environnement.
Une alternative est l'énergie du soleil, la force du vent, la chaleur cachée dans les entrailles de la terre, les déchets et les activités humaines. Ces options sont pertinentes dans le monde moderne, étant donné la pollution générale de l'environnement.

Un autre avantage significatif est les économies tangibles lors de l'utilisation de sources environnementales d'énergie renouvelable spontanée. À première vue, il semble qu'il soit excessivement cher et qu'il est peu probable qu'il porte ses fruits.
Après avoir examiné les caractéristiques de chaque méthode plus en détail, vous pouvez voir que l'éco-projet est rentable après 4 à 7 ans, puis il n'y a que des dépenses courantes pour maintenir les mécanismes utilisés en état de fonctionnement.
La possibilité d'un remplacement complet du carburant conventionnel par une alternative a été prouvée par plus d'un exemple réel. Partout dans le monde, les propriétaires ont recours à des options de chauffage écologique. Chez nous, seuls quelques-uns décident de changer radicalement le carburant habituel, qui devient chaque année plus cher.
Le principal problème avec l'utilisation de l'éco-carburant est un investissement important au stade initial. Après tout, vous devez d'abord calculer en détail la quantité d'énergie nécessaire pour une maison ou un chalet particulier. Découvrez ensuite quel type d'éco-ressources est le plus rentable dans un domaine particulier.
Ensuite, il est nécessaire d'établir un plan pour l'emplacement de l'équipement qui génère de l'énergie, d'acheter tout ce dont vous avez besoin et d'installer.
Si les spécialistes concernés traitent tous ces problèmes, le coût final de l'éco-chauffage sera très élevé. Pour économiser de l'argent, vous pouvez essayer de le faire vous-même.
Pour ce faire, vous devez approfondir le sujet des sources d'énergie alternatives afin de refuser d'attirer une aide extérieure. Dans ce cas, le coût du projet sera plusieurs fois moins cher.
C'est la deuxième option que de nombreux propriétaires de maisons privées choisissent. Leur pratique prouve que devenir non volatile est réel. Le combustible traditionnel peut être entièrement ou partiellement remplacé - tout dépend de la taille du ménage, des possibilités financières au stade initial et de l'option de chauffage choisie.
La portée de «l'énergie verte» démontrera une sélection de photos:
Types de sources renouvelables pour le chauffage
Pour chauffer la maison, vous pouvez utiliser avec succès l'énergie du vent, du soleil, de la terre. Ainsi que les biocarburants. Examinons plus en détail comment procéder exactement et ce qui sera nécessaire pour cela.
Vue # 1 - énergie éolienne
Avec beaucoup de succès, l'énergie éolienne peut être utilisée comme source alternative pour chauffer une maison de campagne. Cette ressource ne peut pas être épuisée. Il a la propriété de se renouveler. Pour utiliser l'énergie éolienne, vous aurez besoin d'un appareil spécial appelé moulin à vent.
Le principe d'utilisation de l'énergie éolienne
Pour convertir l'énergie éolienne en une autre source de chauffage, une éolienne est nécessaire. Ils sont verticaux et horizontaux selon l'axe de rotation. Il existe de nombreux fabricants qui proposent leurs modèles aux clients.

Le coût dépend du matériau, de la taille de l'installation elle-même et de la puissance. Vous pouvez également construire vous-même une éolienne à l'aide de matériaux improvisés.
Tout moulin à vent se compose des éléments suivants:
- lames;
- mâts;
- girouettes pour capter la direction du vent;
- générateur;
- contrôleur
- piles rechargeables;
- onduleur.
Le principe de fonctionnement d'une installation éolienne est basé sur la force du vent qui fait tourner les pales d'un moulin à vent. Les pales montées sur le mât sont élevées au-dessus du sol. Plus les performances sont élevées. Ainsi, pour alimenter une maison, une hauteur de 25 m suffit.
Les pales rotatives entraînent le rotor du générateur. Il commence à générer un courant alternatif triphasé, nécessitant des modifications supplémentaires. Ce courant circule vers le contrôleur, où il est converti en courant continu. Il est utilisé pour charger les batteries.
Après avoir traversé les batteries, le courant est égalisé et fourni à l'onduleur, où il est converti en un courant alternatif monophasé avec une fréquence de 50 Hz et une tension de 220 volts. Maintenant, il peut être utilisé pour les besoins domestiques, dans un système de chauffage électrique.
Caractéristiques de l'emplacement des moulins à vent
Les éoliennes peuvent fonctionner dans certaines conditions. Tout d'abord, une éolienne est une structure assez volumineuse, nécessitant une surface impressionnante pour l'appareil. Un petit appareil n'est pas en mesure de satisfaire les besoins énergétiques.
Sa hauteur doit dépasser au moins 10 m autour des maisons, arbres et autres bâtiments, et les lignes électriques et autres objets doivent être situés à 100 m du moulin à vent. Cette exigence n'est pas toujours réalisable - tous les propriétaires de maisons privées n'ont pas de parcelles personnelles d'une superficie suffisante.

Deuxièmement, il est bon lorsque la zone en question a un bon potentiel de vent - une élévation ou une zone de steppe. Pour démarrer le générateur, une vitesse de vent de 2 m / s est requise.
De nombreux modèles de systèmes éoliens conçus pour être utilisés par les ménages privés peuvent couvrir entièrement les besoins en électricité.
Ainsi, un moulin à vent de 1,5 kW peut générer de 100 à 200 kWh par mois, selon la période de l'année. Si vous augmentez la hauteur du mât, la productivité sera plus de 2 fois.
Mais cela nécessitera des coûts d'installation et des consommables supplémentaires. La durée de vie des parcs éoliens est en moyenne de 20 ans.
Sur notre site, il existe également d'autres matériaux sur l'appareil, des types d'éoliennes, le calcul et la fabrication de vos propres mains et l'installation.
Nous vous suggérons de vous familiariser avec eux:
- Éolienne cinétique: appareil, principe de fonctionnement, application
- Éolienne pour une maison privée: types et caractéristiques des unités, subtilités de choix, calculs de récupération + meilleures offres
- Comment calculer une éolienne: formules + exemple pratique de calcul
- Éolienne à faire soi-même à partir d'une machine à laver: instructions de montage pour un moulin à vent
- Comment construire des pales de bricolage pour une éolienne: exemples de pales auto-fabriquées pour une éolienne
Vue # 2 - L'énergie de la Terre
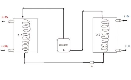
L'un des systèmes de chauffage alternatifs est la géothermie. Il est basé sur l'utilisation de l'énergie de la Terre. Il s'agit de la chaleur de la terre, des eaux souterraines, de l'air ambiant, convertie par des pompes à chaleur (VT). Il est important que la température du fluide utilisé par l'installation soit supérieure à zéro.
Le dispositif et le principe de fonctionnement de la pompe à chaleur
Pour que le système géothermique fonctionne, l'électricité est nécessaire pour transférer la chaleur reçue. La pompe à chaleur, utilisant 1 kW, génère de 2 à 6 kW de chaleur.
Le principe principal du fonctionnement du VT est de collecter la chaleur, de la convertir, puis de la transférer vers le circuit de chauffage. Ceci est réalisé grâce à l'appareil lui-même.

VT se compose de 3 circuits fermés impliqués dans le processus d'obtention de chaleur pour le chauffage d'une maison privée:
- externe - conçu pour collecter la chaleur des sources. Une solution antigel ou saline circule le long du contour;
- interne - rempli de réfrigérant, souvent du fréon;
- circuit de chauffage rempli de liquide de refroidissement.
Le fréon qui remplit le circuit intérieur est chauffé par la chaleur provenant du circuit extérieur. Ayant un point d'ébullition bas, il se transforme en gaz dans le premier échangeur de chaleur - l'évaporateur.
Ensuite, il pénètre dans le compresseur, où il est comprimé, à la suite duquel beaucoup de chaleur est libérée, et la température du gaz lui-même augmente plusieurs fois - jusqu'à 65 degrés.
De plus, le fréon gazeux entre dans le prochain échangeur de chaleur, appelé condenseur, où il laisse sa chaleur. Le fréon, après s'être séparé de la majeure partie de la chaleur, est mis sous pression sur la soupape de décharge. Ici, la pression chute fortement, le réfrigérant se refroidit et, ayant pris un état liquide, pénètre à nouveau dans l'évaporateur.
La chaleur laissée par le fréon dans le condenseur chauffe le liquide circulant dans le système de chauffage de la maison. Si le système prévoit l'installation d'un chauffage au sol, il est possible d'obtenir le chauffage le plus efficace au moindre coût.
Faire la version la plus simple d'une pompe à chaleur est facile de vos propres mains. Cela nécessitera pratiquement des déchets, du matériel acheté à bon marché et, bien sûr, de la patience. Nous donnons un schéma d'un système thermique avec une clôture d'énergie thermique dans un puits enterré dans de la dolomite.

L'évaporateur du système considéré dans l'exemple est relié à un puits qui tire l'énergie du sol.
Les spécificités du dispositif de pompe à chaleur pour le système de chauffage par le sol sont représentées par la galerie de photos:
La faisabilité d'utiliser VT
Pompes à chaleur - VT, qui tire la chaleur de l'environnement, est différent. Tout dépend du type d'environnement utilisé comme source de chaleur et du type de liquide de refroidissement utilisé.
En conséquence, ces types de TV sont distingués:
- air-air;
- eau-air;
- eau-eau;
- eau souterraine.
Les deux premiers types de pompes sont utilisés dans les systèmes de chauffage à air, et les deux autres types - dans les systèmes avec un liquide de refroidissement.

Le plus avantageux d'un point de vue économique sera l'utilisation de la chaleur pompe eau-eau. Il est conseillé d'utiliser cette option s'il y a un étang antigel à côté de la maison, dans lequel des tuyaux sont placés pour collecter la chaleur.
La pompe à chaleur vous permet d'obtenir 30 watts de chaleur à 1 m du pipeline. Selon la taille de la propriété privée et les besoins énergétiques, il sera nécessaire de poser le nombre approprié de tuyaux.
Les pompes à air ne remplaceront pas le chauffage traditionnel dans les régions difficiles. Quant à la chaleur extraite du sol, c'est un projet très coûteux. Utilisez un appareil géothermique horizontal, un forage vertical et en grappe.
Dans la version horizontale, le champ géothermique devra être construit à une profondeur supérieure au niveau de congélation. C'est environ 1,5-2 m. La superficie d'un tel champ est impressionnante - de 200 m2.

Pour la mise en œuvre d'un projet vertical et en grappes, un forage à une profondeur considérable à l'aide d'appareils de forage sera nécessaire.
C'est un service très cher. L'équipement de ce type de pompes à chaleur est conseillé aux propriétaires de chalets qui ne pensent pas au coût des travaux. Le chauffage, utilisant la chaleur des entrailles de la terre, peut remplacer complètement le combustible solide ou le gaz.
Le chauffage géothermique est le plus avantageux à utiliser en tandem avec un dispositif de chauffage au sol. Il vous permet d'obtenir le résultat le plus optimal.
Parmi les lacunes importantes figurent la grande longueur du pipeline de collecte de chaleur, les travaux d'excavation coûteux pour installer le système, la nécessité d'une grande surface pour organiser le champ géothermique.
Vue # 3 - Énergie solaire
L'énergie solaire émise par le luminaire toute l'année, même en cas de fortes gelées, est en mesure de devenir un type alternatif pour le chauffage des logements de banlieue. Il est important d'apprendre à l'assembler et à l'utiliser correctement dans le système de chauffage.
Pour la collecte et la conversion de l'énergie solaire, des panneaux solaires sur convertisseurs et collecteurs photovoltaïques sont utilisés, qui sont un système de tubes remplis de liquide de refroidissement.

La différence fondamentale entre ces convertisseurs est que les batteries produisent un courant qui peut être utilisé pour le chauffage électrique d'une maison de campagne. Les capteurs sont utilisés dans les systèmes de chauffage à eau et à air. L'option la plus efficace est l'équipement dans les locaux du système de chauffage par le sol.
L'opinion selon laquelle le soleil n'est pas en mesure de faire face au chauffage de la maison n'est valable qu'en cas d'installation incorrecte et de calculs erronés de la quantité d'énergie et de chaleur nécessaires. Une installation solaire sélectionnée de manière optimale est tout à fait capable de fournir un chauffage autonome.
Une autre question est que pour cela, il sera nécessaire d'investir de l'argent dans l'achat d'équipement, son installation et son intégration dans le système de chauffage existant.
Un système solaire sur convertisseurs photovoltaïques absorbe l'énergie solaire et les cellules solaires au silicium la transforment immédiatement en courant électrique continu. 1 m2 installations capables de générer 120 watts.
En plus des panneaux qui captent le rayonnement solaire et le convertissent, pour le système de chauffage solaire, vous devrez installer un contrôleur de charge, un convertisseur DC / AC et prendre soin de la sécurité - mettez des fusibles.

L'avantage des panneaux est la possibilité de connecter des batteries qui accumulent un excès d'énergie pouvant être utilisé la nuit. Un inconvénient important lors de l'utilisation de batteries solaires est leur plus grande efficacité dans les régions du sud. Dans les climats difficiles, il n'est pas économiquement possible de les installer pour les utiliser comme principal type de chauffage.
Les installations solaires équipées d'un système de tubes conviennent mieux aux régions avec des hivers froids et des températures glaciales. En fonction de la structure du panneau et des matériaux, les collecteurs à vide, plats et concentrateurs se distinguent.
Les plus chers d'entre eux sont des tubes à vide. Mais ils sont les plus efficaces à tout moment de l'année et par tous les temps, car ils peuvent absorber une large gamme de rayonnement solaire. Un autre avantage est que les panneaux sous vide fonctionnent avec succès à des températures inférieures à -35 ° C.

Le principe du collecteur est qu'il capte le rayonnement solaire, qui est converti en chaleur dans des tubes à vide. Il est ensuite transféré au liquide de refroidissement, qui le délivre dans le réservoir d'échange de chaleur. Ensuite, le liquide de refroidissement entre dans le système de chauffage.
Plus en détail, les meilleures conceptions pour le chauffage solaire domestique que nous avons examinées dans notre autre article.
Vue # 4 - carburant biocarburant
L'un des moyens efficaces et abordables de chauffer une maison de campagne est une chaudière au biocarburant.
Ce type de chauffage alternatif utilise pour ses déchets de production de travail - balle de récolte, copeaux de bois, sciure et autres sous-produits de l'industrie du bois.

À partir de divers déchets, des granules compacts et denses de petite taille sont fabriqués - des granulés qui sont brûlés dans des chaudières. Comparé au bois ordinaire, ce combustible brûle plus longtemps et vous permet d'obtenir plus de chaleur.
De grandes briquettes denses de divers types de déchets végétaux sont également fabriquées. Un tel carburant comprimé vous permet d'obtenir 2 à 4 fois plus d'énergie thermique. Son pouvoir calorifique va jusqu'à 5,0 kW × h / kg.

Pour une chaudière à gaz, le biogaz peut être utilisé. Il est facile à obtenir dans le processus de décomposition des déchets organiques. Pour ce faire, vous devez construire un réservoir suffisamment grand, y placer les déchets, prévoir une installation pour les mélanger.
Sous l'influence de l'air et des bactéries, le processus de décomposition et de dégagement de gaz se produira. Il est nécessaire de créer une canalisation pour déverser les déchets. De plus, pour collecter le gaz dans des réservoirs spéciaux, le nettoyer et le déplacer dans le système de chauffage, vous devez utiliser les appareils appropriés.
Une méthode de chauffage écologique utilisant une autre source de chaleur est une chaudière à hydrogène.
La base de son travail est la réaction de l'interaction des molécules d'hydrogène avec l'oxygène, au cours de laquelle une énorme quantité de chaleur est libérée. Ce type de chauffage nécessite le respect des règles de fonctionnement et de sécurité.

Le principal inconvénient est le coût élevé des équipements d'usine. Le moyen de sortir de cette situation est l'équipement du système de chauffage à l'hydrogène seul.
Pour son fonctionnement, une connexion constante aux sources d'électricité et d'eau, un brûleur à hydrogène, un générateur d'hydrogène, des catalyseurs et la chaudière elle-même seront nécessaires. La chaleur résultant de la réaction chimique entre dans l'échangeur de chaleur et de l'eau simple comme déchet.
Pour en savoir plus sur les biocarburants, nous vous recommandons de lire nos autres articles sur ce sujet:
- Installation de biogaz à faire soi-même pour une maison privée: recommandations pour l'appareil et un exemple d'amélioration de l'habitat
- Comment obtenir le biogaz du fumier: technologie et installation d'appareils pour la production
- Chaudière à hydrogène: appareil + principe de fonctionnement + critères de sélection
- Comment fabriquer un générateur d'hydrogène pour votre maison de vos propres mains: conseils pratiques pour la fabrication et l'installation
Comment économiser sur l'introduction de "l'énergie verte"?
Après avoir analysé la composante financière des types de chauffage alternatifs, nous pouvons arriver à une conclusion décevante - des fonds importants seront nécessaires au stade initial.
Après 3 à 7 ans, selon la méthode de chauffage choisie, des économies importantes deviendront perceptibles grâce au système non volatil.

Vous pouvez économiser sur l'utilisation et l'installation de centrales alternatives pour la production de chaleur. De nombreux artisans à la maison sont très enthousiastes à l'idée de créer des analogues de bricolage pour des dispositifs de conversion d'énergie alternatifs.
Ainsi, il est assez simple et peu coûteux de monter une installation solaire à partir d'un tuyau, qui servira de source supplémentaire de chauffage de l'eau.
Les petits moulins à vent de moyens improvisés sont assemblés avec succès à la maison. Des agriculteurs bien lus vivant dans les zones rurales construisent des usines pour convertir les déchets biologiques d'origine végétale et animale en biogaz.

À l'avenir, il sera utilisé pour les besoins de l'économie. Selon la taille du réservoir de fermentation des déchets et la superficie d'une maison privée, il est possible de fournir entièrement des installations de biogaz pour tous les besoins.
Conclusions et vidéo utile sur le sujet
Vidéo sur la combinaison de sources alternatives pour produire de l'électricité dans une petite maison de campagne:
Une vidéo sur la fabrication d'une éolienne de vos propres mains vous aidera à comprendre facilement les principes de l'appareil:
Une courte vidéo sur l'utilisation d'une pompe à chaleur:
Clip vidéo sur la production de biogaz:
Abandonner les sources de chauffage traditionnelles est bien réel. Pour ce faire, vous devez choisir soigneusement une alternative ou en combiner plusieurs, en fonction des caractéristiques de la région, de la superficie de votre maison de campagne et du territoire de la maison.
L'énergie du soleil, de la terre, de l'énergie éolienne, l'utilisation des déchets ménagers d'origine végétale et animale sont tout à fait capables de devenir un substitut digne du gaz, du charbon, du bois de chauffage et de l'électricité payante.
Utilisez-vous l'une des sources d'énergie alternatives pour un usage domestique? Partagez le coût de l'installation et sa rapidité.
Ou peut-être que quelqu'un de vos amis a arrangé leur maison de campagne sur des sources renouvelables? Vous utilisez un système solaire ou une pompe à chaleur comme source indépendante de chaleur, d'eau chaude sanitaire et d'électricité?
Parlez-nous de cette expérience dans les commentaires sous l'article - un bon exemple sera utile pour les propriétaires qui doutent encore de la réalité des énergies alternatives.

Parmi les sources d'énergie alternatives présentées, les moulins à vent que je rejette immédiatement. Seuls les oligarques qui ont suffisamment de terres peuvent les construire sur leur propre site. J'ai entendu dire qu'en Extrême-Orient, vous pouvez obtenir un terrain gratuitement. Gros, je ne me souviens pas exactement du nombre d'AG. Ici, sur un tel site, vous pouvez mettre un système d'éoliennes, et non dans notre sud, où chaque centaine de mètres carrés de terrain vaut son pesant d'or. Il arrive que la maison et tous les bâtiments du ménage sur trois cents pièces. Où placer des moulins à vent dans ces zones?
Les moulins à vent m'impressionnent personnellement beaucoup comme moyen de générer de l'énergie. Le calme complet se produit très rarement, il y a toujours un léger vent, à tout moment de l'année, de jour comme de nuit. Par conséquent, je pense que les moulins à vent sont meilleurs et plus pratiques que les panneaux solaires. Mais mettre un commerçant privé aussi ordinaire n'est pas possible - trop de terres sont nécessaires et dépendent de la géolocalisation. Maintenant, si plusieurs propriétaires de parcelles voisines sont expulsés ... mais il faut quand même convaincre les voisins.
Je suis d'accord, presque tout peut être balayé immédiatement. Il est intéressant de considérer les panneaux solaires, mais je les utiliserais pour l'électricité.
Si ma maison, alors je construirais certainement avec un simple poêle russe, comme source alternative de chauffage. Tout le reste peut se terminer et vous pouvez toujours trouver du bois de chauffage.
Toutes ces bêtises. Les moulins à vent dépendent non seulement du vent, mais créent également un bruit à basse fréquence lors du travail à partir des pales. Les problèmes avec vos voisins sont garantis. Les batteries solaires ne fonctionnent que le jour, lorsque la lumière n'est pas nécessaire comme la nuit, les batteries avec un système de batterie ne sont pas rentables. La pompe à chaleur consomme de l'électricité et est inefficace. L'option la plus normale est les capteurs solaires, mais il y a suffisamment de problèmes là-bas.