Comment convertir des ampères en kilowatts: principes de traduction et exemples pratiques avec explications
Ampères et kilowatts - caractéristiques de l'énergie consommée par les appareils connectés au réseau. Le premier est également appelé la charge, et le second - la puissance. Le besoin de traduction se pose au stade de la sélection des dispositifs de protection, dont l'étiquetage n'indique le plus souvent que la résistance actuelle.
Vous apprendrez tout sur la conversion d'ampères en kilowatts dans notre article. Nous examinerons la théorie, traiterons des principes de base de la traduction, puis expliquerons la signification de ces actions avec des exemples pratiques. En suivant nos conseils, vous pourrez effectuer de tels calculs de manière indépendante.
Le contenu de l'article:
Raisons de traduire
La puissance et l'ampérage sont des caractéristiques clés nécessaires à la sélection compétente des dispositifs de protection pour les équipements alimentés par l'électricité. Une protection est nécessaire pour empêcher la fusion de l'isolation du câblage et la panne des unités.
Le câblage électrique qui fournit l'éclairage, une cuisinière électrique et une machine à café doit être protégé par des appareils sélectionnés individuellement. Après tout, chaque consommateur crée «sa» charge - en d'autres termes, consomme un certain courant.
Soit dit en passant, les câbles, les fils qui alimentent les appareils ménagers répertoriés ont une certaine capacité de transport de courant. Ce dernier est dicté par la section transversale des veines.
Chaque dispositif de protection doit être déclenché lors d'une surtension dangereuse pour le type d'équipement protégé ou un groupe de dispositifs techniques. Alors ramassez RCD et les machines doivent être telles que lors d'une menace contre un appareil de faible puissance, le réseau ne soit pas complètement déconnecté, mais seulement une branche pour laquelle ce saut est critique.
Sur les immeubles proposés par le réseau de distribution disjoncteurs un nombre est indiqué indiquant la valeur du courant maximal admissible. Naturellement, il est indiqué en ampères.
Mais sur les appareils électriques nécessaires à la protection de ces machines, la puissance consommée par celles-ci est indiquée. C'est là que le besoin de traduction se fait sentir.Malgré le fait que les unités que nous démontons appartiennent à différentes caractéristiques actuelles, la connexion entre elles est directe et assez étroite.

La tension est appelée la différence de potentiel, en d'autres termes, le travail investi pour déplacer la charge d'un point à un autre. Il est exprimé en Volts. Potentiel - c'est l'énergie à chacun des points où la charge est / était située.
Par intensité de courant, on entend le nombre d'ampères traversant le conducteur dans une unité de temps spécifique. L'essence du pouvoir est de refléter la vitesse à laquelle la charge s'est déplacée.
La puissance est indiquée en watts et kilowatts. Il est clair que la deuxième option est utilisée lorsqu'un chiffre trop impressionnant à quatre ou cinq chiffres doit être réduit pour en faciliter la perception. Pour cela, sa valeur est simplement divisée par mille, et le reste est arrondi comme d'habitude dans une direction plus large.
Pour alimenter un équipement puissant, vous avez besoin d'un débit d'énergie plus élevé. La tension maximale admissible pour celle-ci est supérieure à celle des équipements de faible puissance. Pour les machines sélectionnées pour cela, la limite de fonctionnement doit être plus élevée. Par conséquent, une sélection précise de la charge avec une traduction des unités bien exécutée est simplement nécessaire.
Règles de traduction
En étudiant souvent les instructions fournies avec certains appareils, vous pouvez voir la désignation de puissance en voltampères. Les experts connaissent la différence entre les watts (W) et les voltampères (VA), mais pratiquement ces valeurs signifient la même chose, donc rien n'a besoin d'être converti ici. Mais kW / h et kilowatts sont des concepts différents et ne doivent en aucun cas être confondus.
Pour montrer comment exprimer la puissance électrique par le courant, vous devez utiliser les outils suivants:
- testeur;
- pince multimètre;
- livre de référence électrique;
- une calculatrice.
Lors du recalcul des ampères en kW, l'algorithme suivant est utilisé:
- Ils prennent un testeur de tension et mesurent la tension dans le circuit électrique.
- À l'aide des touches de mesure actuelles, mesurez l'intensité actuelle.
- Recalculez en utilisant la formule pour une tension constante dans le réseau ou en alternance.
En conséquence, la puissance est reçue en watts. Pour les convertir en kilowatts, divisez le résultat par 1000.
Nous avons également du matériel sur le site Web sur les règles de transfert des ampères à Watts. Pour le lire, rendez-vous sur lien suivant.
Circuit monophasé
Sur un circuit monophasé (220 V), la plupart des appareils électroménagers sont conçus. Ici, la charge est mesurée en kilowatts et le marquage AB contient des ampères.

La clé de la traduction dans ce cas est la loi d'Ohm, qui stipule que P, c'est-à-dire puissance égale Je heures (actuelles) U (tension). Nous avons parlé plus en détail du calcul de la puissance, du courant et de la tension, ainsi que de la relation de ces valeurs dans cet article.
Cela implique:
kW = (1A x 1 V) / 1 0ᶾ
Mais à quoi cela ressemble-t-il dans la pratique? Pour comprendre, considérez un exemple spécifique.
Supposons qu'un fusible automatique sur un compteur de type ancien soit conçu pour 16 A. Afin de déterminer la puissance des appareils qui peuvent être connectés en toute sécurité au réseau en même temps, vous devez convertir les ampères en kilowatts en utilisant la formule ci-dessus.
Nous obtenons:
220 x 16 x 1 = 3520 W = 3,5 kW
Pour le courant continu et alternatif, une formule de traduction est appliquée, mais elle n'est valable que pour les consommateurs actifs, tels que les radiateurs à incandescence. Sous une charge capacitive, un déphasage entre courant et tension se produit nécessairement.
Il s'agit du facteur de puissance ou cos φ. Alors que s'il n'y a qu'une charge active, ce paramètre est pris comme unité, alors avec une charge réactive il doit être pris en compte.
Si la charge est mixte, la valeur du paramètre est comprise entre 0,85. Moins la composante réactive de la puissance est importante, plus la perte est faible et plus le facteur de puissance est élevé. Pour cette raison, ils cherchent à augmenter ce dernier paramètre. Habituellement, les fabricants indiquent la valeur du facteur de puissance sur l'étiquette.
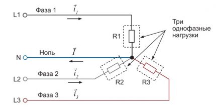
Circuit électrique triphasé
Dans le cas d'un courant alternatif dans un réseau triphasé, le courant électrique d'une phase est pris, puis multiplié par la tension de la même phase. Ce qu'ils ont reçu est multiplié par le cosinus phi.

Après avoir compté la tension dans toutes les phases, les données obtenues sont additionnées. Le montant obtenu à la suite de ces actions est la puissance de l'installation électrique connectée à un réseau triphasé.
Les formules de base sont les suivantes:
Watt = √3 Ampère x Volt ou P = √3 x U x I
Ampère = √3 x Volt ou I = P / √3 x U
Il faut comprendre la différence entre la tension de phase et la tension linéaire, ainsi qu'entre les courants de phase et linéaire. Dans tous les cas, la conversion des ampères en kilowatts s'effectue selon la même formule. Une exception est la connexion delta lors du calcul des charges connectées individuellement.
Sur les boîtiers ou les emballages des derniers modèles d'appareils électriques, la force et la puissance actuelles sont indiquées. Possédant ces données, nous pouvons considérer la question de la rapidité de conversion des ampères en kilowatts résolus.
Les experts appliquent une règle confidentielle pour les circuits à courant alternatif: l'intensité du courant est divisée en deux, si vous devez calculer approximativement la puissance dans le processus de sélection de l'équipement de ballast. Ils le font également lors du calcul du diamètre des conducteurs pour de tels circuits.
Exemples de conversion d'ampères en kilowatts
La conversion des ampères en kilowatts est une opération mathématique assez simple.

Il existe également de nombreux programmes en ligne où il vous suffit de saisir les paramètres connus et de cliquer sur le bouton correspondant.
Exemple n ° 1 - conversion de A en kW dans un réseau monophasé 220V
Nous sommes confrontés à la tâche: déterminer la puissance maximale acceptable pour un disjoncteur unipolaire avec un courant nominal de 25 A.
Nous appliquons la formule:
P = U x I
En substituant les valeurs connues, on obtient: P = 220 V x 25 A = 5500 W = 5,5 kW.
Cela signifie que les consommateurs peuvent être connectés à cette machine, dont la puissance totale ne dépasse pas 5,5 kW.
Selon le même schéma, il est possible de résoudre le problème de sélection de la section de fil pour une bouilloire électrique consommant 2 kW.
Dans ce cas I = P: U = 2000: 220 = 9 A.
Il s'agit d'une très petite valeur. Vous devez aborder sérieusement le choix de la section et du matériau du fil. Si vous privilégiez l'aluminium, il ne supportera que des charges légères, le cuivre de même diamètre sera deux fois plus puissant.
Pour plus d'informations sur le choix de la bonne section de fil pour le dispositif de câblage domestique, ainsi que les règles de calcul de la section de câble pour la puissance et le diamètre, nous avons examiné dans les articles suivants:
- Section de fil pour le câblage domestique: comment calculer correctement
- Calcul de la section du câble par la puissance et le courant: comment calculer correctement le câblage
- Comment déterminer la section d'un fil par diamètre et vice versa: tableaux et formules de calcul prêts à l'emploi
Exemple n ° 2 - traduction inverse dans un réseau monophasé
Compliquons la tâche - nous allons démontrer le processus de conversion des kilowatts en ampères. Nous avons un certain nombre de consommateurs.
Parmi eux:
- quatre lampes à incandescence de 100 watts chacune;
- un chauffage de 3 kW;
- un PC d'une puissance de 0,5 kW.
La détermination de la puissance totale est précédée du rapprochement des valeurs de tous les consommateurs à un indicateur, plus précisément - les kilowatts doivent être convertis en watts.

La puissance du chauffage est de 3 kW x 1000 = 3000 watts. Puissance de l'ordinateur - 0,5 kW x 1000 = 500 watts. Lampes - 100 W x 4 pièces. = 400 watts.
Puis le pouvoir généralisé: 400 W + 3000 W + 500 W = 3 900 W ou 3,9 kW.
Cette puissance correspond à l'intensité actuelle I = P: U = 3900W: 220V = 17,7 A.
Il en résulte qu'une machine automatique conçue pour un courant nominal d'au moins 17,7 A doit être achetée.
La charge la plus appropriée de 2,9 kW est une machine monophasée standard de 20 A.
Exemple n ° 3 - conversion d'ampères en kW dans un réseau triphasé
L'algorithme de conversion des ampères en kilowatts et en sens inverse dans un réseau triphasé ne diffère du réseau monophasé que par la formule. Supposons que nous devions calculer quelle est la plus grande puissance que AB puisse supporter, dont le courant nominal est de 40 A.
Les données connues sont substituées dans la formule et obtenues:
P = √3 x 380 V x 40 A = 26 296 W = 26,3 kW
La batterie triphasée à 40 A est garantie pour résister à une charge de 26,3 kW.
Exemple n ° 4 - traduction inverse dans un réseau triphasé
Si la puissance du consommateur connecté au réseau triphasé est connue, le courant de la machine peut être facilement calculé. Supposons qu'il existe un consommateur triphasé d'une capacité de 13,2 kW.
En watts, ce sera: 13,2 ct x 1000 = 13 200 W
Ensuite, la force actuelle: I = 13 200 W: (√3 x 380) = 20,0 A
Il s'avère que ce consommateur a besoin d'une machine de 20 A.
Pour les appareils monophasés, la règle suivante existe: un kilowatt correspond à 4,54 A. Un ampère est de 0,22 kW ou 220 V. Cette affirmation est un résultat direct issu des formules pour une tension de 220 V.
Conclusions et vidéo utile sur le sujet
À propos de la connexion des watts, des ampères et des volts:
La relation entre les ampères et les kilovolts décrit la loi d'Ohm. Ici, la proportionnalité inverse du courant électrique par rapport à la résistance est observée. Quant à la tension, il y a une dépendance directe de l'intensité du courant sur ce paramètre.
Avez-vous des questions concernant le principe du transfert des ampères en kilowatts ou souhaitez-vous clarifier les nuances du calcul pratique? Posez vos questions à nos experts dans la section commentaires sous l'article.
Si vous avez des informations utiles qui complètent le matériel ci-dessus, ou des clarifications, des corrections, écrivez vos commentaires et ajouts ci-dessous.

kW = (1A x 1 V) x 1 0ᶾ - doit être divisé par 1000, non multiplié.