Ballasts électroniques pour lampes fluorescentes: qu'est-ce que c'est, comment ça marche, schémas de câblage pour lampes avec ballasts électroniques
Vous souhaitez savoir pourquoi vous avez besoin d'un module de ballast électronique électronique pour lampes fluorescentes et comment le connecter? L'installation correcte de luminaires à économie d'énergie prolongera leur durée de vie plusieurs fois, non? Mais vous ne savez pas comment connecter les ballasts électroniques et si vous devez le faire?
Nous vous expliquerons le but du module électronique et sa connexion - l'article décrit les caractéristiques de conception de cet appareil, en raison desquelles la tension dite de démarrage est formée, et le mode de fonctionnement optimal des lampes est également pris en charge.
Des diagrammes schématiques de connexion des ampoules fluorescentes à l'aide d'un ballast électronique, ainsi que des recommandations vidéo pour l'utilisation de tels appareils sont fournis. Qui font partie intégrante du schéma des lampes à décharge, malgré le fait que la conception de telles sources lumineuses puisse varier considérablement.
Le contenu de l'article:
Conceptions de modules de contrôle
Structures industrielles et domestiques ampoules fluorescentessont généralement équipés de ballasts électroniques. L'abréviation est lue de façon assez intelligible - un ballast électronique.
Appareil électromagnétique de type ancien
Compte tenu de la conception de cet appareil à partir d'une série de classiques électromagnétiques, nous pouvons immédiatement noter un inconvénient clair - l'encombrement du module.
Certes, les concepteurs ont toujours cherché à minimiser les dimensions globales de l'EMPR. Dans une certaine mesure, cela était possible, à en juger par les modifications modernes déjà sous la forme de ballasts électroniques.

L'encombrement de la structure électromagnétique est dû à l'introduction d'un inducteur de grande taille dans le circuit - un élément indispensable conçu pour lisser la tension du secteur et agir comme un ballast.
En plus de l'accélérateur, le circuit EMPRA comprend entrées (un ou deux). La dépendance évidente de la qualité de leur travail et de la durabilité de la lampe, car un défaut de démarrage provoque un faux démarrage, ce qui signifie une surintensité sur le filament.

Parallèlement au manque de fiabilité du démarrage du démarreur, les lampes fluorescentes souffrent de l'effet de déclenchement. Il se manifeste sous forme de scintillement avec une certaine fréquence proche de 50 Hz.
Enfin, les ballasts génèrent des pertes d'énergie importantes, c'est-à-dire en général réduisent l'efficacité des lampes fluorescentes.
Amélioration de la conception des ballasts électroniques
Depuis les années 1990, les circuits des lampes fluorescentes ont de plus en plus commencé à compléter la conception avancée du module de ballast.
La base du module amélioré était constituée d'éléments électroniques à semi-conducteurs. En conséquence, les dimensions de l'appareil ont diminué et la qualité du travail est notée à un niveau supérieur.

L'introduction des ballasts électroniques à semi-conducteurs a conduit à l'élimination presque complète des défauts qui étaient présents dans les circuits des appareils obsolètes.
Les modules électroniques présentent un fonctionnement stable de haute qualité et augmentent la durabilité des lampes fluorescentes.
Efficacité plus élevée, contrôle de la luminosité en douceur, facteur de puissance accru - tous ces éléments sont les principaux indicateurs des nouveaux ballasts électroniques.
En quoi consiste l'appareil?
Les principaux composants du circuit du module électronique sont:
- dispositif redresseur;
- filtre à rayonnement électromagnétique;
- correcteur de facteur de puissance;
- filtre de lissage de tension;
- circuit inverseur;
- élément d'accélérateur.
La construction du circuit offre l'une des deux variantes - pont ou demi-pont. Les structures qui utilisent un circuit en pont soutiennent généralement le travail avec des lampes haute puissance.

Pendant ce temps, principalement dans la composition des lampes fluorescentes, les modules sont construits sur la base d'un circuit en demi-pont.
De tels appareils sont plus courants sur le marché que les appareils en pont, car pour les applications traditionnelles, des luminaires d'une puissance allant jusqu'à 50 watts suffisent.
Caractéristiques de l'appareil
Conditionnellement, le fonctionnement de l'électronique peut être divisé en trois étapes de travail. Tout d'abord, la fonction de préchauffage du filament est activée, ce qui est un point important en termes de durabilité des appareils d'éclairage à gaz.
Particulièrement nécessaire, cette fonction est visible dans les environnements à basse température.

Ensuite, le circuit du module commence à générer une impulsion d'impédance haute tension - un niveau de tension d'environ 1,5 kV.
La présence d'une tension de cette ampleur entre les électrodes s'accompagne inévitablement d'une rupture du milieu gazeux du ballon de la lampe fluorescente - allumage de la lampe.
Enfin, le troisième étage du circuit du module est connecté, dont la fonction principale est de créer une tension de combustion de gaz stabilisée à l'intérieur du cylindre.
Le niveau de tension dans ce cas est relativement faible, ce qui garantit une faible consommation d'énergie.
Schéma de principe du ballast
Comme déjà indiqué, une conception fréquemment utilisée est un module de ballast électronique assemblé dans un circuit demi-pont push-pull.

Un tel schéma fonctionne dans l'ordre suivant:
- Une tension secteur de 220 V est fournie au pont de diodes et au filtre.
- Une tension constante de 300-310 V est formée à la sortie du filtre.
- Le module onduleur augmente la fréquence de tension.
- De l'onduleur, la tension passe à un transformateur symétrique.
- Sur le transformateur en raison des touches de commande, le potentiel de travail nécessaire pour la lampe fluorescente est formé.
Les touches de commande installées dans le circuit de deux sections des enroulements primaire et secondaire régulent la puissance requise.
Par conséquent, sur l'enroulement secondaire, son potentiel est formé pour chaque étape du fonctionnement de la lampe. Par exemple, lors du chauffage du filament l'un, dans le mode de fonctionnement actuel, l'autre.
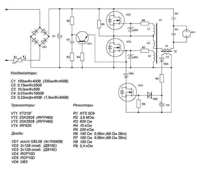
Considérez un diagramme schématique d'un ballast électronique demi-pont pour des lampes jusqu'à 30 watts. Ici, la tension du réseau est redressée par un assemblage de quatre diodes.
La tension redressée du pont de diodes frappe le condensateur, où elle est lissée en amplitude, filtrée des harmoniques.

Ensuite, à travers la partie inverseuse du circuit, montée sur deux transistors clés (demi-pont), la tension reçue du réseau avec une fréquence de 50 Hz est convertie en un potentiel avec une fréquence plus élevée - à partir de 20 kHz.
Il est déjà alimenté aux bornes de la lampe fluorescente pour assurer le mode de fonctionnement.
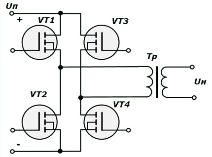
Le même principe s'applique approximativement au circuit en pont. La seule différence est qu'il n'utilise pas deux onduleurs, mais quatre transistors clés. En conséquence, le schéma est quelque peu compliqué, des éléments supplémentaires sont ajoutés.

Pendant ce temps, c'est l'option de montage en pont qui permet de connecter un grand nombre de lampes (plus de deux) sur une ballast. En règle générale, les appareils assemblés selon le circuit en pont sont conçus pour une puissance de charge de 100 W et plus.
Options de connexion des lampes fluorescentes
Selon les solutions de circuits utilisées dans la conception des ballasts, les options de connexion peuvent être très différentes.
Si un modèle de l'appareil prend en charge, par exemple, la connexion d'une lampe, un autre modèle peut prendre en charge le fonctionnement simultané de quatre lampes.

La connexion la plus simple est l'option avec un appareil électromagnétique, où les principaux éléments du circuit ne sont étrangler et démarreur.
Ici, à partir de l'interface réseau, la ligne de phase est connectée à l'une des deux bornes de l'inductance, et le fil neutre est connecté à une borne de la lampe fluorescente.
La phase lissée sur l'inductance est détournée de sa deuxième borne et connectée à la deuxième borne (opposée).
Les deux autres bornes de lampe restantes sont connectées à la prise de démarrage. Il s'agit en fait de l'ensemble du circuit qui était utilisé partout avant l'apparition des ballasts électroniques semi-conducteurs électroniques.

Sur la base du même schéma, une solution est mise en œuvre avec le raccordement de deux lampes fluorescentes, une inductance et deux démarreurs. Certes, dans ce cas, il est nécessaire de sélectionner un réacteur de puissance en fonction de la puissance totale des appareils à gaz.
La variante du circuit d'étranglement peut être modifiée afin d'éliminer le défaut de déclenchement. Elle se produit assez souvent précisément sur des lampes à ballasts électroniques électromagnétiques.
Le raffinement s'accompagne de l'ajout d'un circuit avec un pont de diodes, qui est allumé après l'accélérateur.
Connexion aux modules électroniques
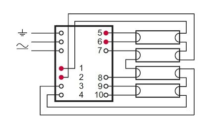
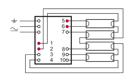
Les options de connexion des lampes fluorescentes sur les modules électroniques sont légèrement différentes. Chaque ballast électronique possède des bornes d'entrée pour l'alimentation en tension du secteur et des bornes de sortie pour la charge.
Selon la configuration du ballast électronique, une ou plusieurs lampes sont connectées. En règle générale, sur le boîtier de l'appareil de toute puissance, conçu pour connecter un nombre approprié de luminaires, il existe un schéma de circuit pour la mise sous tension.

Le diagramme ci-dessus, par exemple, fournit de l'énergie pour un maximum de deux lampes fluorescentes, car le modèle utilise un modèle de ballast à double lampe.
Deux interfaces de l'appareil sont conçues comme suit: une pour connecter la tension secteur et le fil de terre, la seconde pour connecter les lampes. Cette option fait également partie d'une série de solutions simples.
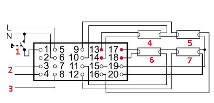
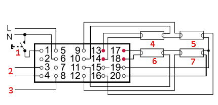
Un dispositif similaire, mais conçu pour fonctionner avec quatre lampes, se caractérise par la présence d'un nombre accru de bornes sur l'interface de connexion de la charge. L'interface réseau et la ligne de connexion au sol restent inchangées.

Cependant, avec des appareils simples - une, deux, quatre lampes - il existe des conceptions de ballast, dont le schéma implique l'utilisation de la fonction pour régler la lueur des lampes fluorescentes avec.
Ce sont les soi-disant modèles contrôlés de régulateurs. Nous vous recommandons de vous familiariser avec le principe de fonctionnement. régulateur de puissance appareils d'éclairage.
Quelle est la différence entre ces appareils et les appareils déjà considérés? En plus du secteur et de la charge, ils sont équipés d'une interface pour connecter une tension de commande, dont le niveau est généralement de 1 à 10 volts CC.

Ainsi, la variété des configurations de ballasts électroniques permet d'organiser des systèmes d'éclairage à différents niveaux. Cela se réfère non seulement au niveau de puissance et de couverture de la zone, mais aussi au niveau de contrôle.
Conclusions et vidéo utile sur le sujet
Le matériel vidéo, basé sur la pratique d'un électricien, indique et montre lequel des deux appareils devrait être reconnu par l'utilisateur final comme meilleur et plus pratique.
Cette histoire confirme une fois de plus que les solutions simples semblent fiables et durables:
Pendant ce temps, les ballasts électroniques continuent de s'améliorer. De nouveaux modèles de tels appareils apparaissent périodiquement sur le marché. Les conceptions électroniques ne sont pas non plus sans inconvénients, mais par rapport aux options électromagnétiques, elles présentent clairement les meilleures qualités techniques et opérationnelles.
Comprenez-vous les questions du principe de fonctionnement et des schémas de connexion des ballasts électroniques et souhaitez-vous compléter le matériel ci-dessus par des observations personnelles? Ou souhaitez-vous partager des recommandations utiles sur les nuances de la réparation, du remplacement ou du choix d'un ballast? Veuillez écrire vos commentaires sur cette entrée dans le bloc ci-dessous.
