Indesit Refrigerator Repair: Find and Fix Common Problems
Even the technology of famous brands periodically breaks down for a variety of reasons. High-quality repair of Indesit refrigerators can be carried out in the service center, but some operations are possible and for a home craftsman. In addition, knowledge of the causes of malfunctions will help to avoid and prevent most breakdowns.
You will learn all about restoring the operability of refrigerators of this brand from the article we presented. We described common malfunctions, their causes and diagnostic methods. Based on our recommendations, you can deal with the problem yourself.
The content of the article:
- Fundamentals and methods of diagnosis
- Typical failures and methods of dealing with them
- 1. Signal: inactive relay
- 2. Ice, which should not be
- 3. Inadequate chamber sealing
- 4. Fan outage
- 5. Broken heater defrosting
- 6. Compressor troubleshooting
- 7. Prevention of refrigerant leakage
- 8. Breakdown of current to the housing
- 9. Odor
- 10. Problems with the backlight in the camera
- 11. The refrigeration unit does not turn on
- 12. Incorrect defrosting of the chamber
- Conclusions and useful video on the topic
Fundamentals and methods of diagnosis
A refrigerator breakdown is akin to a small disaster, because you need to immediately look for another option for storing perishable and frozen foods.
Here are the most common problems:
- the device does not turn on;
- the air in the cells is not cold enough;
- breaks between on and off became too short;
- the compressor runs without interruption;
- there was an unpleasant smell in the cells;
- in a short time a large amount of frost accumulates;
- the device is very noisy and vibrates during operation.
The first thing to do when any of these signs appears is to find the manufacturer’s documentation. It contains a lot of useful information, such as the technical characteristics of the device, the features of its operation, operation procedures, contacts of service centers and warranty obligations.
If you purchased your refrigerator relatively recently, it’s possible the warranty has not yet expired. In this case, it is better to invite the master recommended by the manufacturer and provide a solution to the problem to him.Unprofessional interference with the instrument may warrant a revocation of the warranty.

If the deadlines are over, you can try to diagnose the situation and make a simple repair yourself. In this case, it is better to adhere to the rule: do not understand - do not touch.
Complex malfunctions will have to be contacted by refrigerators in any case. Inadequate handling of equipment will only worsen the problem, as a result, repairs will cost more.
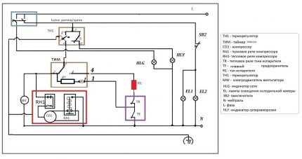
Many models refrigerators “Indesit” equipped with a self-diagnosis system. Messages on the control panel appear in the form of a combination of illuminated and extinguished LEDs or an alphanumeric code, usually the letter F with numbers from 01 to 63. This information can greatly facilitate the process of troubleshooting.

Not always the error codes that the device gives about the malfunctions of the Indesit refrigerator reflect the real cause of the breakdown.
Sometimes electronics indicates only an obvious consequence of a malfunction, and in order to identify the exact cause it will be necessary to conduct a detailed diagnosis. Wizards recommend that when an alarm occurs, reboot the system.
You need to disconnect the refrigerator from the network for about a quarter of an hour, and then turn it on again. If normal data was restored, it means that there was simply a failure of the control system. But with a new fault signal, you must immediately begin repair.

Typical failures and methods of dealing with them
The owner of the Indesit refrigeration equipment should get acquainted with the information on the common types of problems that accompany the operation of their favorite unit.
Information will help to monitor the actions and evaluate the work of refrigeration masters, not all of which are distinguished by a conscientious attitude, or conduct simple repair yourself.
1. Signal: inactive relay
If the temperature in the refrigerator or freezer gradually rises and you cannot create a suitable level of cooling, most likely the start relay has failed.
This element controls the operation of the compressor, which is needed so that the freon moves through the system at the required speed. It is recommended that you check the motor terminals.

In conditions of high humidity, carbon deposits can accumulate here, which interferes with the operation of the device. Another important point is the correct connection of system elements.
If it is made with flaws (as happens during unprofessional repairs), it is quite possible that the relay will malfunction. In extreme cases, the element may burn out due to a short circuit. In this case starting relay will have to be completely replaced.
If the refrigerator starts after turning on the mains for a couple of seconds and then immediately turns off, this may also be due to a relay malfunction, but there are other options. It is also recommended to check the wiring and the electronic control unit.

Before replacing the relay, experienced craftsmen first check (ring out) the motor winding. If it is faulty, efforts to replace the relay will not work.The engine should be repaired first if such a malfunction is detected after the diagnosis.
2. Ice, which should not be
The No Frost system, which is equipped with almost all models of Indesit refrigerators, allows you to create cold without ice and frost. If it does appear on the walls of the chambers, then the device does not work correctly. This type of problem arises quite often, and its usual cause is a violation of the operating rules.

Although icing should not occur in the chamber, periodic defrosting is still necessary, but should be done every seven months. If the appearance of frost is associated with a prolonged lack of maintenance, you just need to defrost the refrigerator in accordance with the instructions.
If defrosting does not help, and the amount of “snow” inside builds up too quickly, check the condition of the temperature sensor and capillary tube. The tube could clog or shift. Inexperienced craftsmen are better in this situation, contact the service center.
3. Inadequate chamber sealing
Simple failure - wear or damage to the sealing layer on the refrigerator door. If the door is not closed hermetically, the device will work with increased load, which can cause a variety of breakdowns.
If detected gum damagejust replace it as soon as possible. This is a simple operation that can be carried out independently. New rubber gaskets can be fixed around the door with glue or epoxy.

4. Fan outage
That the fan is faulty is indicated by error code F04. To understand the nature of the problem, you need to “ring” the electric circuit of the fan itself, as well as its control board. You can simply connect the device to the network. If the blades of the device do not rotate, replace it.
If there is movement, you need to deal with the electronic board. For replacement, it is better to take the exact same fan designed for a specific model of the refrigerator.
Usually it can be ordered through a service center. The replacement of the control board and its setting can only be entrusted to a master who has undergone training and internships on repairing refrigeration equipment of this brand.
5. Broken heater defrosting
This fault is usually indicated on the panel by error code F07. First you need to make sure that there is resistance in the circuit, and then inspect the fuses. These procedures are not complicated, they will allow you to determine whether the heating element really burned out or whether it is a matter of fuses.
If the fuse is defective, you just need to replace it. When the fuses are in order, it remains only to replace the defrost heater. It is better to use the help of an experienced craftsman for this; independent repair of such a plan rarely ends successfully.
6. Compressor troubleshooting
Breakage refrigerator compressor - this is a sentence, you have to buy and install a new device. There are two main reasons for this malfunction: voltage drops in the network or normal wear and tear. Replacing a compressor is not an expensive procedure; sometimes it’s easier to add a little money and buy a new refrigerator model.

It is not difficult to understand that the engine has broken down, since in working condition it emits a characteristic noise. There is no sound, which means that the device is faulty, i.e. Freon does not circulate, heat exchange does not occur, the temperature does not drop.You need to check the power cable, it may be damaged.
If the reason is not in the wires, you will have to either repair the compressor or completely replace it. It also happens that it is not immediately possible to determine the exact cause of the breakdown.
For example, the engine is running and the temperature inside the refrigerator remains too high. You will have to invite a repairman to conduct an in-depth diagnosis of the condition of the device.

Another good reason to seek professional help is too loud or uncharacteristic noise. If the refrigerator is making too much noise when the compressor is running, it’s probably just not installed evenly.
It is necessary to arm yourself with a level and correct the position of the device using the adjusting legs. If the noise persists, there may be a more serious malfunction. Modern Indesit refrigerators operate almost silently.
7. Prevention of refrigerant leakage
A freon leak occurs quite often, the following symptoms may indicate a possible lack of refrigerant in the system:
- insufficient air cooling in the cells;
- frost regularly appears on the walls;
- bloating appeared on the back of the refrigerator;
- compressor interruptions have become too short;
- The compressor runs continuously.
In such a situation, it is important to accurately determine that the Indesit refrigerator does not effectively freeze precisely because of freon leakage, then eliminate the cause of the breakdown and pump a new portion of the refrigerant into the system.
For an experienced master, this is an ordinary procedure, for a non-specialist it is better not to interfere with the work of complex equipment so as not to spoil the situation completely.

Freon follows if there is damage in the system, simply put, a hole or a crack. She can be almost imperceptible. Two-chamber refrigerators more prone to such breakdowns than simple single-camera models. The cooling system of the upper section and the freezer, which is located below, are connected by a heat pipe.

Moisture often condenses on this element due to temperature differences. As a result, corrosion processes are activated, holes appear, freon flows out. The gas does not have a characteristic color and smell, so the problem becomes apparent only if leakage affects the operation of the device.

You should not worry about health safety. The refrigerants are inert, and their amount in an ordinary refrigerator is not too large. Even if absolutely all Freon flows out, no sad consequences will threaten the residents of the house. Sometimes the place of leakage of freon can be detected visually, but this is not always the case.
To detect damage to the circuit, you need:
- Open the sealed compressor tube.
- Pump out the remaining freon in the system.
- Fill the circuit with ordinary air under low pressure.
- Determine the location of damage by a characteristic hiss.
- Seal a hole or crack.
After that, it does not hurt to fill the circuit again with air in order to check the quality of the soldering and make sure that there are no other damages. After that, the tight circuit filled with fresh refrigerant. The steps and rules for performing this procedure will be introduced by our recommended article.
8. Breakdown of current to the housing
If the fridge begins to shock, this is a cause for serious concern and the start of immediate repairs.A more or less experienced electrician at first can do without a master. First of all, the device must be immediately disconnected from the power supply.
The so-called breakdown on the housing usually occurs due to damage to the internal or external wiring. First, you can take a multimeter to measure the insulation resistance of the refrigerator. After disconnecting from electricity, you need to inspect all the wires.

If the inspection did not give results, you need to check the device all the wires in turn to identify the malfunction and eliminate it. This is done simply: the ground wire of the device is closed on the refrigerator case, and the phase wire is connected to different lines.
Usually check the lines supplying the compressor, temperature controller and relays, and detect the place of damage. If it was not possible to identify the cause of the breakdown, you should immediately invite the wizard, you should not turn on the refrigerator with such a malfunction in the network.
9. Odor
If there is an unpleasant odor in the refrigerator that is not caused by spoiled foods being stored inside, you should not worry. Most often, this situation is created as a result of non-compliance with the operating rules, and not with technical failures, i.e. a wizard is not needed.

Such aromas appear very often shortly after defrosting the refrigerator, if its walls have not been thoroughly wiped. For odor control the procedure will have to be repeated, but for the time of defrosting, you must leave an open container inside.
A mixture of ordinary water with lemon is poured into it. At the end of defrosting, all internal surfaces must be wiped with a rag dipped in another portion of water with lemon juice. It is then recommended that you leave the refrigerator closed for about a quarter of an hour or a little more.

After that, all surfaces are thoroughly wiped dry and the chambers are left open for ventilation for about five to ten hours, i.e. for the whole night. A characteristic problem for many brands of Indesit refrigerator is icing of channels through which air is exchanged.
As a result, the inside of the appliance cools too slowly. To correct the situation, it is usually quite simple to carry out a regular defrosting of the device. Unpleasant odors can also come from a clogged drain pipe, which you just need to rinse thoroughly during defrosting or blow through a stream of compressed air.
10. Problems with the backlight in the camera
If the backlight breaks in the refrigerator, most likely the standard 15 W lamp just burned out. To replace it, you need to remove the cover, which is held by a mounting bolt. Then they unscrew the burned-out lamp, replace it with a new one, set the lampshade in place.

To choose the right lamp, it is better to take the burned-out element to the store and pick up exactly the same. If replacing the lamp did not work, then the problem is more serious, it's time to call the master.
11. The refrigeration unit does not turn on
It also happens that the refrigerator just stops turning on, i.e. the starter does not work. The reasons for starting are recommended to be searched not inside, but outside.The problem is caused either by damage to the power cable or lack of current in the network. The cable must be replaced or repaired.
If the central power supply is disconnected for some reason and the refrigerator is needed, it can be connected to an alternative source of electricity. Sometimes the refrigerator does not turn on due to frequent voltage fluctuations in the network. When the network is less than 190 watts, the device does not work until normal characteristics are restored.
Using a stabilizer will help solve the problem. Such a situation cannot even be considered a breakdown, since the device correctly responds to changing operating conditions and protects other elements from serious damage.
12. Incorrect defrosting of the chamber
Problems with defrosting the refrigerator can occur due to the breakdown of the defrost button, which is available on many models.
As a result of wear or excessive mechanical stress, the button fails, the refrigerator either goes into an endless defrost cycle or stops completely defrosting. In any case, you need to remove the faulty button as soon as possible and replace it with a new element.
Conclusions and useful video on the topic
Information on the principles of operation and repair of the start relay of the refrigerator can be found here:
This video shows in detail the process of diagnosing a freon leak:
A clear demonstration of the compressor replacement procedure:
Depreciation of individual parts, improper operation and problems with wiring are the most common causes of breakdown of Indesit refrigerators. This is a quality technique that breaks down not so often. If you try to protect it from damage, such a refrigerator will last a very long time without malfunctions.
Please leave comments, ask questions in the block below. Tell us how to repair the refrigerator with your own hands. Share technological nuances that may be useful to site visitors, and photos with repair steps.

Hello. Please tell me whether it is possible to completely replace the Indesit refrigerator door with a new one. The fact is that I accidentally made a small dent on the door, and I bought a new refrigerator, I bought it a year ago and it's a pity to look at it. And if possible, then where to go. Thank. Sincerely, Ludmila.
Of course, a complete replacement of the freezer door is possible. Call the companies that repair refrigerators. But is it worth changing because of a dent?
Good afternoon, Lyudmila. The question can be solved without changing the door. You need a car repair service dealing with body repair. Small dents are removed by vacuum, pulling the metal in the opposite direction. Door restoration does not require removal or transportation, is eliminated locally and will take no more than 5 minutes.
For several years now I have been the owner of the Indezit refrigerator. The equipment is really reliable and reliable. But once there was a small breakdown. The light inside the refrigerator stopped burning. At first I thought that she had burned out. But, as it turned out, the reason was different.For some reason, the contact in the contact group of the switch of this lamp cracked and broke off. I put a metal plate in its place and the light came on. The malfunction was simple and did not require high qualifications to resolve it. With complex malfunctions, it is indeed better to contact the craftsmen from the service center.
Hello! The problem of the refrigerator DF5200S, after a power failure, the refrigerator turned off. After standing for a while, it started again, but if you turn it off and on. through the panel, then the refrigerator will not start until it stands still. Also, during the operation of the refrigerator, click on the “quick cooling” panel, it turns off!
Since problems with the refrigerator began after a power outage, it is logical to assume the following causes that led to the current symptoms:
1. Failure of the control module. It is solved by repair of the control module, or by replacing the board itself.
2. Failure of the compressor. The most expensive repair, even if some part in the compressor fails, the replacement will still cost a pretty penny.
3. Failure of temperature sensors. You will need to find and replace sensors that are out of order.
In any case, you need to call a specialist for diagnosis, if the problem is in the sensors, then you can perform the repair yourself. For the rest, it will not be able to cope on its own without the proper experience and tools. And for the future I advise you to connect a refrigerator and other expensive household appliances through a voltage regulator.
Hello! Please tell me, is it possible to change the plastic part on the refrigerator door? The door opens very tight, you have to make an effort, so the plastic handle broke.
You have taken a photograph from an uncomfortable angle, you can’t see the mountings of the plastic handle. But apparently your handle is built-in and is part of the front panel, and the mounts are located under the panel itself. Judging by the attached photo, I can draw such conclusions.
Option 1 is just to glue the crack location, but this is a temporary solution.
Option 2 - Search the web for replacement handles directly for your refrigerator model.
I can also offer an alternative third option - universal overhead handles on the refrigerator. Instead of fastening with screws, you can put such handles on glue.
Indesit bia18nfc freezer works, no refrigerator. When turned off for a short time and turned on again, it works for 1-2 days, then again there is no cold in the refrigerator. What simple diagnostics and repairs can you do yourself? I checked the gum.