Comment choisir un RCD et un difavtomat dans le réseau électrique d'une maison de campagne?
Bonjour Veuillez m'aider à comprendre la situation actuelle (modèle). Dans ma maison de campagne, une tension monophasée de 220 volts est connectée. En outre, les électriciens ont connecté l'équipement suivant: machine automatique d'entrée, compteur, machines automatiques pour chaque ligne avec «UZM-51» connecté à eux.
Je souhaite, si possible:
- Entre la machine d'entrée et le compteur, connectez (ajoutez) le deuxième «UZM-51» (en cas de panne déjà connecté), ainsi que connectez le RCD du feu;
- Toutes les machines (à l'exception de celle d'entrée) doivent être remplacées par des difavtomats avec la connexion du «UZM-51» déjà existant, ou il peut être préférable de laisser les machines déjà connectées, c'est-à-dire que tout est comme ça, mais connectez les RCD de choc électrique à eux.
Quelle option est préférable (mieux) je ne sais pas. Pour autant que je comprends, difavtomat est une machine automatique + RCD dans un seul appareil? Et s'il vous plaît, aidez-moi à choisir le RCD et le difavtomat par type et courant (mA). Si possible, veuillez montrer, schématiquement, comment connecter tout cela. Merci d'avance pour votre aide.
Commentaires des visiteurs
Ajoutez un commentaire
Bonjour, Alexander.
Dès le premier paragraphe de votre question, j'ai réalisé qu'après chaque changement automatique de la ligne sortante, l'UZM-51 était monté.
Après avoir étudié le PUE, vous constaterez qu'il n'est généralement pas nécessaire d'installer des RCD dans les lignes sortantes allant vers des dispositifs fixes, des lampes, des réseaux d'éclairage. Découvrez pourquoi les constructeurs l'ont fait. Ils, je note, pourraient suivre le projet. S'il n'y en avait pas, cela signifie qu'ils ont facturé le prix du travail.
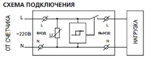
J'attache un schéma de connexion UZM-51 typique sur la photo à cette réponse, lisez-le. Comme on peut le voir, le RCD est installé entre le compteur et les disjoncteurs des lignes sortantes. Une machine d'introduction doit se trouver devant le compteur. Aucun autre RCD n'est prévu dans le Règlement.
Votre RCD sert à déconnecter le réseau lorsque la tension tombe en dessous de 160 V ou dépasse 280 V. Il protège également l'équipement contre les surtensions dues aux décharges de foudre et autres charges externes puissantes.
Je ne comprends pas le désir de remplacer les disjoncteurs déjà installés par d'autres - j'ai besoin d'une motivation que vous n'avez pas mise en avant. Si les courants nominaux des machines correspondent aux courants admissibles des conducteurs sortants, alors rien ne doit être changé.
Pour se protéger contre les chocs électriques, il est possible d'utiliser UZO IEK VD1-63 2P 25A 30mA. Vous seul devez choisir les bons ampères (25A - c'est un exemple) - vous n'apportez pas la charge de votre réseau.
Je ne vois pas la nécessité de mettre en place un RCD de sécurité incendie avec «anti-traumatique» - c'est mon avis. Je m'explique: un 30 milliampères fonctionnera et si l'isolation des fils est rompue par un courant qui ne provoque pas d'incendie, il n'y aura pas assez de puissance.
La sélection des DDR installés en série est détaillée ici dans cet article.