Painéis solares flexíveis: uma visão geral dos projetos típicos, suas características e recursos de conexão
A energia solar é uma das fontes alternativas de eletricidade mais promissoras e de rápido desenvolvimento. Este é um recurso ilimitado que pode ser usado em qualquer lugar do mundo sem poluir o meio ambiente. Concordo, seria bom ter sua própria fonte alternativa de eletricidade.
Acontece que agora a energia solar pode ser convertida em eletricidade em casa. Em vez de painéis de estrutura volumosos e frágeis, painéis solares flexíveis estão sendo cada vez mais usados. Mas como colocá-lo em prática?
Ajudaremos a lidar com o dispositivo de painéis solares flexíveis e com o princípio de seu trabalho. Recomendações úteis para a seleção e instalação de estruturas são apresentadas em nosso artigo. E, para facilitar a percepção das informações, o artigo contém fotografias e vídeos temáticos.
O conteúdo do artigo:
O que são painéis solares?
Para entender se os painéis flexíveis são adequados para gerar eletricidade, você precisa entender a teoria.
O que é uma bateria solar, como a estrutura dos modelos flexíveis é diferente do restante? E também é muito importante descobrir as vantagens e desvantagens desse tipo específico de célula solar, mesmo antes da compra.
A estrutura e os princípios de operação de painéis flexíveis
O princípio de operação da bateria solar é baseado em um conceito como a energia fotovoltaica. A luz, como você sabe, pode ser considerada como uma onda e como um fluxo de partículas - fótons. A capacidade de converter energia de fóton em eletricidade é fotovoltaica.

Um semicondutor é um material que possui uma estrutura atômica especial.Um semicondutor do tipo n possui elétrons extras, e os átomos do semicondutor do tipo p não possuem. Para montar a fotocélula, dois tipos de materiais são combinados para formar uma estrutura de duas camadas.
Fotocélulas separadas são combinadas em um painel. Os painéis podem ser rígidos, em uma estrutura metálica forte. Agora há uma tendência para facilitar o design de painéis de fotos. As células solares flexíveis e leves estão ganhando popularidade.
O princípio de operação da bateria solar pode ser descrito da seguinte forma:
- A luz solar atinge a superfície da fotocélula do lado da n-camada.
- Os fótons colidem com os átomos do semicondutor, "nocauteando" elétrons extras.
- Elétrons livres se movem em direção à camada p e caem em átomos com a falta de partículas.
- Como resultado, a camada superior atua como um cátodo e a camada inferior atua como um ânodo.
- Produz corrente contínua que pode facilmente carregar a bateria.
Silício, selênio e muitos outros materiais mais caros são usados como semicondutores.

Para painéis solares de filme flexível, também é usada a pulverização de polímero com condutores de alumínio. Essa estrutura torna os painéis surpreendentemente finos e leves.
Essa tecnologia está apenas começando a se desenvolver, mas o fato de ter grandes perspectivas está fora de dúvida. Mas examinaremos os painéis flexíveis no sentido amplo dessa definição.
Você pode ler mais sobre os princípios de operação dos painéis solares clicando em o link.
Os benefícios das células solares flexíveis
As vantagens dos painéis solares flexíveis tornam esse método de produção de eletricidade um dos mais promissores:
- peso
- tamanho
- elasticidade;
- performance
- universalidade;
- rentabilidade;
- respeito pelo meio ambiente;
- facilidade de operação.
Os parâmetros geométricos e físicos dos painéis, como tamanho e peso, são de grande importância, pois serão necessários um grande número de painéis para fornecer eletricidade a todo o prédio, ao usar modelos pesados, pode ser necessário fortalecer a estrutura do edifício,o que aumentará significativamente os custos de instalação.

O desempenho das baterias de silício é bastante alto. É difícil avaliar a eficiência nesse caso, os painéis de semicondutores são capazes de converter luz em eletricidade em 20%, em média.
Ou seja, se o poder da radiação solar for de 200 watts, serão recebidos cerca de 40 watts de eletricidade.
Os painéis solares amorfos flexíveis são muito mais tolerantes ao tempo nublado do que as estruturas rígidas convencionais à base de silício.
Para comparação, uma bateria solar padrão em tempo nublado pode funcionar apenas com 10% de sua capacidade, enquanto um painel flexível produz cerca de 50% dos valores nominais.

A luz solar é um recurso gratuito e ilimitado. Esta é a sua vantagem indubitável, que expressa a eficiência incondicional dos painéis solares.
Além disso, esse método de produção de energia é totalmente ecológico, não afeta o estado do meio ambiente e não o prejudica. Além disso, abandonando a alternativa popular à energia solar - usinas térmicas, a humanidade reduz o nível de poluição do ar.
Desvantagens dos painéis solares flexíveis
As desvantagens dos painéis solares flexíveis também são suficientes. Em primeiro lugar, essa tecnologia está apenas se desenvolvendo e ainda não atingiu o pico de suas capacidades. Em termos de desempenho, as baterias amorfas flexíveis são inferiores às rígidas de poli ou cristal único.

Em segundo lugar, a folha fina e uma camada mínima de revestimento falham relativamente rapidamente. O período de garantia de operação desses painéis é de aproximadamente 3 anos.
Depois disso, as fotocélulas começam a se decompor gradualmente e precisam ser substituídas.

Outras desvantagens são inerentes a todos os tipos de painéis solares:
- tempo de retorno;
- alto custo;
- um grande número de equipamentos caros, além das próprias baterias;
- dependente do clima.
Um painel flexível com uma potência de cerca de 150 watts custa cerca de 40 mil rublos. ou mais, dependendo do fabricante. 20 baterias, um conjunto de baterias e equipamentos adicionais custam uma quantia redonda. Dado o custo de 1 kWh de eletricidade, você precisará recuperar o sistema por mais de um ano.
Onde e como a energia solar é usada?
Painéis flexíveis são usados em vários campos. Antes de elaborar um projeto de fornecimento de energia em casa usando esses painéis solares, descubra onde eles são usados e quais são as características de seu uso em nosso clima.
Âmbito dos painéis solares
O uso de painéis solares flexíveis é muito amplo. Eles são usados com sucesso em eletrônicos, eletrificação de edifícios, construção de automóveis e aeronaves e objetos espaciais.
Na construção, esses painéis são usados para fornecer eletricidade a edifícios residenciais e industriais.

Carregadores portáteis de células solares flexíveis estão disponíveis para todos e vendidos em qualquer lugar. Grandes painéis turísticos flexíveis para gerar eletricidade em qualquer canto do globo são muito populares entre os viajantes.
Uma idéia muito incomum, mas prática, é usar um leito de estrada como base para baterias flexíveis. Elementos especiais são protegidos contra choques e não têm medo de cargas pesadas.

Essa ideia já foi implementada. A estrada "solar" fornece energia para as aldeias vizinhas, sem ocupar um único metro extra de terra.
Características do uso de painéis amorfos flexíveis
Aqueles que planejam começar a usar painéis solares flexíveis como fonte de eletricidade para suas casas devem conhecer os recursos de sua operação.
Painéis solares com uma base metálica flexível são usados onde são feitas demandas crescentes sobre a durabilidade das mini-usinas:
Primeiro de tudo, os usuários estão preocupados com a pergunta: o que fazer no inverno, quando o horário de verão é curto e não há eletricidade suficiente para todos os dispositivos funcionarem?
Sim, em dias nublados e curtas horas de luz do dia, o desempenho do painel é reduzido. É bom quando existe uma alternativa na forma da possibilidade de mudar para uma fonte de alimentação centralizada. Caso contrário, você precisa estocar pilhas e cobrá-los naqueles dias em que o tempo estiver favorável.
Uma característica interessante dos painéis solares é que, quando a fotocélula é aquecida, sua eficiência é significativamente reduzida.

O número de dias claros por ano varia de acordo com a região. É claro que no sul é mais racional o uso de baterias flexíveis, pois o sol brilha por mais tempo e com mais frequência.
Como a Terra muda de posição em relação ao Sol durante o dia, é melhor organizar os painéis universalmente - ou seja, do lado sul, em um ângulo de 35 a 40 graus. Esta situação será relevante tanto na parte da manhã como da noite, e ao meio-dia.
Instruções de instalação para painéis solares no telhado
Se você decidir que painéis solares flexíveis baseados em silício amorfo são o que você precisa para fornecer eletricidade a uma casa particular, comece a planejar o trabalho.
Escolha o equipamento certo e calcule o número aproximado de painéis. Em seguida, leia as regras para instalação e manutenção subsequente de células solares.
Mas lembre-se de que o uso dos análogos tradicionais de policristal e monocristal de silicone é muito mais produtivo até agora.
Etapa 1. Cálculo do número de painéis
Qualquer trabalho começa com o projeto. Para o design, você precisa fazer os cálculos necessários, a saber:
- consumo diário de eletricidade;
- potência total necessária das fotocélulas;
- capacidade da bateria;
- número de painéis.
A coisa mais simples é calcular o consumo de eletricidade. Para fazer isso, leve em consideração absolutamente todos os aparelhos elétricos que você usa ou teoricamente pode usar.
Um exemplo simples:
- geladeira - 200 W;
- computador - 300 W;
- TV - 150 W;
- lâmpadas econômicas - 5 peças de 20 watts cada.
A potência de cada dispositivo deve ser indicada em sua documentação ou na carcaça. Depois de adicionar todos os dados, obtemos 750 watts. Com base neste valor é selecionado inversor - um dispositivo que converte corrente contínua em corrente alternada com a frequência desejada.
Certifique-se de fazer uma pequena margem e selecione um inversor que seja 0,5 kW mais potente que o valor calculado. Ou seja, para uma potência total de 0,75 kW, é adequado um dispositivo não mais fraco que 1,25 kW

Então você precisa pegar as baterias. A capacidade da bateria (por exemplo, 200 A) h) indica qual corrente será emitida em uma determinada tensão por uma hora.
Você pode calcular a capacidade necessária dividindo a energia total dos consumidores pela tensão de saída da bateria solar. No nosso exemplo, usamos baterias de 12 volts. 750/12 = 62,5 A ∙ h.
Mas essa fórmula não é totalmente verdadeira, pois a maioria das baterias não pode ser descarregada para 0. Há uma certa limitação, por exemplo, 40%. Se o nível de carga cair abaixo, isso afeta significativamente a vida e a qualidade da bateria.
Este indicador também precisa ser adicionado à fórmula:
750 W / (12V × 0,4) = 156,25 A ∙ h.
Para atingir essa capacidade, você pode combinar um grupo de 2 baterias de 100 Ah cada em um sistema.
O número de painéis é calculado com base na potência do modelo selecionado e na região em que eles serão instalados. É difícil superestimar o significado da região. Idealmente, você precisa encontrar os valores do nível diário de radiação solar para sua área. Para confiabilidade, o valor mínimo para o ano é obtido, provisoriamente - no final de dezembro.

Multiplicando esse indicador pelo número de dias do mês, obtemos o número de quilowatts por 1 m2 de bateria solar flexível em dezembro. Por exemplo, em Moscou, isso é 0,33x31 = 10,23 kW / m2, e para Sochi - 1,25x31 = 38,75 kW / m2. Este indicador é chamado de número de horas.
Então, do máximo condicional de 0,75 kW consumido por todos os dispositivos ao mesmo tempo, calculamos o consumo médio mensal - cerca de 25 kW. Por um mês, nossas baterias flexíveis devem gerar pelo menos 25.000 watts e é melhor fazer um pequeno suprimento e arredondar até 30 kW.
Portanto, por 1 hora em Moscou deve ser 30 / 10,23 = 2,93 kW. Se os painéis selecionados tiverem uma potência de 150 W, não será difícil calcular seu número: 2,93 / 0,15 = 20 peças.
Após cálculos simples, você pode escolher um inversor adequado, o controlador, bateria e painéis fotovoltaicos flexíveis na quantidade certa.
Etapa 2. Regras de instalação
A instalação de células solares flexíveis pode ser feita por você mesmo.
Para fazer isso, vale a pena determinar onde exatamente você colocará seus painéis:
- no telhado do edifício;
- na fachada da casa;
- em uma estrutura separada;
- circuito combinado.
A opção mais popular está no telhado. Se a forma ou a configuração do telhado não permitir isso, é melhor construir uma estrutura adicional sobre a qual colocar as baterias. Isso é mais caro, mas se o teto for sombreado ou difícil de alcançar, essa opção se tornará racional.

As células fotovoltaicas solares flexíveis na parte inferior têm uma camada resinosa pegajosa.
Basta remover a película protetora e colar o painel no local selecionado. Obviamente, antes da montagem, a superfície precisa ser limpa e lavada.

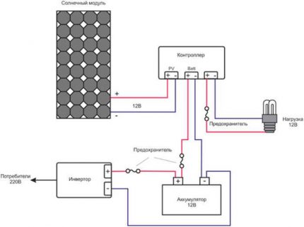
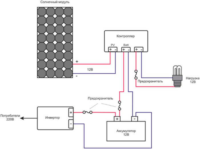
Por um lado, o módulo solar possui 2 cabos de saída. Cada painel é posicionado de forma que esses fios possam ser combinados posteriormente com um barramento para conexão serial.
Também recomendamos a leitura de nosso outro material, que descreve em detalhes os diagramas de instalação e métodos para conectar painéis solares. Mais detalhes - aqui.
Etapa 3. Manutenção do sistema após a instalação
Após a instalação de células solares flexíveis, elas precisarão ser constantemente cuidadas e monitoradas, caso contrário, sua eficácia poderá cair drasticamente. O principal é manter os painéis limpos. Poeira, sujeira, excrementos de pássaros - todos esses fatores reduzem o desempenho do sistema, pois limitam a absorção da luz solar pelas fotocélulas.
Os painéis solares devem ser limpos quando ficarem sujos. Por isso, não é recomendável colocá-los em locais de difícil acesso em um telhado complexo.
Se o seu sistema não puder ser consertado por você, você sempre poderá encontrar um artista com as máquinas e equipamentos adequados. Claro, será mais caro.

Outro problema relevante para nossas regiões é a neve. No inverno, as baterias dormem na neve e param de funcionar. A precipitação deve ser constantemente limpa, mas não muito grossa, caso contrário, o próprio equipamento poderá ser danificado.
Conclusões e vídeo útil sobre o tema
Vídeos e análises que analisam painéis flexíveis de fabricantes populares ajudarão você a fazer a escolha certa. Você poderá ver como sua casa cuidará da instalação do equipamento, os especialistas ajudarão você a escolher o número certo de baterias e considerar as regras de instalação.
Como os painéis solares flexíveis são organizados e do que são feitos:
Você pode instalar uma bateria flexível em um apartamento na fachada de um prédio, por que não:
Um pouco mais sobre a produção e as vantagens dos elementos flexíveis:
Os painéis solares tornam possível tornar-se não volátil, não monitorar preços e serviços de gás. Se você investir uma certa quantia uma vez, poderá consumir energia ilimitada para usar eletrodomésticos, aquecimento doméstico e recarregar a bateria de um veículo elétrico. Mais e mais pessoas estão mudando para a energia alternativa, porque o futuro está por trás disso.
Se você possui o conhecimento ou a experiência necessária sobre o tópico de nosso artigo, compartilhe-o com nossos leitores. Ou talvez você tenha que instalar os painéis solares? Conte-nos como você fez isso. Você pode complementar seus comentários com fotos.

Embora os painéis solares flexíveis tenham falhas, acho que o futuro está com eles. A produção de energia dessa maneira está em constante evolução. O principal é que eles são fáceis de usar e instalar. Ao contrário dos coletores solares, eles não são volumosos. Quanto à curta vida ou qualidade da pulverização, tudo isso será modernizado. Já são apresentadas amostras estrangeiras experientes, capazes de servir mais de 10 anos. Portanto, este segmento de energia alternativa tem excelentes perspectivas.
Na casa de campo instalado painéis solares flexíveis. Eles foram escolhidos precisamente porque não ocupam muito espaço, luz, elástico, são simplesmente montados. As economias são enormes, usamos a fonte de alimentação centralizada apenas no inverno e depois não o dia todo, mas apenas quando a carga nos painéis solares termina. Um “mas” - as baterias devem ser constantemente cuidadas, limpas do pó e no inverno também da neve!
Em que região você mora? Eu realmente quero tentar, mas há dúvidas sobre a eficácia. E outra pergunta - como são os painéis flexíveis com resistência ao impacto? Em geral, há um vidro protetor, mas aqui?
Eu já fiz uma pergunta sobre eficiência aqui. Você pode ser guiado por ele, sendo guiado pelas latitudes e potência dos painéis solares.
Em relação à resistência ao impacto, tudo também é fornecido pelos fabricantes aqui. Em particular, a marca alemã produz excelentes painéis solares CentroSolar S-Class Vision com uma garantia de 30 anos, combinando qualidades resistentes a impactos e segurança de energia de pelo menos 87% durante todo o período de garantia. Este fabricante possui um vídeo de teste de colisão de como eu testo a resistência dos painéis solares. Graças à tecnologia moderna, nem mesmo um grande granizo é terrível.
Os painéis são testados de acordo com três critérios: resistência a vandalismo, carga mecânica e resistência da cidade.
Bom dia Há uma pergunta, se possível. Há uma película protetora na superfície do painel - é necessário ou não removê-lo se o painel estiver na rua? E o filme afeta o desempenho do painel?