Amplificador de antena para uma TV: o princípio de operação e as regras para a escolha de um amplificador de antena de TV
Para melhorar o sinal de um receptor de televisão em um apartamento na cidade, e mais ainda em um local distante do repetidor - em uma vila ou em uma casa de campo, um amplificador de antena é usado para a TV. De tamanho pequeno e preço acessível, o dispositivo pode ser instalado independentemente, se você abordar corretamente a escolha do modelo.
Considere os recursos técnicos dos dispositivos e analise os critérios para escolher um amplificador para uso doméstico.
O conteúdo do artigo:
Para que é necessário um amplificador de sinal?
Se a TV não funcionar com uma antena parabólica ou a cabo, significa que capta um sinal usando uma antena convencional - interna ou externa. O processo de transmissão é o seguinte: a uma certa distância uma da outra, são instaladas torres que retransmitem as transmissões.
Os receptores domésticos - televisões - usam a antena para captar sinais e convertê-los em vídeo, acompanhados de som.

Para estabilizar e melhorar o sinal da TV, um amplificador é usado para uma antena de televisão doméstica. Sua importância cresce quando um poderoso receptor comum não está instalado no telhado, ou seja, fora da cidade. O dispositivo ajuda a obter a máxima imagem nítida na tela e a pureza do som devido ao fato de reduzir a interferência.
Algumas antenas lidam com a transmissão do sinal, sem conectar dispositivos adicionais. Portanto, antes de comprar, estude as características técnicas da antena e verifique se seus recursos são limitados, e não é possível configurá-la para receber imagem e som de alta qualidade sem conectar um dispositivo especial.
O princípio de operação do adaptador de antena
Os amplificadores para TVs são simples no dispositivo e podem ter um design diferente.Alguns consistem em um par de placas nas quais um circuito é implementado para reduzir o ruído. Um dos circuitos executa a função de um filtro passa-alto, o segundo é equipado com um capacitor para ajustar as frequências.

Graças ao ajuste, é possível obter um ganho máximo de sinal de 4,7 dB a uma frequência operacional de 400 MHz.
Alguns tipos de amplificadores são projetados para serem alimentados a partir de uma fonte de 12 V, ou seja, eles podem ser conectados a uma bateria de carro. Para alcançar a estabilidade, é utilizado um estabilizador, cujo circuito inclui um eletrólito e uma ponte de diodos.
Vários dispositivos estão conectados com um cabo coaxial, mas usando um bloqueador. Eles estão conectados à TV através de um capacitor.
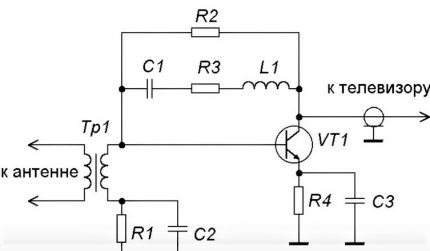
Considere o exemplo de um dos circuitos do amplificador do transformador, como o dispositivo funciona. O módulo é alimentado por um cabo de sinal.

C1 - um capacitor conectando a seção de realimentação à potência e trabalhando com baixas frequências. R3 - um resistor que determina a operação estável do amplificador em várias faixas de frequência. L1 - indutância igualando a amplitude das frequências.
Feedback de fluxo organizado por loop C3, R4que junto com R1 e R2 incluem o modo de operação em cascata. C2 - um capacitor para conectar um transformador.
O sinal da antena entra no transformador correspondente e é transmitido através do transistor, amplificado e estabilizado no emissor. Depois, há uma correção de frequência no segundo estágio dos transistores em cascata, após o qual o sinal entra na TV.

Assim, graças ao amplificador de televisão, a sensibilidade limitada pelo ruído é aumentada e as perdas do sinal recebido no cabo coaxial também são compensadas.
Tipos de amplificadores de televisão
A divisão de dispositivos em categorias é mais frequentemente realizada de acordo com dois parâmetros: o local da instalação e a faixa de frequência. Isso se aplica especificamente aos amplificadores de antena e aos análogos relacionados - televisão e satélite.
Na faixa de frequência, existem três tipos:
- alcance;
- multi-gama;
- Banda larga
Range o dispositivo amplifica o sinal apenas em uma certa faixa de freqüência predeterminada - medidor ou decímetro. Uma de suas funções é reduzir o ruído que aparece quando o comprimento do cabo é aumentado.
Multibanda Os dispositivos funcionam com a mesma eficiência em diferentes faixas de frequência, também podem receber sinais de várias fontes.
Banda larga o amplificador opera nas faixas de metros e decímetros, usados para a televisão digital.

No local da instalação, todos os dispositivos são divididos em externo (mastro) e interno. Montagem externa no local de instalação da antena da televisão - em um poste ou mastro, montado em uma varanda ou telhado. Eles são distinguidos por uma forte proteção.
Amplificadores internos estão localizados perto do receptor. Seu ponto negativo é a perda associada ao comprimento do cabo.
Critérios de compra
A escolha de um amplificador de sinal para uma antena de TV depende dos critérios técnicos do dispositivo e de fatores externos, como localização e condições de instalação. No entanto, em primeiro lugar - sempre características que afetam a qualidade do sinal - é isso que dispositivos adicionais geralmente adquirem por causa disso.
Critério 1 - faixa de frequência operacional
A faixa de freqüência conecta três dispositivos - o próprio receptor de televisão, a antena e o amplificador. Primeiro pegue a antena. Deve-se lembrar que os de grande alcance perdem para os de foco estreito, ou seja, o sinal será mais fraco.

Se a área de recepção não estiver longe do repetidor, você poderá comprar um "Vsevolovka", cobrindo uma variedade maior. No entanto, é melhor capturar um sinal de uma torre remota para uma faixa de frequência limitada - por exemplo, MV ou UHF.
Pela resposta de frequência da antena, também é escolhido um amplificador. Se não corresponder ao intervalo, não funcionará.
Critério # 2 - figura do ruído
O amplificador da antena deve ajustar a relação sinal / ruído para cima. No entanto, cada dispositivo no processo de transmissão de dados recebe seu próprio ruído - e quanto mais forte o sinal, mais pronunciado.

Acredita-se que o número de ruído não deve exceder 3 dB - esta é a única maneira de garantir uma boa qualidade de transmissão do sinal, mas os dispositivos de última geração têm valores mais baixos - inferiores a 2 dB.
Critério # 3 - ganho
Não assuma que quanto maior o ganho do sinal, melhor a qualidade da transmissão. De fato, o ganho excessivo leva à distorção do sinal, na qual ocorre o efeito oposto - corte ou sobrecarga.
O parâmetro é medido em dB e possui valores médios:
- decímetro - 30-40 dB;
- metro - 10 dB.
Assim, os canais decimétricos podem cobrir 22 e 60 canais e os medidores - não mais que 12. Se o amplificador aumentar o coeficiente em 15-20 dB, isso é considerado um bom resultado.
Ao escolher um amplificador por coeficiente, é necessário levar em consideração as condições reais e o nível de recepção. Geralmente eles são guiados pela distância da torre, ou seja, o repetidor.

Para não ter problemas, você pode escolher um dispositivo com capacidade de ajuste, ajuste adicional. Existem muitos modelos universais, enquanto eles são projetados para diferentes distâncias.
Se a torre estiver na linha de visão direta, não será necessário um amplificador.
Critério 4 - ativo ou passivo
Se considerarmos o princípio de operação do dispositivo, devemos levar em consideração a divisão entre ativo e passivo. O passivo funciona offline, enquanto o ativo precisa de energia adicional da rede. Na maioria das vezes, o dispositivo é conectado através de um adaptador - um adaptador para 9 V ou 12 V.

Se o dispositivo estiver ao ar livre, é necessário fornecer proteção contra umidade e precipitação. Às vezes, eles implementam a seguinte opção: uma antena com um amplificador é instalada do lado de fora e o adaptador é deixado dentro da sala.
Mas é melhor seguir as instruções do fabricante, que geralmente alerta sobre a ocorrência de interferência com a instalação inadequada.
Procurar modelos populares
Alguns amplificadores são procurados devido ao dispositivo simples, baixo custo e fácil instalação. Se necessário, os dispositivos podem ser instalados, substituídos ou reparados independentemente.
Ao comprar dispositivos para uso externo, cuide da sua estanqueidade. Note-se que os dispositivos externos devem ser trocados aproximadamente a cada 2 anos, apesar de sua proteção, portanto, se for possível instalar o amplificador sob o teto, use-o.
Conclusões e vídeo útil sobre o tema
A principal coisa sobre amplificadores populares:
Visão geral dos dispositivos universais de banda larga:
Se a imagem "neva" na tela da TV ou está completamente dispersa em pixels, recomendamos melhorar a qualidade da recepção do sinal com a ajuda de um amplificador de antena de TV doméstica. Dificuldades com conexão independente geralmente não surgem se você seguir os conselhos do fabricante e levar em consideração as características da antena e do dispositivo.

Deu uma segunda TV. Eles decidiram colocá-lo na cozinha. Compramos uma antena com um amplificador, mas não funcionou. Voltou à loja e pegou outro. O resultado é o mesmo. Quando eles colocaram a TV em outra sala e a conectaram à mesma antena, finalmente funcionou. Como entendemos, o amplificador reage mal aos equipamentos que trabalham nas proximidades. De alguma forma, posso resolver isso e proteger o amplificador? Não há como reorganizar o capô e o fogão elétrico.
É possível que não seja nem a interferência que os eletrodomésticos que trabalham na cozinha podem criar. Uma das razões óbvias é a baixa tensão da tomada (extensão) na cozinha.
O motivo é banal simples - muitos dispositivos estão conectados a uma linha, de modo que a tensão cai e o amplificador simplesmente não possui um valor normal para a operação correta. Confirmar ou refutar essa suposição é bastante simples: desligue todos os aparelhos da cozinha e conecte o amplificador.
Também é possível que alguns equipamentos causem interferência; nesse caso, você precisa conectar um amplificador em outra sala e construir um fio para conectar a antena à TV diretamente na cozinha. Esta é a melhor solução se você não puder mover o equipamento que causa interferência.
Em nossa casa, uma TV com dificuldade 2 canais pega, você não pode prescindir de um amplificador. Agora estou tentando descobrir qual comprar ...
Para começar, tente algo simples, por exemplo, comprei o AMP-102 da Leroy Merlin. Na maioria dos casos, é suficiente. Embora muito dependa da distância da casa dos repetidores.
Oferecerei várias soluções para uma casa de campo, desde simples e baratas, até mais complexas e um pouco mais caras.
A primeira solução é um amplificador de antena centavo SWA-99999 (preço de cerca de US $ 1 total). O amplificador é instalado dentro da caixa de antena do tipo "grade polonesa" ou similar.
A segunda opção é um amplificador de antena Locus LA-21, que custa cerca de US $ 4.A caixa do amplificador é projetada de forma que os conectores do tipo F facilitam a instalação em uma quebra de cabo, a energia é fornecida através de uma fonte estabilizada através de um cabo coaxial.
A terceira opção é o amplificador de sinal doméstico de TV Bi-Zone BI-330, que custa cerca de US $ 15. Esta é uma solução para uma casa de campo, localizada a uma grande distância da fonte de sinal.