Painel de controle da ventilação: dispositivo, finalidade + como montar
Edifícios industriais, instituições públicas e edifícios residenciais são equipados com redes de ar condicionado e ventilação com design complexo. Para organizar a operação de um sistema que combina muitos dispositivos técnicos, use o painel de controle da ventilação - SCHUV.
Diremos a você como montar uma blindagem que permita controlar o sistema de ventilação e definir o modo ideal para trabalho ou lazer. No artigo que apresentamos, os componentes estão listados, os recursos de sua conexão são descritos. A consideração de nossas recomendações ajudará a automatizar com competência o início e a parada do equipamento.
O conteúdo do artigo:
Nomeação do controle de ventilação do escudo
Se você precisar ativar ou configurar um sistema ou dispositivos divididos domésticos fornecimento de ventilaçãoFixado na abertura do duto de ventilação, nenhum nó de controle é necessário - cada dispositivo é controlado manualmente ou a partir de um controle remoto.
Mas se o comprimento das redes é grande e os dispositivos são instalados em locais inacessíveis: em minas, no telhado ou no sótão, em nichos especialmente projetados dentro das paredes, é necessário instalar uma unidade de controle remoto.

Os SCHUVs modernos são painéis com dispositivos de controle indicador ou armários metálicos instalados no chão ou suspensos na parede. Para proteger o conteúdo interno, são fornecidas portas giratórias que podem ser trancadas. Além do acrônimo SHUV, você pode conhecer o SHUV (gabinete).
As principais funções do SCHUV:
- controle de equipamentos incluídos nos sistemas de ventilação e ar condicionado;
- proteção das unidades contra ocorrência de superaquecimento, instalação e conexão incorretas, curto-circuito;
- ajuste de parâmetros críticos do equipamento, como desempenho ou potência;
- programar a operação de todo o sistema ou unidades individuais por um determinado período de tempo - dia, semana, mês;
- fornecer uma indicação que facilite o monitoramento e o ajuste;
- manter uma certa temperatura em várias salas, a capacidade de alterar rapidamente seus parâmetros;
- controle sobre as paredes internas dos dutos e o grau de contaminação dos filtros;
- prevenção de mau funcionamento de equipamentos dependentes de sazonalidade, por exemplo, aquecedores de água, que podem congelar a uma temperatura muito baixa.
A instalação de um quadro elétrico na empresa ou em um edifício residencial permite que o pessoal de manutenção monitore a operação do equipamento em um único local e responda rapidamente a falhas e paradas de dispositivos individuais. Os dispositivos que regulam os dispositivos de extinção de incêndio e aquecimento parcial também podem ser colocados no mesmo gabinete.

Em caso de emergência, por exemplo, um incêndio em uma das salas, o equipamento de ventilação para automática ou manualmente - a partir do painel de controle.
Recursos do dispositivo ShchUV
A instalação e montagem dos painéis de controle são realizadas de acordo com as regras e regulamentos ditados por documentos estaduais, como GOST R 51321.1. Armários para bombas e eletricistas, painéis de ventilação e sistemas de ar condicionado são montados em corredores, salas de serviço ou em salas especialmente designadas - quadros de distribuição.
Se o edifício tiver recursos, todas as unidades de controle, incluindo ventilação e incêndio, serão instaladas nas salas de controle.

Os fabricantes de equipamentos elétricos oferecem muitas configurações que diferem em tamanho, função, grau de proteção e nível de programação. As modificações mais simples são projetadas para atender imóveis residenciais particulares, complexos - empresas e edifícios públicos.
Requisitos para a configuração dos painéis de controle
Ao escolher o SHUV, eles são guiados pelos tamanhos de uma área de trabalho, uma oportunidade de instalação dos dispositivos necessários, ergonomia e segurança. O último ponto refere-se aos próprios instaladores, atendendo regularmente à rede e às pessoas que podem estar próximas.
Os principais requisitos para andВ e areВ são os seguintes:
- a blindagem deve acomodar todos os controles de ventilação e ar condicionado;
- nós importantes devem ser fornecidos com indicadores, leves, digitais ou conectados a um PC;
- os dispositivos responsáveis pelo equipamento mais significativo devem ter controle duplo - automático e manual.
Todos os aparelhos estão bem colocados no mesmo plano. O pacote deve ser tão simples e fácil de entender. Se a blindagem de ventilação for montada de acordo com todas as regras, se necessário, mesmo uma pessoa que não tenha conhecimentos de eletricidade poderá desligar os dispositivos de emergência.

O conteúdo e a funcionalidade dos escudos podem variar. Por exemplo, para alguns sistemas, é necessário um conversor de frequência, enquanto outros ficam sem ele. Os mais convenientes para o uso são armários e painéis com automação e controles remotos.
Visão geral do item de trabalho
Estruturalmente, isВ é uma caixa retangular de plástico ou metal com a classe de proteção exigida IP 45. Se as condições operacionais estiverem associadas a um risco aumentado, a classe de proteção será maior.
Dentro do gabinete são colocados dispositivos como fonte de alimentação, controlador e conversores.Vários disjuntores são responsáveis por dispositivos individuais: aquecedores, recuperadores, ventiladores, unidades de refrigeração, etc.
Um elemento obrigatório é um painel de controle manual. Também é necessária uma unidade de alarme, que é acionada em uma emergência e produz um alerta com sinais de luz ou som.

Os controles também incluem sensores. Este é um tipo de receptor que coleta várias informações sobre o estado do sistema e seu ambiente.
Eles medem a temperatura do ar e dos dispositivos, o grau de concentração de gás ou contaminação dos elementos do sistema, medem a velocidade do movimento do ar, etc. Os dados recebidos são enviados aos controladores automáticos e a operação dos elementos do sistema é ajustada.
Por função, os sensores são divididos nos seguintes tipos:
- temperatura;
- umidade;
- velocidade
- pressão, etc.
A temperatura pode ser digital ou analógica. Um sinal de aumento ou diminuição acentuado da temperatura interna pode fazer com que o sistema mude para outro modo.
Os sensores de umidade operam de acordo com o mesmo princípio. Como o movimento das massas de ar dentro dutos de ventilação pode ser reconhecido graças aos sensores de velocidade e pressão. No local da instalação, os sensores são divididos em interno e externo. Os primeiros levam os dados para dentro de casa, o último, também chamado de atmosférico ou de rua, fora dos prédios.

Alguns sensores são fixados na superfície das peças que precisam ser controladas. Eles levam os parâmetros dos próprios dispositivos, por exemplo, a temperatura do enrolamento, a velocidade de rotação, etc.
A instalação dos sensores é acompanhada por uma seleção cuidadosa. Por um lado, quanto mais informações, mais preciso o sistema funciona, mas, por outro lado, a operação e manutenção da rede se tornam caras em termos de consumo de energia.
Controladores trabalham em conjunto com sensores. Estes são os dispositivos que recebem informações e as processam no modo automático. Eles podem ser chamados de intermediários, desde então o sinal é transmitido aos atuadores: fluxostatos, ventiladores, unidades de refrigeração, aquecedores de ar.

Particularmente populares são os controladores de tipo universal, capazes simultaneamente de processar informações provenientes de vários sistemas: ventilação, aquecimento, etc.
Recomendações para a montagem de ШУВ
A instalação e o teste do conjunto de manobra devem ser realizados por especialistas com as qualificações adequadas; além de não ser recomendado, também é proibido montar e conectar elementos dentro do quadro ou quadro.
As caixas não são fabricadas com as próprias mãos, mas compradas prontas ou encomendadas, levando em consideração as especificidades do sistema de ventilação. Um conjunto de dispositivos é fornecido com o gabinete: disjuntores, controladores, fontes de alimentação, interruptores, elementos de proteção e fios.
Muitas vezes, verifica-se que o conjunto de dispositivos e peças não está totalmente equipado - não há fios ou disjuntores suficientes. Ao selecionar peças de reposição, é necessário manter a conformidade com as especificações técnicas (por exemplo, a seção transversal dos fios ou a força atual da máquina).

Antes de fazer o pedido, é necessário fazer uma lista de todos os dispositivos incluídos no sistema de ventilação, bem como expressar desejos quanto à troca de modos de operação, tipo de controlador, presença de determinados sensores. Em alguns SCHUVs, em vez de controladores, um relé é instalado.
Um exemplo de SCHUV é uma amostra com as seguintes características técnicas:
- nom. frequência - 50 Hz;
- tensão - 380 V;
- tensão do ventilador conectado - 220 V;
- potência do motor - 22 kW;
- nível de proteção - IP65;
- dimensões - 400x800x180 mm;
- vida útil - 10 anos.
Os modelos prontos estão marcados com uma legenda, que contém informações sobre a modificação e seu tamanho, grau de proteção, tipo de desempenho climático, número TU ou GOST. Neste último caso, os fabricantes são guiados pelo GOST 14254 e GOST 15150.
Os benefícios da instalação profissional
De acordo com as regras, instalação e manutenção sistemas de ventilação, bem como o schuV, devem ser realizados por especialistas com formação em engenharia. Eles são totalmente responsáveis pela seleção, instalação, conexão de dispositivos incorretos, bem como pela manutenção de dispositivos técnicos em condições impróprias ou de emergência.
Para determinar corretamente o preenchimento da blindagem ou do gabinete, os instaladores fazem o monitoramento completo da rede de ventilação.
Então você precisa fazer o seguinte:
- analisar a carga;
- escolha o esquema ideal;
- determinar os modos de operação dos dispositivos para aumentar a eficiência;
- pegue o equipamento.
A montagem em si leva um pouco de tempo: todos os dispositivos são montados alternadamente em várias fileiras, os fios são cuidadosamente conectados aos blocos de terminais e dispostos ao longo das linhas com feixes organizados, e então retirados.

Os instaladores profissionais têm experiência na instalação e operação do painel de controle; portanto, é improvável que cometer erros com a escolha do modelo e as nuances dos dispositivos de conexão. Além disso, eles são bem versados em circuitos. sistemas de ventilação de apartamentos e casas de campo e pode determinar rapidamente se há erros no desenho.
Se você não conseguir descobrir e conectar os dispositivos a tempo, de acordo com um esquema analfabeto - e isso também acontece -, você poderá criar uma emergência.
A venda e venda de painéis e armários é realizada por muitas empresas que fabricam ou vendem equipamentos de ventilação, refrigeração e aquecimento. Por exemplo, em Moscou, isso pode ser feito nas empresas Ruklimat, Roven, AV-Avtomatika, Galvent, etc.
Conclusões e vídeo útil sobre o tema
A aparência dos SHUVs na forma montada, que faz parte do “preenchimento”, como os dispositivos são montados e os fios conectados, pode ser vista nos vídeos abaixo.
Opções de montagem e instalação em fases:
Revisão de vídeo - um exemplo de montagem de um withВ com um aquecedor:
A automação de um sistema de ventilação ou de qualquer outro sistema é um processo responsável e caro. Se o equipamento for selecionado ou montado incorretamente, um acidente pode resultar em pessoas feridas, por exemplo, em uma fábrica de produtos químicos.
No mínimo, equipamentos que também são caros irão falhar. Por esses motivos, a instalação do SCHUV desde o estágio inicial do projeto até o final deve ser feita exclusivamente por especialistas.
Por favor, escreva comentários no bloco abaixo. Compartilhe informações que possam ser úteis para os visitantes do site. Faça perguntas, conte sobre como você instalou o painel de controle do sistema de ventilação com suas próprias mãos, poste uma foto no tópico do artigo.

Eu não acho que alguém na vida cotidiana precise de um escudo para controlar o sistema de ventilação, o equipamento automático para conectá-lo geralmente é colocado no escudo comum de uma casa / apartamento. Mas para empresas com lojas de produção, estações de serviço, confeitarias, lavanderias, especialmente para engenheiros de segurança, as informações são provavelmente muito úteis.
Boa tarde, Davidskent.
Os sistemas climáticos domésticos são controlados por aparelhos chamados termostatos. Em outras palavras, não há necessidade do SCW usual.
A Honeywell anunciou recentemente o lançamento de seu termostato compacto Prestige IAQ. As dimensões não são indicadas, mas anexei uma foto do momento do ajuste, permitindo-me avaliá-las. Os modelos anteriores, escreve o fabricante, eram o dobro.
O termostato monitora muitos parâmetros do clima interno, iniciando a operação de ventilação, ar condicionado, aquecimento. A tela de toque não exclui as configurações remotas de gadgets - é controlada em qualquer lugar do mundo, afirma o fabricante. A propósito, ele controla o sistema climático doméstico via wi-fi. A economia de recursos, segundo os testes, chega a 30%.
Por que não há nenhuma informação ou diagrama nas blindagens onde você pode ver o que e como esta ou aquela máquina é ligada ou desligada. Onde posso ver se existe documentação regulamentar onde essas informações devem ser escritas nos outdoors ou não?
Aqui nos painéis elétricos, vi que toda a informação é e é colocada dentro da blindagem - principalmente na superfície interna da porta. E tudo está claro: que tipo de fusível, automático, para onde eles vão, que desconexão etc.
Existem requisitos realmente diferentes para painéis de controle de ventilação e painéis elétricos? Por favor, explique ao amador se existe uma explicação documental, deve haver informações ou um diagrama nos outdoors ou não?
Boa tarde, Alexander.
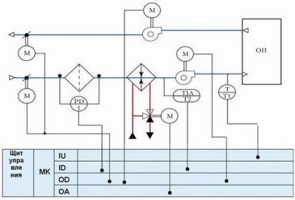
Os painéis de controle da ventilação diferem funcionalmente dos quadros elétricos. O objetivo deste último é a distribuição de eletricidade entre grupos, o que se presta a uma descrição gráfica. O objetivo do SCHUV é controlar muitos elementos interdependentes do sistema de ventilação. Para explicar claramente a complexidade da operação do painel de controle, apliquei seu diagrama funcional.
O funcionamento do sistema de ventilação requer a participação de muitos especialistas. O pessoal operacional possui diagramas mnemônicos suficientes - é mostrado na foto na seção “Recursos do dispositivo ShchUV”. A parte elétrica do dispositivo é ocupada por pessoal elétrico - é fornecida com um circuito diferente. A automação é realizada por terceiros especialistas, usando circuitos próprios.
Um diagrama completo da operação do SCHUV é fornecido no passaporte.