Réparation de robinet à faire soi-même: les défauts les plus courants et comment les réparer
Les problèmes de fuite des robinets sont pertinents pour les salles de bain, que nous utilisons plusieurs fois par jour. De petites gouttelettes dégoulinant lentement et en continu du mélangeur sont le premier signal qu'une réparation urgente est nécessaire.
Il n'est pas difficile de réparer la panne, ayant un concept de dispositif de mécanisme d'appareil. Comme on dit, la réparation de robinets à faire soi-même est une affaire de tous les jours. Dans ce document, nous parlerons des causes les plus courantes de pannes de grue et examinerons en détail comment les éliminer.
Le contenu de l'article:
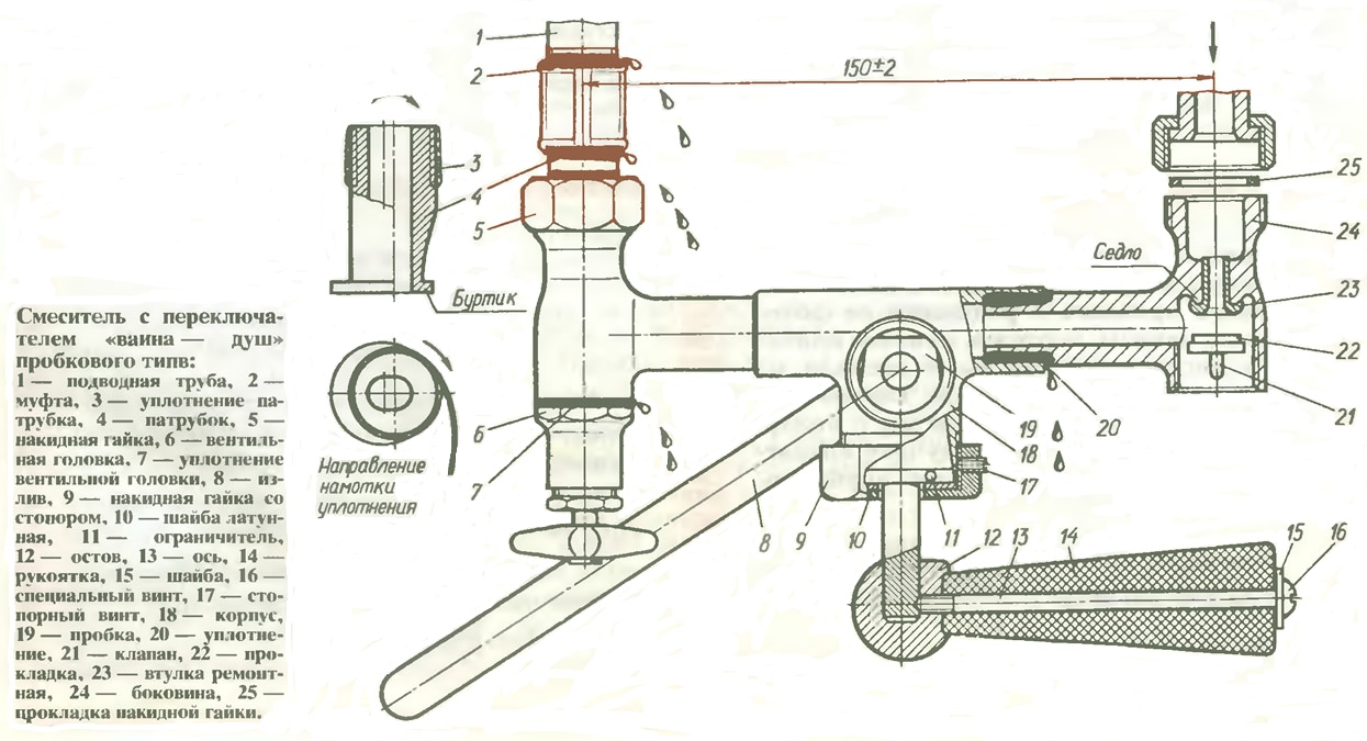
Réparer la vanne mélangeuse
Les problèmes typiques avec le mélangeur sont des fuites causées par:
- âme défaillante;
- défauts de bouchon conique;
- l'usure de la boîte d'essieu.
Mais le plus souvent, le joint en caoutchouc s'use, l'état de la grue dépend de son intégrité et de sa résistance.
Processus de remplacement du joint
Le plus souvent, la fuite de la soupape est causée par l'usure du joint en caoutchouc. C'est la situation la plus courante. Les deux robinets du mélangeur peuvent fuir.
Vous aurez besoin des outils montrés sur la photo:

L'épaisseur du nouveau joint est de 4 mm. Vous pouvez le fabriquer à partir d'un morceau de feuille de caoutchouc. Le processus de découpe est le plus simple, mais en cas de doute sur la qualité de la fabrication artisanale, il est conseillé à l'avenir de remplacer le joint fait maison par un produit d'usine.
En tant que modèle pour couper les joints, celui qui doit être remplacé convient.Si elle est trop déformée, il convient de noter que la pièce d'étanchéité fabriquée doit avoir un diamètre supérieur de 1 mm à la précédente.
Le bord résultant de l'augmentation du Ø doit être finalisé: couper le long de la circonférence du côté de contact avec le siège à un angle de 45 °, de sorte que ce scellant "s'insère" fermement dans le trou bouché et que la valve avec un nouveau joint ne fredonne pas.
Après avoir remplacé le joint, tout doit être remis à sa place. Réinsérez la boîte d'essieu. Habituellement, lors du retrait des boîtes d'essieu, il est toujours conseillé de traiter la cavité interne de la plaque. Cette plaque est généralement une conséquence de la dureté de l'eau. Dans l'assemblage inverse du mélangeur, une clé de plomberie est utilisée.
Réparation de soupape demi-tour
Dans la plupart des cas, les robinets ont des problèmes avec les vannes, en particulier les vannes semi-tournantes. La valve peut être changée ou réparée. D'une difficulté particulière dans la réparation d'un robinet de salle de bainnon.
Dans une vanne conventionnelle, qui est desserrée dans un mouvement circulaire, il est le plus souvent nécessaire de changer le joint ou la garniture de presse-étoupe. De brèves instructions pour remplacer le joint se trouvent ci-dessus, et en cas de problèmes avec l'emballage de la boîte à garniture, ils essaient généralement de serrer la boîte à garniture.
Un petit écrou situé à la base de la boîte d'essieu sera utilisé ici. La section transversale de cet écrou est carrée. Dans le sens horaire, serrez l'écrou à fond.
Si ces manipulations sont inutiles, vous devrez dévisser l'anneau du presse-étoupe. Après le dévissage, une boîte à garniture spéciale s'enroule autour de la tige de soupape. Ensuite, l'anneau devra être tordu bien en arrière. Toutes les actions ci-dessus aident à arrêter la fuite.

La réparation du siège de soupape - la cavité dans laquelle la grue est vissée - est nécessaire si, après avoir remplacé le joint ou la soupape de la grue, l'eau n'arrête pas de s'écouler de la soupape. Avec une utilisation prolongée du mélangeur, il se déforme souvent, ce qui provoque des fuites.
Les encoches et rayures qui apparaissent peuvent être éliminées par fraisage. Il faut faire défiler la section déformée avec un moulin. Après un tel défilement, le mélangeur est assemblé, et si la selle est correctement polie, il n'y aura pas de fuite.
Défaillance du commutateur d'eau
Pour résoudre ce problème, procédez comme suit:
- acheter un interrupteur;
- démonter la grue;
- Remplacez une pièce cassée.
Si des déformations du bouchon conique, qui sert à mélanger l'eau des tuyaux d'alimentation en eau chaude et froide, sont détectées, il doit être remplacé. Lors de l'élimination de toute panne, le débit d'eau est toujours bloqué. La photo suivante montre comment retirer le commutateur:

Lors de l'élimination des dysfonctionnements décrits ci-dessus, il n'est pas nécessaire de retirer le mélangeur du support. Mais il y a des problèmes plus globaux avec le mélangeur à soupape, qui sont également assez résolubles.
En savoir plus sur certains dysfonctionnements des mélangeurs à fiche et comment les corriger.
Vous pouvez fixer le mécanisme de l'interrupteur de trop-plein de douche sans le remplacer. Considérez la façon originale de fixer le volant du commutateur sur le stock:
Il suffit maintenant de percer un trou sur la tige de l'interrupteur et d'assembler le mélangeur:
Fuite à la jonction du raccord et du tuyau
Éliminez la fuite, en suivant un certain algorithme, puis changez le mélangeur.
Algorithme:
- Au départ, dans cette situation, l'eau est coupée. Des robinets d'arrêt spéciaux sont situés sur les tuyaux d'eau.
- Après chevauchement pour les tests, les grues sont tournées dans le sens de l'ouverture au maximum.
- Ensuite, les écrous de connexion sont desserrés très soigneusement. Avec des conceptions de mélangeurs modernes, ils se cassent facilement. Les écrous en laiton classiques sont plus faciles à dévisser. Ils ne se fissureront ni ne se briseront. Un écrou cassé est nécessaire pour rechercher un analogue de forme.
- Ensuite, retirez le mélangeur.
Lors du retrait du mélangeur, un tuyau est tourné, à la limite duquel une fuite est détectée avec le raccord. Les faces du tuyau lors du tournage sont maintenues avec une clé ou un collier. Un écrou est vissé sur le tuyau retiré. Vous devez le serrer correctement jusqu'à la fin. Le nouvel écrou provient de l'ancien mélangeur. La fiabilité de l'installation de l'écrou est déterminée par rapport à sa position initiale.
Lorsqu'il s'agit de remplacer le mélangeur, assurez-vous de déterminer la taille des buses. Le mélangeur est toujours vendu complet avec eux. Si des différences sont trouvées entre les anciens et les nouveaux tuyaux, les deux sont modifiés, et pas seulement celui qui coule. S'ils sont identiques, un seul peut être modifié.
Pour comprendre comment la fuite est nettoyée dans ce cas, considérez le diagramme:

Lors de l'installation du tuyau, il peut y avoir des nuances. Lors du vissage, cette pièce est tenue par l'épaule. Dans le même temps, le fil pour deux tours doit rester libre. Des fils d'étanchéité sont enroulés autour du reste.
En règle générale, ce joint est conseillé de tremper avec de l'huile de lin ou de la peinture à l'huile. Après un tel mouillage, vous devez immédiatement visser un tuyau à son emplacement prévu - cela sert de garantie contre la reformation d'une fuite.
Fuite entre le flanc avec casquette écrou
Après avoir fermé l'eau, ils essaient d'abord de serrer l'écrou, puis, une fois l'eau fournie, ils vérifient les fuites. Tout en maintenant la fuite, l'écrou est dévissé et le mélangeur se déplace le long de la buse plus près du mur. Ensuite, vous devez retirer le tuyau monté sur le support.
Ceci est nécessaire pour réguler la position du mélangeur. En déplaçant le mélangeur, ils regardent l'extrémité du tuyau, car c'est par rapport à lui que l'emplacement de l'appareil est modifié.
Cela se fait jusqu'à ce qu'il devienne possible de retirer l'ancien joint, qui est adjacent à l'écrou et assure l'étanchéité. Vous pouvez essayer de retirer le joint sans toucher le mélangeur. Cela échoue souvent. La raison en est l'adhérence du joint au tuyau (à son extrémité).
Il n'est pas non plus possible de retirer le joint retardé. Ensuite, l'âme est détachée du mur. Cela aidera à tourner le mélangeur. Tous les écrous du mélangeur sont desserrés pour faciliter la rotation.
Le joint de remplacement est simplement découpé dans des feuilles caoutchoutées. En épaisseur, elle devrait être de trois à cinq millimètres. Sur un écrou, il faut prudemment laisser une place libre pour deux fils d'un fil. Après avoir remplacé le joint, tout se met facilement en place.

Parfois, une fuite apparaît entre le corps et le flanc. Le mitigeur est séparé de la tuyauterie, puis de la douche. Retirez le nez. Le flanc se révèle. Puis lubrifié avec du mastic. Au lieu de mastic, vous pouvez utiliser de la peinture. N'utilisez pas de mélangeur tant que le lubrifiant n'est pas complètement sec.
L'eau ne pénètre pas dans le bec ou la douche
En règle générale, le problème est lié aux blocages à l'entrée du mélangeur. Les tuyaux et les parois latérales peuvent être bouchés. Pour corriger la situation, vous devrez nettoyer le blocage. Pour ce faire, la tête de soupape est tournée. Ensuite, un fil d'acier est inséré dans le trou résultant. Nous sortons tous les déchets, le sable. Ensuite, vous pouvez nettoyer la cavité avec une solution de vinaigre de plaque.
Nuisance similaire - pUne forte diminution de la pression de l'eau de la buse. Habituellement, la cause du problème réside dans le colmatage de l'aérateur. Il est résolu en le dévissant et en nettoyant les filets. Ils sont purgés puis lavés. Vous pouvez utiliser une aiguille pour retirer le sable du filet.

Et si l'eau coule, mais que le nez tombe? Cela est dû au fait que la bague de verrouillage est cassée. Il existe une solution temporaire avant d'acheter une nouvelle pièce.
Une fois les vannes fermées, une bague d'expansion doit être réalisée. Il est généralement fait de fil de cuivre. Le diamètre du matériau de la bague doit correspondre au diamètre de l'ancien produit. Une fois la bague réalisée avec un fer à souder, il est conseillé de la traiter avec de l'huile liquide. Cela empêchera la rouille.
Les vannes mélangeuses tournent-elles à 360 °?
Cette situation est causée par la perte ou la rupture du limiteur. Sachant où se trouve cette pièce, il est facile de revenir à sa place.Pour ce faire, démontez le mélangeur, repérez un dysfonctionnement et remettez l'élément à sa place en infligeant des coups légers sur la partie saillante du limiteur avec un marteau. De plus, le limiteur peut être remplacé par un petit morceau de fil de laiton - cela résoudra au moins temporairement le problème des fuites.
Façons de résoudre les problèmes avec une douche
Parfois, des problèmes surviennent avec un tuyau de douche et un arrosoir, plus souvent en raison de l'usure d'éléments individuels ou d'une mauvaise qualité de l'eau.
Mauvaise alimentation en eau à travers la paroi de la douche
En règle générale, l'eau ne passe pas bien à travers le filet avec des obstructions dans ses ouvertures. Ici, après avoir retiré la maille, il est facile de la nettoyer avec un poinçon ou une aiguille ordinaire.

Après avoir revissé le treillis, l'alimentation en eau et la direction des cours d'eau sont rétablies. Le panneau en plastique avec des trous et le reste de la douche et du mélangeur peuvent être essuyés avec une solution de vinaigre de la plaque et des taches.
Tuyau de douche et drain qui fuient
Si une fuite est apparue en raison de l'usure à l'intérieur ou du bobinage, il est inutile de réparer le tuyau; il est plus facile d'en acheter un nouveau. Son coût est faible et la durée de vie des nouvelles modifications est beaucoup plus longue.

Si le drain et la douche fuient en même temps, le point est dans le joint lâche entre le bouchon et le corps. Pour corriger la situation, la vis de verrouillage est d'abord desserrée. La prochaine étape tire vers le haut. casquette les noix. Cela réduit les fuites, mais il est difficile de passer l'eau du drain à la douche.
Pour éliminer complètement la fuite, vous devez broyer le liège sur le corps du mélangeur, en utilisant des compositions pâteuses de broyage spéciales. Ils sont vendus dans de nombreux magasins.
Nous vous recommandons également de lire notre article sur d'autres pannes robinet de salle de bain avec douche.
Réparation du mélangeur avec levier
La plupart des gens préfèrent le levier joystick robinets. Il est très pratique de les utiliser, car seule la poignée du mélangeur est tournée pour atteindre la température d'eau souhaitée. Il est également très facile de créer la pression d'eau souhaitée en déplaçant le levier de haut en bas.
Pour comprendre comment moi-même fixer mitigeur monocommande, vous devez avoir une idée de son appareil.
Au lieu de vannes de fermeture d'eau avec joints, il existe des cartouches spéciales. Ce sont généralement des billes ou des disques. Il n'est pas nécessaire de les changer aussi souvent que les mêmes joints. Vous ne pouvez pas remplacer une cartouche de disque par une cartouche à billes. Pour le mélangeur à levier à bille, seules leurs cartouches conviennent, et pour le mélangeur à disque - le leur.
Nettoyage de l'interrupteur et de l'aérateur
Articulés, ils sont monocommande ou joystick, les mitigeurs sont extrêmement sensibles à la qualité de l'eau du robinet. Par conséquent, souvent des dysfonctionnements ne se produisent pas en raison de la rupture ou de la défaillance du dispositif de verrouillage, mais en raison de l'apparition de sédiments et du colmatage des articulations des pièces mobiles.
Voyons comment le modèle a été nettoyé pour disposer une baignoire Grohe Eurosmart 3300001 avec un mécanisme 08915 situé sur le nez, qui commute la douche sur le bec. Cet appareil n'a pas fonctionné, l'eau est allée simultanément au pommeau de douche et au jars.
Notez que le maître n'a pas eu à remplacer les pièces et les joints, il suffisait simplement d'enlever la rouille et les excroissances calciques.
Après avoir nettoyé et rincé le mécanisme de commutation, il reste à "gérer" la pression. Il s'est avéré qu'il suffit pour cela de nettoyer l'aérateur du bec:
Démontage du mélangeur à billes
Après le chevauchement traditionnel de l'eau, nous dévissons l'attache du mélangeur. Ensuite, vous devez retirer le levier aussi soigneusement que possible, et vous devez le faire avec précaution, en le desserrant lentement. Levez et tirez le levier uniquement lorsqu'aucune résistance n'est ressentie. Pour continuer à travailler, dévissez la connexion filetée.
Après avoir démonté le dôme du mélangeur, le composant en plastique sera visible. Derrière, il y a généralement un joint visible qui doit être nettoyé ou remplacé. Il s'agit d'un joint en caoutchouc ordinaire. Si l'élément sphérique est endommagé, il doit également être remplacé.
Le ballon est fixé avec des joints dont l'adéquation doit être contrôlée.

Les robinets à levier (joystick) nécessitent une manipulation soigneuse, vous devez les utiliser facilement et en douceur.
Remplacer une cartouche de remplacement
Lors de l'installation d'une cartouche, vous devez faire attention à ce que les saillies sur elle soient identiques aux saillies sur le mélangeur.

Les cartouches de disque doivent rarement être remplacées car elles durent jusqu'à 10 ans. Mais les robinets avec une telle dépense ne sont pas bon marché, bien qu'ils se justifient pleinement.
Entretien de la console de mixage: comment prolonger votre durée de vie
Un peu sur la façon de déplacer la réparation du mélangeur pendant une longue période. L'une des solutions simples consiste à surveiller la qualité de l'eau fournie au mélangeur à l'aide de filtres de nettoyage mécaniques modernes.Les solides de sable et de galets ne gâcheront pas les détails et ils fonctionneront beaucoup plus longtemps.
Installation recommandée filtres grossiers au début de la fourche dans l'approvisionnement en eau de la maison. Aujourd'hui, un filtre autonettoyant est à la disposition du consommateur. Tous les sédiments filtrés sont envoyés directement à l'égout.
La possibilité d'installer un grand filtre n'est pas toujours là. Lorsqu'il n'est pas là, le mélangeur lui-même est connecté aux robinets de raccordement, où les filtres de nettoyage sont déjà intégrés.
Il existe des filtres qui aident à réduire la dureté de l'eau. Ceci est important pour les robinets en céramique, car ils souffrent plus que d'autres en raison de la présence de dépôts de sel dans l'eau.
Et enfin, les conseils de plombiers expérimentés. Si les tuyaux bourdonnent lorsque le mélangeur est allumé, vous devez vérifier la façon dont ils sont fixés et, si nécessaire, les fixer avec des colliers.
Dans certains cas, le buzz est dû à une pression élevée dans les tuyaux, vous devrez alors installer un engrenage spécial pour réduire la pression. Souvent, ce bruit est causé par la détérioration des joints de soupape, après remplacement, il disparaît.
Notre site contient un article complet sur la question. tuyaux qui bourdonnent, nous vous recommandons de le lire.
Conclusions et vidéo utile sur le sujet
Avant le prochain remplacement du joint, il sera utile de regarder la vidéo suivante:
Dans certains cas, les problèmes avec les robinets sont un évier mal placé ou le mauvais modèle. La plupart des problèmes peuvent être résolus par eux-mêmes, mais si des difficultés surviennent, il est préférable d'appeler la plomberie - les conseils ou les réparations d'un professionnel n'ont dérangé personne.
Veuillez laisser vos commentaires, partager l'expérience de l'utilisation et de la réparation des robinets, poser des questions dans le bloc ci-dessous. Nous sommes toujours prêts à clarifier des points incompréhensibles et à aider à résoudre le problème.

Voilà combien de fois j'ai essayé de réparer les robinets, j'étais tellement convaincu que le libre-service ne peut consister qu'à remplacer les joints. Mais pour les grues à demi-tour et à levier, il est préférable de ne pas acheter de kits de réparation, mais de remplacer la vanne ou la cartouche dans son ensemble. En fait, il n'y a qu'une seule raison pour un tel remplacement - les kits de réparation fonctionnent moins que les nouveaux éléments. Ici, toute la question est de savoir si la réparation en vaut la peine.
Igor, je suis fortement en désaccord avec vous! L'expérience est une entreprise. Une fois, je n'ai rien compris non plus dans la plomberie en général et dans les robinets en particulier. Et puis c'est devenu une honte. Et j'ai commencé à étudier. Les yeux ont peur - les mains aussi, connaissez-vous une telle expression? C’est juste l’endroit. Maintenant, je peux le réparer et effectuer moi-même le remplacement du mélangeur.
Et en passant, je ne suis pas d'accord avec vous sur les kits de réparation. Cela dépend de celui à acheter! Si vous voulez dépenser un minimum, alors oui, vous retournerez bientôt au magasin. Et les kits les moins chers ne se servent pas assez longtemps. Une autre chose est que si le mixeur dans son ensemble est obsolète, et que vous essayez de le réanimer encore et encore, cela n'aidera pas. Ça casse ailleurs de toute façon.