Comment retirer le climatiseur vous-même sans perdre de fréon: un guide détaillé pour démonter le système
Les climatiseurs à usage domestique et de bureau, ainsi que ceux utilisés dans le secteur industriel, fonctionnent généralement avec un frigorigène spécialisé. Cette substance chimique peut prendre un état différent - liquide ou gazeux, en fonction de paramètres tels que la pression et la température.
La pratique du fonctionnement des climatiseurs n'exclut pas la nécessité de démonter, par exemple, de réparer. Dans de tels cas, le propriétaire commence à étudier des informations sur la façon de retirer le climatiseur vous-même sans perdre de fréon, afin que vous puissiez essayer de réparer la panne sans faire appel à des spécialistes. Nous expliquerons comment cela peut être fait de nos propres mains dans notre matériel.
Le contenu de l'article:
Ce que vous devez savoir sur le climatiseur frigorifique?
Malheureusement, la défaillance des climatiseurs, comme d'autres équipements, n'est pas rare. Par conséquent, un maître potentiel, même "à domicile", aura besoin d'informations théoriques et de base concernant le même fréon s'il envisage d'installer, de démonter ou de réparer le climatiseur.
Les appareils de climatisation modernes, domestiques ou de bureau, utilisent du réfrigérant pour le travail, dont la marque est indiquée dans le certificat de climatisation, ainsi que directement sur le boîtier de l'équipement.

Par conséquent, la première chose que vous devez savoir pour un maître à domicile est, bien sûr, la marque du réfrigérant utilisé dans le système. La marque de fréon est déterminée en lisant les informations sur la plaque technique de l'appareil, qui est toujours présente sur le boîtier du module extérieur.
À quoi servent ces informations? Pour la bonne exécution de l'installation (démontage) et de la mise en service.

Le fréon est une substance très fluide. Autrement dit, en présence d'une violation, même légère, de l'étanchéité du système, ce réfrigérant sort complètement. Cette classe de substances fait référence aux produits chimiques qui peuvent détruire la couche d'ozone de l'atmosphère. En conséquence, le rejet de fréon dans l'atmosphère est inacceptable, en principe, même en petits volumes.
Lors de l'installation d'un nouveau climatiseur, le risque de fuite de réfrigérant est minime, mais le processus nécessite une certaine approche technologique. Cependant, la situation est complètement différente lors du démontage du système. Nous parlerons plus loin de la façon de retirer le climatiseur afin que le fréon ne fuit pas.
Démontage du climatiseur avec conservation du fréon
Envisagez deux options pour démanteler un système domestique divisé avec une conservation complète du fréon, auxquelles les utilisateurs potentiels de climatiseurs doivent faire face:
- Démontage de l'installation de travail.
- Démontage d'une installation ayant échoué.
Les deux options sont la réalité de la pratique actuelle de fonctionnement des climatiseurs domestiques et autres climatiseurs.

Soit dit en passant, la deuxième option, lorsque vous devez démonter une machine défectueuse, est encore plus courante que la première. Les climatiseurs fonctionnels sont démontés assez rarement, ce qui permet aux machines de fonctionner pendant toute la période déclarée par le fabricant.
Option 1 - démantèlement de l'équipement de travail
Ce cas de démantèlement est généralement associé au déplacement de l'utilisateur vers un autre lieu de résidence (travail, etc.). Certes, ils vont parfois démanteler l'équipement en rapport avec le remplacement par un modèle plus moderne (moderne).
Considérez les principales étapes du démontage du système avec la conservation du fluide frigorigène.
Étape # 1 - pomper le fréon du système
Quel que soit le but du démontage de l'équipement de travail, le climatiseur doit d'abord être «mis en veilleuse».
Ce terme est destiné à:
- démonter le système en modules séparés;
- déconnexion pipelines linéaires;
- déconnexion des connexions électriques;
- économiser du fréon dans le système.
Avec un climatiseur fonctionnel (entièrement fonctionnel), il est relativement facile de réaliser les éléments marqués dans la liste. Il suffit de pré-pomper le fréon présent dans l'évaporateur (partie du module intérieur) et dans les tubes en cuivre reliant l'unité intérieure à l'unité extérieure.

Il est à noter: dans ce mode de réalisation, le fluide frigorigène est entièrement évacué par des moyens locaux - autrement dit, directement par le compresseur de climatisation.
Les actions des utilisateurs sont les suivantes:
- Fermez la valve pour fournir du fréon à l'évaporateur (sur un tube plus petit).
- Laissez la vanne ouverte sur la ligne d'échappement de vapeur (sur le tube de plus grand diamètre).
- Allumez la climatisation mode de refroidissement.
- Attendez le moment où le système s'arrête automatiquement (à basse pression).
- Fermez la vanne sur la conduite de ventilation.
Donc, en termes généraux, une technologie ressemble à celle qui démontre comment retirer correctement un climatiseur domestique tout en maintenant le fréon dans l'un des modules du système (module extérieur).
Après avoir effectué cette procédure, il ne reste plus qu'à démonter l'unité de climatisation en modules séparés pour le transporter vers un autre site d'installation.
Étape # 2 - Démontage en modules d'un système split domestique
Ensuite, nous considérons la séquence d'actions pour diviser le climatiseur en modules. Mais cela est soumis à la procédure ci-dessus pour le pompage du compresseur de fréon.
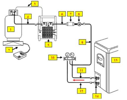
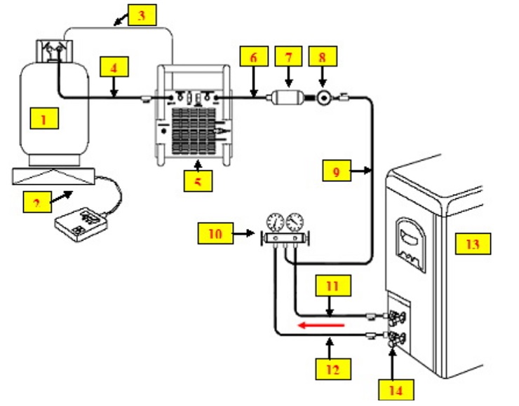
Il est donc recommandé de connecter la station de mesure à un raccord spécialement conçu pour le remplissage / pompage du fréon.Ce port de service (nommé selon les spécifications standard) fait partie de la conception de la vanne d'arrêt de la conduite de gaz (ligne de plus grand diamètre). Le raccord est fermé par un bouchon à vis en laiton, qui doit d'abord être retiré.

La connexion de la station manométrique à l'orifice de service est réalisée par un manomètre (manovacuomètre), conçu pour contrôler le côté basse pression. Sur les appareils de marque, cette partie de l'équipement (y compris le tuyau adaptateur) a généralement une couleur bleue. Dans le même temps, la vanne d'arrêt du manomètre bleu de la station doit rester en position «fermée».
L'orifice de service (raccord) de la conduite basse pression a un clapet anti-retour intégré. Lorsqu'un tuyau équipé d'une tête filetée spéciale est connecté au raccord, le clapet anti-retour s'ouvre en appuyant sur la barre de tête sur la tige de soupape. Par conséquent, la connexion / déconnexion au port de service (vissage de la tête) doit être effectuée rapidement, mais avec soin.

Après avoir connecté le manomètre, il indiquera la présence / absence de pression dans la conduite. S'il n'y a pas de pression, vous pouvez déconnecter en toute sécurité les canalisations connectées à l'unité extérieure en dévissant les écrous de fixation du raccord. Sinon, répétez la procédure de pompage du réfrigérant vers le compresseur.
Ensuite, l'électricité fournie aux unités extérieure et intérieure est coupée, ainsi que le câblage électrique aux bornes des modules. Il est recommandé de numéroter les conducteurs électriques si vous prévoyez d'utiliser de vieux fils nouvelle installation.
Étape # 3 - Suppression des blocs du site d'installation
La prochaine étape de l'opération de démantèlement d'un système de répartition des ménages en fonctionnement est purement physique. Vous devrez retirer les modules de climatisation (externes et internes) directement du site d'installation.
Situé à faible hauteur, le module externe de faible poids (jusqu'à 50 kg) peut être retiré manuellement - par deux personnes et en utilisant des escaliers si nécessaire. En hauteur, si le module externe est situé à côté de la fenêtre, le retrait manuel de l'appareil est également tout à fait possible. Bien que dans ce cas, il convient de rappeler qu'il s'agit d'un événement plutôt risqué et dangereux.

Bien sûr, il faut considérer la procédure de démontage du module extérieur comme des options de démontage d'une grande hauteur lorsqu'il n'y a pas de terminaux dits «cargo» à proximité - fenêtres, portes, etc.
Pour de tels cas de déménagement, ils utilisent généralement des équipements supplémentaires et ont également recours aux services des services:
- grimpeurs;
- tours mécaniques;
- grues, etc.
Le module interne d'un système divisé ne pose généralement pas de problèmes particuliers lors des travaux de démontage. Bien que, lors de l'installation du système de climatisation, la transition des canalisations à travers le mur ait été soigneusement scellée, il est nécessaire d'ouvrir soigneusement cette zone du mur afin de retirer une partie des tuyaux linéaires sortis. Auparavant, avant de travailler avec des tubes linéaires en cuivre, la connexion du pipeline est déconnectée directement sur le module intérieur et le module lui-même est retiré des attaches.
Certes, il est parfois judicieux de ne pas déconnecter les tubes en cuivre du module interne, en démontant cette unité du système avec les pipelines. Cependant, cette option est valable à condition qu'une ligne courte (pas plus de 1,5-2 mètres) relie les modules du système.

Étant donné que le module interne du système de séparation domestique est suspendu sur les bords supérieurs de la plaque de montage fixée au mur, pour le retirer, abaissez légèrement le bord inférieur du boîtier adjacent au mur, puis tirez la partie inférieure du boîtier vers vous. Grâce à ces manipulations, il sera possible de déchirer la zone inférieure du boîtier des loquets.
Ensuite, si vous soulevez légèrement le boîtier, le module interne du système divisé peut être facilement retiré.
Si vous rencontrez des difficultés lors du démontage et qu'il y a une fuite de fréon, ne vous inquiétez pas. Après une nouvelle installation du climatiseur, vous devez prendre soin de la bonne charge de réfrigérant.
Option 2 - démonter un climatiseur qui ne fonctionne pas
La situation avec le pompage de fréon du système, lorsque le compresseur du climatiseur domestique ne fonctionne pas pour une raison ou une autre, est bien pire par rapport à la première option.
À compresseur de ralenti climatiseur pour réaliser la fonction de pompage de fréon au niveau local ne réussira pas. Que faire dans de tels cas? Comment retirer et démonter le climatiseur pour que le fréon ne s'échappe pas?

Cette option de pompage implique, en règle générale, l'implication des prestataires de services, car il n'y a aucun moyen de se passer de l'utilisation d'un équipement spécial - une station d'élimination du fréon.
L'utilisation d'une station de pompage de fréon vous permet de libérer complètement le système de climatisation de la présence de réfrigérant. De plus, si nécessaire, la station d'élimination vous permet de créer en plus un vide à l'intérieur du circuit du module extérieur du système de climatisation démonté.
Un conditionneur non fonctionnel est débarrassé du fréon, en appliquant systématiquement deux méthodes d'élimination du réfrigérant:
- Liquidation d'une substance liquide.
- Liquidation d'une substance gazeuse.
Le processus de pompage du fréon d'un système de climatisation inopérant s'accompagne dans un premier temps d'actions de collecte de la phase liquide. Les vannes d'arrêt sur la tuyauterie linéaire du climatiseur sont en même temps complètement ouvertes.

Outre les vannes d'arrêt, il est également nécessaire d'ouvrir les électrovannes de commande prévues par le circuit du module extérieur.
Pour se traduire en position ouverte, une tension d'alimentation temporaire correspondante est appliquée aux bobines de la vanne (généralement indiquée sur le corps de la vanne ou dans la documentation du climatiseur).

Ensuite, un conteneur (bouteille de fréon) est installé sur la balance, équipé d'un terminal bidirectionnel (gaz et liquide). La bouteille doit correspondre à la marque de réfrigérant - par exemple, être adaptée spécifiquement au stockage du R22 Fréon, si ce réfrigérant est pompé.
Connectez les tubes de service à la bouteille et ouvrez les vannes correspondantes (liquide ou gaz) sur la bouteille.
À l'étape suivante des travaux, ils ouvrent la station de liquidation de Fréon et ouvrent les vannes de la station de manomètre, qui était auparavant connectée au circuit de liquidation du réfrigérant à partir d'un climatiseur hors service. Le pompage du fréon est contrôlé par une station à jauge de verre.
De la même manière, le fréon gazeux est pompé, la seule différence étant que dans ce cas une soupape de gaz est ouverte sur le cylindre d'assemblage.

Il convient de noter que le système de pompage de fluide frigorigène permet de remplir la capacité d'assemblage - cylindre, pas plus de 80%. En règle générale, l'algorithme de fonctionnement de la station de liquidation de réfrigérant est ajusté à ce paramètre de volume. La conception même de la station de liquidation est équipée de capteurs spéciaux pour surveiller le volume collecté.
Lorsque l'élimination du fréon est terminée, vous pouvez procéder à démontage du climatiseur.
Conclusions et vidéo utile sur le sujet
Les caractéristiques de l'évacuation du fréon sont clairement présentées dans la vidéo suivante:
Le démontage d'un climatiseur domestique doit toujours être effectué en tenant compte de l'évacuation complète du réfrigérant afin d'éviter la perte de fréon. Pendant ce temps, dans la pratique, la situation inverse se produit assez souvent lorsque le fréon est simplement déversé dans l'atmosphère. Cette approche est inacceptable, car elle viole l'environnement naturel de l'existence humaine. Autrement dit, les gens s'empoisonnent en recourant aux méthodes de drainage banal du fréon sans règles.
Vous souhaitez partager votre propre expérience dans le pompage de fréon et donner des recommandations de réparation utiles? Ou avez-vous des questions que nous n'avons pas abordées dans cet article? Demandez-les à nos experts et aux autres visiteurs du site dans la section commentaires sous cet article.
