Comment faire un aspirateur de vos propres mains: instructions détaillées pour assembler un appareil fait maison
«Il a des mains d'or» - c'est ce qu'ils disent des maîtres capables d'assembler le miracle de la technologie moderne à partir de matériaux improvisés. Malgré l'abondance d'équipements prêts à l'emploi peu coûteux dans les magasins, les artisans autodidactes conçoivent et créent avec succès des appareils électroménagers, des unités pour le terrain de jardin et des appareils très efficaces pour l'atelier.
Il s'avère que vous pouvez également assembler un aspirateur de vos propres mains. L'essentiel est de comprendre le design, de trouver les détails nécessaires et d'allouer du temps libre. Nous proposons trois modèles intéressants pour des expériences indépendantes.
Le contenu de l'article:
Aspirateur de construction d'un vieux ménage
Si vous travaillez constamment avec la technologie, les caractéristiques de conception et les principes de fonctionnement deviennent clairs.
Et si nécessaire, vous ne dépenserez plus d'argent pour des produits de marque aspirateur de chantier, et en quelques soirées, vous fabriquerez un appareil dont les caractéristiques ne sont pas inférieures au «nettoyeur» sans torsion.

Il en est de même pour l'auteur d'un modèle de construction, basé sur un aspirateur Whirlwind défectueux. Nous vous proposons de vous familiariser avec le processus de fabrication d'un aspirateur de chantier.
Dans la fabrication de produits artisanaux, vous devez prendre en compte les caractéristiques de la pièce et certaines des nuances de la sélection et de la fixation des éléments structurels individuels. Les conseils suivants sont utiles pour l'assemblage de l'aspirateur.
Que faudra-t-il pour l'altération?
Littéralement, tous les produits impliqués dans la modernisation ont déjà été utilisés, par conséquent, ne nécessitent pas de coûts d'acquisition. Si certains détails n'ont pas été trouvés à portée de main, ils peuvent être achetés pour un sou sur le site de vente en ligne ou trouvés dans une décharge.
Certes, il est recommandé d'utiliser néanmoins un nouveau filtre - pour le fonctionnement de haute qualité de l'aspirateur, ainsi que d'acheter quelques petites choses: une prise, des pièces pour une carte électrique, des fils, des attaches.
Le coût total d'achat de nouvelles pièces s'élevait à 800 roubles., Et l'élément le plus cher était une douille - 350 roubles. Détails pour le conseil d'administration coûte 250 roubles., Filtre - 200 roubles.
En plus des pièces énumérées, vous aurez besoin d'une douille, d'un morceau de tapis de voiture en caoutchouc pour la pose, d'un outil de travail:
- percer avec un ensemble de couronnes et de forets;
- tournevis;
- scie sauteuse;
- crayon avec une règle, boussole.
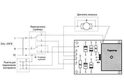
Comme fixations, il y aura non seulement des vis autotaraudeuses, mais aussi des boulons, par conséquent, pour serrer les écrous, des clés de la bonne taille seront nécessaires. Pour connecter des éléments individuels - un interrupteur, une carte électronique et un câble réseau - vous devez dessiner un schéma à l'avance.

Pour que l'amélioration de l'ancien appareil plaise à un résultat réussi, vous devez savoir comment aspirateur fonctionne. Ainsi, le maître de maison comprendra quoi et dans quel but il modernise.
Instructions de fabrication étape par étape
Une fois tous les détails de la future unité et des outils préparés, vous pouvez procéder au montage. Mais vous devez d'abord vous conformer aux normes de sécurité - portez des vêtements de protection, des gants de travail.
Ordre de travail:
- Étape 1 - Installation d'une prise. Nous forons un trou dans la partie supérieure du couvercle avec une couronne de 42 mm de diamètre. Entre la sortie et la carrosserie, nous mettons un joint en caoutchouc découpé dans le tapis de voiture. Pour la fixation, nous utilisons des vis autotaraudeuses.
- Étape 2 - schéma de câblage. Sur le couvercle, nous forons de petits trous pour l'interrupteur à bascule et pour la fixation du circuit. La planche ne doit pas toucher le boîtier, nous l'installons donc sur des supports découpés dans un stylo plume.
- Étape 3 - Fixation du commutateur à bascule. En conséquence, un interrupteur et une prise pour un outil électrique doivent être installés à l'extérieur du couvercle, et une carte électronique à l'intérieur.
- Étape 4 - Connexion du câble d'alimentation. Il est préférable de souder le câble, avec deux fils au commutateur, et la troisième mise à la terre va à la grande vis de montage, à laquelle la terre est déjà connectée depuis la prise. Cela est nécessaire pour mettre l'appareil à la terre.
- Étape 5 - Fixation du filtre. Au fond du dépoussiéreur et dans le couvercle du réservoir, nous découpons des trous de 95 mm, percons des trous pour les vis sur la circonférence, coupons un bouchon en contreplaqué, serrez toutes les pièces avec des vis. Nous fixons le filtre avec une épingle à cheveux sur la barre.
- Étape 6 - Installez le tuyau d'aspiration. Nous forons un trou dans le haut du réservoir avec une couronne de 57 mm. Nous y insérons un tuyau pré-assemblé avec une bride, qui peut être construit à partir d'un morceau de tuyau d'égout.
- Étape 7 - Assemblage de l'aspirateur. Nous installons le réservoir de collecte des ordures, le fermons avec un couvercle pour que le filtre soit à l'intérieur. Ensuite, nous attachons une partie de l'ancien aspirateur avec le moteur, le serrons avec une pince métallique.
- Étape 8 - connexion du tuyau. Au lieu d'un tuyau, vous pouvez utiliser un tuyau ondulé de plomberie. Nous l'insérons dans le tuyau de raccordement, puis allumons l'appareil. Les tests peuvent être effectués en enlevant le sable ou la sciure.
Lors des tests, faites attention à la puissance d'aspiration et à l'étanchéité de la poubelle. Si les pièces ne sont pas adjacentes les unes aux autres de manière lâche, la puissance de l'unité diminuera sensiblement.

Mais il est nécessaire de faire un autre test - avec un outil électrique.
Nous insérons le bouchon de la scie sauteuse ou de la scie circulaire dans une prise sur le boîtier, allumons l'outil. Avec lui, l'aspirateur devrait fonctionner automatiquement.
Aspirateur cyclone d'atelier
Une autre version de l'aspirateur de construction, mais avec un design compliqué. Ce remplacement pour un modèle industriel acheté est fabriqué à partir d'un ancien aspirateur, d'un récipient en plastique et filtre cyclone.
La particularité réside à l'intérieur de la structure - c'est un boîtier métallique pour protéger le filtre.

Le coût de la fabrication maison est déterminé par les coûts des pièces individuelles. Un vieil aspirateur domestique, mais fonctionnel, a été trouvé dans le garde-manger, un réservoir en plastique a été acheté pour 500 roubles et un filtre pour la voiture Gazelle était de 180 roubles. Il est facile de calculer le coût total.
Comment faire cyclone pour aspirateur, vous apprendrez de notre article. Il détaille le processus d'assemblage.
Ordre de construction:
Pour tester le fonctionnement de l'appareil fait maison, il reste à se connecter à l'alimentation. La puissance d'aspiration de l'unité doit être la même que celle d'un ancien aspirateur, si le moteur a conservé ses qualités de fonctionnement.
Si vous ne possédez pas un ancien aspirateur, vous pouvez acheter un modèle d'occasion par annonce - il existe de nombreuses options pour échanger des portails en ligne. Très probablement, un appareil obsolète ne coûtera pas plus de 1 000 roubles.
Classé aspirateurs cyclones L'article suivant vous familiarisera avec la production industrielle, qui vaut la peine d'être lue à la fois pour les artisans amateurs et les futurs acheteurs.
Nettoyant portable à faire soi-même
À titre expérimental, vous pouvez collecter un aspirateur miniature, qui est utile pour nettoyer les miettes, la poussière ou les débris d'une table, des étagères, des rebords de fenêtre.
Outils et matériaux nécessaires pour le travail: un couteau de construction, une scie sauteuse à main, un pistolet à colle, un adhésif thermofusible, un marqueur, une boussole.
Lors de la fabrication de tous les composants, il est nécessaire d'ajuster les pièces à la taille afin qu'il n'y ait pas d'écarts après le collage - pour une bonne aspiration, une étanchéité est requise.
Pour monter le ventilateur, vous devez couper un morceau de la seringue avec l'emplacement central de l'aiguille et le coller au centre du côté opposé à celui où les lames sont installées.
Pour vérifier le fonctionnement de l'appareil, versez des miettes, des morceaux de papier, des gruaux sur la table. Lorsque vous allumez le tuyau commence à aspirer les ordures qui tombent dans la rive inférieure - un collecteur de poussière.
Pour le nettoyer, vous devez déconnecter la partie cyclone - en fait, dévissez la bouteille du bouchon, puis retirez simplement le couvercle.
Conclusions et vidéo utile sur le sujet
Une autre option pour un mini aspirateur:
Caractéristiques de l'assemblage et du fonctionnement des produits maison:
Un excellent remplacement pour le modèle de marque des seaux en plastique et des tuyaux de plomberie:
Comme vous pouvez le voir, il n’est pas si difficile de fabriquer vous-même un bloc de construction puissant ou un mini-aspirateur. L'essentiel est d'être patient, d'étudier toutes les étapes de fabrication et de trouver du temps libre pour une expérience à domicile. Et les appareils, comme la pratique l'a prouvé, remplissent pleinement leurs fonctions.
Veuillez écrire des commentaires dans le bloc ci-dessous. Posez des questions sur des questions obscures et controversées, publiez des photos sur le sujet de l'article. Dites-nous comment assembler ou mettre à niveau un aspirateur de vos propres mains, il est possible que vos conseils soient utiles aux visiteurs du site.

J'ai aimé l'option d'un aspirateur portable. J'aurais peut-être utilisé cela si mon mari l'avait fait. Mais un aspirateur fait maison ne me sera probablement pas utile, car je suis sûr que la qualité serait boiteuse. Lors du nettoyage, il se serait définitivement effondré en morceaux. Les aspirateurs modernes sont assemblés dans des usines, c'est-à-dire que les pièces sont montées hermétiquement. Et un aspirateur fait maison peut s'effondrer à tout moment.
Eh bien, bien sûr, c'est plus choyer ou une sorte de défi - faire un aspirateur de vos propres mains. Je ne pense pas qu'en pratique, quelqu'un préfère un aspirateur fait maison à un aspirateur de magasin. Bien que, bien sûr, les situations dans la vie soient différentes et même des compétences spécifiques telles que la capacité de fabriquer un aspirateur peuvent également être utiles quelque part. Dans tous les cas, il est utile de comprendre le fonctionnement de la technique, elle peut être utile si des réparations sont nécessaires.
Eh bien, pourquoi, maintenant je vais faire une sorte d'installation non gelée pour assembler la sciure dans un atelier. Je vais le récupérer, bien sûr, pas à partir de zéro, mais en utilisant un ancien aspirateur de marque Uralets. Il est dans le garage depuis dix ans parce que ses parents ont acheté un modèle moderne à un moment donné, et il était dommage de jeter un objet de travail. J'ai l'intention d'y adapter un conteneur de type cyclone.