LED lamba E40: cihaz, özellikler, kapsam
LED'ler yöntemsel olarak sadece ev tipi akkor lambaların değil, aynı zamanda endüstriyel aydınlatma ekipmanının dolaşımından da yer değiştirir. Para biriktirme isteği, girişimcileri ve belediye yetkililerini daha az enerji tüketen cihazlar aramaya zorlar.
Geniş bir alanda aydınlatmayı düzenlemek için mükemmel bir seçenek, tasarımı çalışan birçok lamba ile uyumlu olan LED lamba E40'tır.
Bu malzemede LED lambaların tasarımı, çeşitleri ve kapsamı hakkında konuşacağız.
Makalenin içeriği:
LED lamba cihazı
Tabanın geniş çapı nedeniyle, E40 LED ampul birçok elektronik bileşeni kolayca barındırır. Ve artan vücut hacmi, ısının eşit olarak dağıtılmasını sağlayarak ürünün aşırı ısınmasını önler.
Tasarım özellikleri sayesinde, E40 LED lamba başka birçok avantaj da alır.
Genel yapısal elemanlar
E40 LED lambaların görünümü büyük ölçüde değişebilir. Hepsi sadece çapı 40 mm olan vidalı kapak tipiyle birleştirilir. Dış farklılıklara rağmen, bu tür ampullerin tasarımı ortak özelliklere sahiptir.

Ana bileşenler aşağıdaki gibidir:
- difüzör. LED'lerin etrafında yer alan plastikten yapılmış mat hacimsel bir kabuktur. Lambanın tüm çevresine en eşit ışık dağılımını sağlar.
- LED kristalleridoğrudan ışık yayıcılar olmak. Baskılı bir devre kartı üzerinde bulunurlar ve üç çeşit olabilirler: SMD, COB, Filament.
- Devre kartı. Isı ileten metal plaka formundadır, bu da çalışan LED kristallerden radyatöre ısı transferini teşvik eder.
- Alüminyum veya metal plastik radyatör. Genellikle kapak ve ampul arasında bulunur, ampulün ısı transfer alanını arttırmak için tasarlanmış yivli bir şekle sahiptir.
- sürücü. Düşük voltaj ve doğru akım LED kristalleri sağlayan bir mikro devredir. Yüksek kaliteli bir sürücü, çalışma sırasında lambanın yanıp sönmesine neden olmamalıdır.
- Dielektrik plastik veya seramik astarLED ampulün canlı tabanını ve diğer yapısal elemanlarını sınırlar.
- Vidalı metal taban E40, 40 mm çapında. Lambayı armatüre monte etmeye yarar ve kartuştan sürücüye akım aktarımı sağlar.
E40 tipi LED lambanın tabanı her zaman aynı ise, ampulün ve radyatörün dış şekli büyük ölçüde değişebilir.
Güçlü bir ışık yayan kristal çok fazla yan ısı üretir. Bu tür lambaların gövdesinde kabul edilebilir bir çalışma sıcaklığı sağlamak için, geniş bir yüzey alanına sahip bir radyatör gereklidir.
Bu nedenle, LED cihazlarının boyutu ve şekli büyük ölçüde güç ve diğer teknik özellikler.
Edison Üssünün Özellikleri
Dişli tabanın işaretlemesindeki E harfi, kökenini 100 yıldan uzun bir süre önce bu mühendislik çözümünü patentleyen lamba mucidi Thomas Edison'a borçludur.
Bir dizi avantaj nedeniyle tasarımı yüzyıl boyunca değişmedi:
- kurulumun basitliği ve dayanıklılığı;
- kartuşun iç yüzeyi ile geniş temas alanı;
- üretim kolaylığı;
- tabanın içine ek parçalar takma yeteneği.
En yaygın vida tabanı formatları E14, E27 ve E40. İşaretlemedeki çift haneli sayı dış çaplarını gösterir.

E40 kapağı daha önce ark cıva lambalarında ve akkor ampullerde kullanılmıştır. Büyük boyutu, kartuşla temas alanının arttırılması ve cam tabanın dar bir yerde ısıtılmasını azaltma arzusundan kaynaklanıyordu.
E40 LED ampuller yalnızca eski armatürlerle uyumluluğu sağlamak için yapılır. Şu anda, bu kadar büyük toplumları kullanmanın nesnel bir nedeni yoktur.
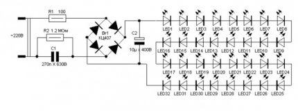
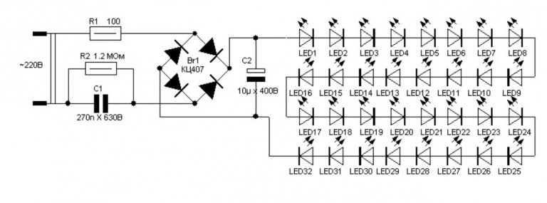
Şematik diyagramlar
E40 LED ampullerin maliyeti ve güvenilirliği büyük ölçüde sürücü parçalarının miktarına ve kalitesine bağlıdır. Ve çeşitli fonksiyonel seçeneklerde yapılabilen bir mikro devreye dayanmaktadır.
En basit versiyonda, sürücü küçük bir kapasitör ve bir voltaj doğrultucudan oluşur. Yük akımı sınırlayıcısı, LED kartında bulunan bir SMD direncidir. Bu temel devre, içinde kesin olarak tanımlanmış sayıda LED kullanılmasını gerekli kılan bir transformatör bile içermez.

Böyle ucuz bir seçenekte, lamba ışığı titreşen olacaktır, bu da yakındaki insanların genel sağlığını olumsuz yönde etkileyebilir.
En zor LED sürücü ışığı aşağıdaki yapısal elemanları içerir:
- giriş akımını sınırlayan kapasitif balastlı köprü doğrultucu;
- devrenin farklı seviyelerinde bulunan artan kapasitede birkaç kapasitör;
- voltaj ve akımı ayarlamanıza izin veren geri bildirim sistemi;
- karartma devresi, lambanın parlaklığını sorunsuz bir şekilde kontrol etmeyi mümkün kılar.
Yüksek kaliteli bir sürücü, LED lambanın nabzını tamamen ortadan kaldırır ve LED'lere verilen voltajı stabilize eder.

Bu, ürünün toplam hizmet ömrünü ve verimliliğini artırır. Karmaşık şemaların dezavantajları vardır:
- büyük boy;
- onarımın karmaşıklığı;
- yüksek maliyet.
Tartışılan iki elektrik devresine ek olarak, dahili aygıt sürücüsü için birçok ara seçenek vardır. Talep edilen tüketiciler, çeşitli tasarımların ampulleridir. Örneğin, basit şoförlü bir lamba, ıssız endüstriyel alanların gece aydınlatması için yeterli olacaktır.
LED lamba çeşitleri E40
Endüstriyel aydınlatma ekipmanları yapısal olarak evdekinden çok daha çeşitlidir. Buna göre, lambaların özellikleri farklı gerektirir. Işığın yönlendirilebilirliği, sürekli modda çalışma yeteneği ve davanın güvenliği büyük önem taşımaktadır.
Üreticiler talebi takip eder ve tüketicilere aşağıdaki LED lamba değişikliklerini sunar:
- toz geçirmez ve su geçirmez;
- 110 veya 220 V çalışma voltajı ile;
- aydınlatma açısı 120 ila 360 derece;
- 10 ila 500 watt arasında güç;
- plastik, alüminyum, ısıya dayanıklı malzemelerden;
- mat, şeffaf ampul, açık LED'li;
- ışık sensörleri ile hareket;
- kısılabilir;
- titreşime dayanıklı, patlamaya dayanıklı.
Daha az bilinen LED lamba üreticileri için, ek seçenekler gerçek bir avantajdan çok bir pazarlama hareketi olabilir. Bu nedenle, satın alma önceliği ünlü markaların aydınlatma ürünlerine verilmelidir.
Endüstriyel LED lambaların özellikleri
E40 tabanlı aydınlatma cihazları sadece endüstriyel ve kamusal alanlarda kullanılır. Bu tasarımın ev ürünleri basitçe üretilmez.
Endüstriyel armatürler, dış faktörlere karşı güvenilirlik ve direnç için artan gereksinimlere tabidir. Bu nedenle, içinde çalışan E40 LED lambaların da birtakım özellikleri vardır:
- Güç faktörünün değeri 0.9-0.95 ve ev ampulleri için - 0.7-0.9.
- LED'lerde genellikle ışık akısının yönünü değiştiren bireysel lensler bulunur.
- Genişletilmiş çalışma sıcaklığı aralığı. E40 ampullerdeki sürücü 110-120 ° C'ye ısıtma ve -50 ° C donmaya kadar soğutma için tasarlanmıştır.
- Artan hizmet ömrü - 10 yıla kadar sürekli yanma.
- Muhafaza genellikle LED'lerin mekanik hasar görmesini önlemek için vandalizme karşı korumaya sahiptir.
- LED'lerin kart üzerine yerleştirilmesi, onarım sırasında değiştirilme olasılığını gösterir.
- Çoğu E40 lambası rüzgar, yağmur ve tozdan korunur.
- Güçlendirilmiş radyatör, 24 saat boyunca aktif olarak ısıyı çıkarmanızı sağlar.
- Artan renk oluşturma katsayısı.
- Civa lambalarının aksine, LED lambalar ek çalıştırma cihazlarının takılmasını gerektirmez.
Yukarıdaki avantajlar, E40 soketli LED lambaların maliyetini önemli ölçüde artırır. Ancak artan güvenilirlik ve uzun hizmet ömrü nedeniyle, bu tür ürünler işletmelerin işletme maliyetlerini azaltır. Bu tür LED ampulleri armatürlere koyduktan sonra, birkaç yıl boyunca endişelenemezsiniz.

E40 tabanlı aydınlatma ekipmanı, modern modellerle oldukça yavaş değiştirilir. Bunun nedeni, çıkarılabilir LED lambaların bağlanması için yeni alternatif standartların olmamasıdır. Ekipman güncellemelerindeki bir başka fren, endüstriyel tüketicilerin cihazların tasarımına ve eskimeğine ilgisizliğidir.
E40 lambaların uygulama alanları
Endüstriyel sektördeki yönlü ışık akısına sahip cihazların nişleri uzun zamandır LED spotlarla doludur. E40 soketli ampullere, geniş alanların ve binaların dağınık ışıklandırılması için bir niş tahsis edilmiştir.

Kullanımları için ana yerler:
- Endüstriyel tesislerin, depoların, ulaşım üslerinin, kamu kurumlarının sokak bölgesi.
- Yol kenarındaki elektrik direği.
- Özel evler, evler.
- Alışveriş ve eğlence merkezleri.
- Yüksek tavanlı üretim atölyeleri.
- Stadyumlar.
- Angara.
- Oyun Alanı.
Kışın, LED lambalar kar yağdığında vücudun farklı bölgelerinde sıcaklık farkı yaratmamaları bakımından iyidir. Bu nedenle, şişelerinin mukavemet özellikleri ihlal edilmez.
E40 tabanı geçmişin bir kalıntısıdır, bu nedenle gelecekte yeni alanlarda kullanılması muhtemel değildir.
Konu hakkında sonuçlar ve faydalı video
Videolarda, E40 LED ampuller çalışırken gösterilir ve iç yapıları da dikkate alınır.
Farklı soketli LED lambaların karşılaştırılması:
E40 LED ampulün genel görünümü ve dahili düzeni:
Test yüksek güç E40 LED mısır lambalar:
LED ampullerdeki doğal E40 tabanı daha az kullanılır. Bunun nedeni, üreticilerin maksimum tüketici sayısını memnun etme arzusudur. Genellikle, ürünleri daha büyük çap için bir adaptörle E27 formatında tamamlarlar. Bununla birlikte, bu, büyük odaları verimli bir şekilde aydınlatmak ve kamu hizmetleri ve ticari işletmelerden tasarruf etmek için kırk milimetre çapında bir tabana sahip LED lambalara müdahale etmez.
Makalenin konusu hakkında sorularınız mı var? Onları makalenin altında bulunan yorum bloğunda sorabilirsiniz. Ayrıca, bu malzemeyi E40 LED lambaları hakkında bildiğiniz ilginç bilgiler ve gerçeklerle destekleme fırsatınız da var.

LED ampulleri günlük hayatta uzun süre kullanıyoruz. Gerçekten aile bütçesinden tasarruf ediyorlar.Çok başarılı olmayan lambaların ortaya çıkmaması ilginçtir. Bir duyda, örneğin, bir satın alma işleminden sonra bir haftadan fazla olmamak üzere çalıştı. Avizenin tasarımı 5 ampulün çalışmasını içerir, hepsi aynı settir. Ve haftada bir yanıp sönmeye başlar ve sonra tüm ışıklar söner. Bir elektrikçi baktı ve bir ampulün arızalı olduğunu söyledi, ancak bu nadirdir. Kapağın kenarı kahverengimsi bir renk aldı, erime süreci başladı. Master ve bu lambanın kurulduğu kartuş ve telleri ayırdı, ayrıca değiştirilmesi gerekiyordu ve orada yakıldı. Kablolamanın suç olmadığını iddia etti.
Bir ampulde eski bir ahlaki üs hakkında ne zaman konuştuklarını anlamıyorum. Bu ampulün kartuşla nasıl temas edeceği arasındaki fark nedir? Vidalanacak mı yoksa takılacak mı? Benim için genellikle davul. Ve kesinlikle nesnel olmak gerekirse, yeni temas grupları yalnızca temelde yeni bir ışık kaynağı icat ettiklerinde ortaya çıkacaklar, ancak daha önce değiller.
Daniel, genellikle E kapağının en uygun ve pratik olanlardan biri olduğuna inanıyorum. Bunların tüm avantajları: standardizasyon, basitlik, güvenilirlik. Neden başka bir şey buluyorsun?