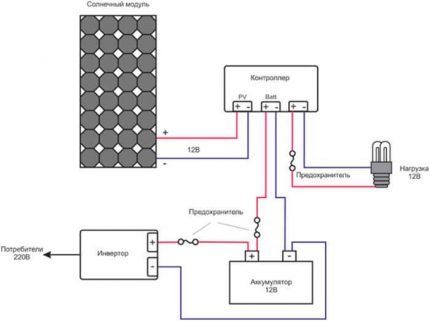
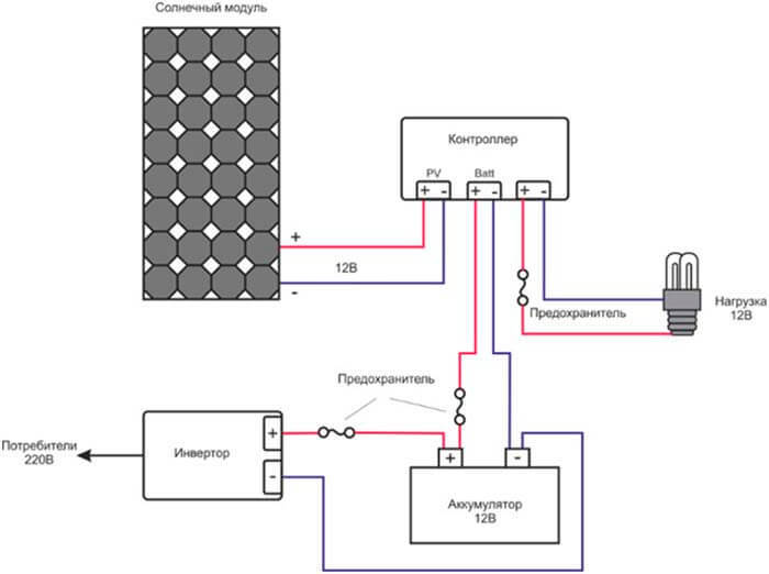
Schéma de raccordement des panneaux solaires: au contrôleur, à la batterie et aux installations desservies
Les systèmes d'alimentation autonomes des équipements suburbains vous permettent de vivre dans le confort même loin des communications centralisées. Souvent, avec les schémas traditionnels, des alternatives basées sur l'utilisation de l'énergie solaire sont utilisées.
Pour que le système solaire fonctionne correctement, un schéma de câblage bien conçu pour connecter les panneaux solaires est nécessaire. Elle nécessitera un ensemble d'équipements de qualité à la hauteur de ses responsabilités.
Nous vous expliquerons comment planifier correctement le placement des composants d'une mini-centrale électrique. Vous apprendrez comment choisir les dispositifs techniques pour assembler le système et comment les connecter correctement. Sur la base de nos conseils, vous pouvez construire une installation efficace.
Le contenu de l'article:
Le schéma de la centrale solaire
Considérez comment l'héliosystème est organisé et fonctionne pour une maison de campagne. Son objectif principal est de convertir l'énergie du soleil en électricité 220 V, qui est la principale source d'énergie pour les appareils électriques domestiques.
Les principaux éléments dont le SES comprend:
- Batteries (panneaux) qui convertissent le rayonnement solaire en courant continu.
- Contrôleur de charge de batterie
- Pack batterie
- Un onduleur qui convertit la tension de la batterie en 220 V.
La conception de la batterie est conçue de manière à permettre à l'équipement de fonctionner dans diverses conditions météorologiques, à des températures de -35 ° C à + 80 ° C.
Il s'avère que correctement installé panneaux solaires fonctionnera avec les mêmes performances en hiver et en été, mais sous une condition - par temps clair, lorsque le soleil dégage le maximum de chaleur. Les performances nuageuses chutent considérablement.

Le poids d'une batterie de 300 W est de 20 kg.Le plus souvent, les panneaux sont montés sur le toit, la façade ou des supports spéciaux installés à côté de la maison. Conditions nécessaires: un virage de l'avion vers le soleil et une pente optimale (en moyenne 45 ° par rapport à la surface de la terre), assurant une chute perpendiculaire du soleil.
Si possible, installez un tracker qui suit le mouvement du soleil et ajuste la position des panneaux.

Le contrôleur exécute combien de fonctions. En plus du principal - réglage automatique de la charge de la batterie, le contrôleur régule l'approvisionnement en énergie des panneaux solaires, protégeant ainsi la batterie d'une décharge complète.
Lorsqu'il est complètement chargé, le contrôleur déconnecte automatiquement la batterie du système. Les appareils modernes sont équipés d'un panneau de commande avec un affichage indiquant la tension des batteries.
Pour les systèmes solaires auto-fabriqués, le meilleur choix est les batteries au gel, qui diffèrent par la période de fonctionnement ininterrompu de 10 à 12 ans. Après 10 ans de fonctionnement, leur capacité diminue d'environ 15-25%. Ce sont des appareils sans entretien et absolument sûrs qui n'émettent pas de substances nocives.

Défi onduleurs - convertir la tension continue de la batterie en une tension alternative de 220 V. Ils diffèrent par des caractéristiques techniques telles que la puissance et la qualité de la tension reçue. L'équipement Sinus est capable de desservir les appareils les plus «de mauvaise humeur» pour la qualité actuelle - compresseurs, électronique grand public.
Aperçu du SSE des ménages:
Il convient de savoir que les centrales électriques domestiques peuvent entretenir un réfrigérateur en fonctionnement constant, une pompe submersible, une télévision et un système d'éclairage qui est périodiquement lancé. Pour fournir de l'énergie au fonctionnement d'une chaudière ou même d'un micro-ondes, un équipement plus puissant et très coûteux sera nécessaire.

Il existe d'autres, plus complexes schémas d'assemblage pour les centrales solairesCependant, cette solution est universelle et la plus demandée dans la vie quotidienne.
Étapes pour connecter des batteries à un équipement SES
La connexion est effectuée par étapes, généralement dans l'ordre suivant: d'abord, le contrôleur est connecté à la batterie, puis le contrôleur aux panneaux solaires, puis la batterie à l'onduleur et, enfin, les consommateurs sont câblés.
Étape # 1: connectez-vous à la batterie
Les batteries occupent une place bien définie sur le réseau. Ils ne sont pas connectés directement aux panneaux solaires, mais via un contrôleur qui régule leur chargement / déchargement. D'autre part, la batterie est connectée à un onduleur de conversion de courant.
Ainsi, le schéma de câblage panneaux solaires à la batterie ressemble à ceci:
- faire la connexion batterie / contrôleur (puis le contrôleur / panneaux solaires);
- Nous connectons la batterie et l'onduleur.
D'autres options de connexion sont possibles, mais cela est optimal, car batterie économise l'énergie non dépensée et, si nécessaire, la donne aux consommateurs.

Si une seule batterie ne suffit pas, achetez-en plusieurs avec les mêmes caractéristiques. Ils sont installés en un seul endroit et connectés en série.
Pour faciliter l'utilisation et l'entretien, les unités sont montées sur une étagère en métal avec un revêtement polymère.

Considérez comment la batterie se connecte au contrôleur et à l'onduleur.
L'étape suivante consiste à connecter le contrôleur aux panneaux solaires et la batterie à l'onduleur.
Étape # 2: connexion au contrôleur
Considérez l'option que les propriétaires de maisons de campagne utilisent souvent dans la pratique. Ils commandent des équipements bon marché fabriqués par la Chine sur l'un des sites en ligne.

La connexion se produit dans l'ordre suivant:
- Tout d'abord, une batterie est connectée au contrôleur. Ceci est fait intentionnellement pour vérifier comment l'appareil détecte la tension nominale du réseau (les valeurs standard sont 12 V, 24 V). Lors de la connexion à la batterie, la première paire de bornes est utilisée.
- Connectez ensuite directement les panneaux solairesen utilisant les fils qui les accompagnaient, et le contrôleur a une deuxième paire de bornes.
- Enfin et surtout, un équipement d'éclairage de nuit est installéI - à cet effet, la troisième paire de terminaux est prévue. En plus de l'éclairage basse tension, qui fonctionne exclusivement à la nuit tombée et alimenté par une batterie, aucun autre équipement ne peut être utilisé.
Avec tout type de connexion, il est nécessaire de surveiller la polarité.
Le non-respect de la polarité entraîne une panne instantanée du contrôleur, ainsi que la défaillance de parties de panneaux solaires.

Le contrôleur et la batterie interagissent constamment. Par exemple, pendant les pics de charge, la batterie est un tampon qui protège le contrôleur contre les pannes.
Ces deux appareils, comme les autres éléments du système, ne peuvent être considérés séparément. Lors de l'assemblage d'une centrale solaire, chaque appareil doit être gardé à l'esprit, même si la connexion particulière ne le concerne pas.
Instructions étape par étape pour connecter des panneaux solaires au contrôleur
Après avoir connecté le contrôleur à la batterie et aux panneaux, nous connectons l'onduleur et, si nécessaire, les appareils d'éclairage basse tension.
Étape # 3: connexion à l'onduleur
L'onduleur doit être inclus dans le système si les appareils de la maison fonctionnent à partir de 220 V. Mais il existe des exceptions lorsque des panneaux solaires sont installés pour le système 12 V, dans ce cas l'onduleur n'est pas nécessaire.

L'appareil est acheté de la même manière que les autres parties du système solaire: dans le cadre d'un kit SES ou séparément.
Procédure de connexion de l'onduleur à la batterie:
Si vous n'avez pas été auparavant impliqué dans l'installation de centrales solaires, nous vous recommandons d'acheter non pas des appareils individuels, mais le système complet.
L'avantage d'un système prêt à installer est conforme aux paramètres de l'équipement (batteries correctement sélectionnées en termes de puissance, nombre de panneaux solaires requis, jeu de fils pour une connexion rapide).
Il est logique que les appareils compatibles en capacité, tension et puissance soient beaucoup plus efficaces pour convertir l'énergie solaire et fournir de l'électricité à la maison.En fait, une «énergie verte» gratuite peut être utilisée avec systèmes de chauffagealimentation des appareils électroménagers.
Conclusions et vidéo utile sur le sujet
Les propriétaires de logements de banlieue apprécient depuis longtemps les avantages des énergies alternatives et utilisent activement SES comme source permanente ou de secours. Les recommandations utiles des utilisateurs de centrales solaires vous aideront à installer votre propre système.
Vidéo n ° 1. Instructions étape par étape sur l'assemblage et la connexion:
Vidéo n ° 2. Analyse des erreurs courantes lors du choix et de l'installation des équipements:
Vidéo n ° 3. Un aperçu de l'une des options d'installation à domicile:
L'utilisation d'énergie alternative pour les besoins de l'humanité est un grand bond technologique. Aujourd'hui, chaque propriétaire peut assembler et connecter indépendamment une centrale solaire qui fournit de l'électricité à la maison. Compte tenu de la rentabilité et du respect de l'environnement, il s'agit d'une solution pratique et efficace.
Vous voulez parler de la façon d'assembler une petite centrale solaire de vos propres mains? Il y a des faits intéressants et des informations utiles sur le sujet de l'article? Veuillez écrire des commentaires dans le bloc ci-dessous, partager vos impressions, opinions et photos thématiques.

Si nous connectons plusieurs batteries, la sortie que nous obtenons n'est pas de 12 volts. L'auteur, à mon avis, est stupide ou pas dans le sujet ...
Si en série, alors c'est un, si en parallèle, puis une banque d'alimentation multi-ampli.
Sergey, tu es juste stupide. Avez-vous déjà entendu parler d'une connexion parallèle d'appareils électriques? Si ce n'est pas dans le sujet, ne honte pas.
Bonjour Veuillez me dire comment la tension est coupée de la ligne électrique commune? Autrement dit, une ligne électrique existante (ligne électrique), lors de la réparation de lignes électriques, ou une panne de courant sur un réseau commun? La tension atteindra-t-elle la ligne commune des panneaux solaires? Je vous remercie
Bonjour J'essaierai de répondre à vos questions de manière aussi détaillée et simple que possible. Je comprends que vous vous intéressez à la question de travailler à la fois à partir du réseau électrique central et à partir de panneaux solaires en même temps. Comment le système se comportera lorsque l'alimentation électrique sera coupée dans le réseau général et lorsque la performance des panneaux solaires diminuera. En ce qui concerne le transport de l'électricité vers le système général, il sera nécessaire d'installer un système de réseau spécial pour donner le surplus au réseau électrique central. Pour plus de clarté, je vais attacher le circuit.
Maintenant, pour d'autres points: vous ne pouvez pas vous inquiéter des pannes, si la puissance des panneaux solaires diminue, le système passera à l'alimentation du réseau électrique central et vice versa. Expliquez et peignez depuis longtemps, tout est contrôlé par l'automatisation, je joins également un schéma visuel.
S'il vous plaît dites-moi, j'ai besoin du schéma suivant. Il y a un réseau de 0,4 kV, il y a des panneaux, il y a une volonté de minimiser la consommation du réseau. Il n'est pas possible de compenser entièrement les panneaux en raison de la petite zone d'installation, mais il n'est pas prévu de les remettre sur le réseau. Comment assembler le circuit?