Gradateur à faire soi-même: appareil, principe de fonctionnement + instructions pour fabriquer soi-même un variateur
Toutes sortes de gradateurs produits par l'industrie sont en mesure d'étendre la fonctionnalité de presque tous les appareils d'éclairage et d'augmenter leur efficacité. Mais si la situation n'est pas typique, par exemple, si les petites tailles sont importantes, seul un appareil fait maison peut vous aider.
De plus, la fabrication peut être une option moins chère que l'achat, ce qui est extrêmement convaincant. Nous vous expliquerons comment assembler un gradateur de vos propres mains. L'article que nous vous présentons décrit en détail quels composants sont nécessaires, dans quel ordre effectuer le travail.
Le contenu de l'article:
Quel est le pire des achats?
Les contrôles de luminosité d'usine peuvent fournir le résultat économique attendu ou augmenter le confort de vie dans toutes les situations typiques. De plus, leur coût est différent, ce qui rendra l'achat "abordable".
Mais toujours, dans certaines situations, vous ne pouvez pas trouver une taille appropriée ou une option d'alimentation, donc les devoirs peuvent être la solution.

Il existe des situations non standardisées où les produits industriels ne répondent pas aux besoins humains. Par exemple, cela se produit si nécessaire. gradateur de petite taille, on souhaite améliorer les propriétés esthétiques de son panneau de commande.
Ou une personne estime nécessaire d'augmenter la rentabilité, de rendre la gestion plus pratique, d'obtenir des effets de couleur, d'améliorer toute autre caractéristique.

Et vous pouvez également effectuer l'assemblage vous-même lorsque vous avez les composants nécessaires, ce qui réduira considérablement le coût de la procédure.
Ce que vous devez savoir sur les gradateurs?
Le verbe "dim" en anglais signifie "devenir terne", "assombrir". Ce phénomène est l'essence même des gradateurs. De plus, une personne bénéficie en outre d'un certain nombre d'avantages.
Avantages de l'utilisation de l'appareil
Parmi les avantages, il convient de souligner ces fonctionnalités supplémentaires:
- réduire la consommation d'énergie - cela conduit à une plus grande efficacité;
- remplacer plusieurs types d'appareils d'éclairage - par exemple, une lampe peut remplir les fonctions d'une lampe de nuit, d'un éclairage principal, etc.
De plus, l'utilisateur peut obtenir divers effets d'éclairage, par exemple, pour utiliser un éclairage conventionnel sous le contrôle d'un gradateur comme musique légère.
De plus, sa fonctionnalité vous permet de travailler avec des systèmes de sécurité ou de simuler simplement la présence de personnes dans la pièce. Cela aidera les propriétaires de tout local à protéger leur propriété contre les intrus ou même à empêcher leur entrée non autorisée dans l'appartement, le bureau.

De plus, le contrôle de la luminosité est en mesure de rendre le contrôle des sources de lumière, d'autres appareils électriques plus pratique et efficace. Par exemple, vous pouvez utiliser des signaux radio ou infrarouges, qui vous permettront d'effectuer à distance les manipulations nécessaires.
Ou il est possible d'utiliser plusieurs points de contrôle du dispositif d'éclairage au lieu d'un. Par exemple, si l'utilisateur souhaite rendre l'éclairage de la chambre plus moderne, les régulateurs peuvent être installés à l'entrée, ainsi qu'à proximité du lit.
Une telle décision rendra la vie des propriétaires un peu plus confortable. Vous pouvez faire de même dans n'importe quelle autre pièce.
Comment se fait la régulation?
Si une personne intéressée décide d'assembler elle-même un gradateur, alors la procédure ne doit pas commencer par une réflexion sur la façon de procéder, mais par la définition des objectifs et des tâches qui seront résolus.

Donc, avant de commencer l'assemblage, vous devez décider quel type de lampe sera utilisé. Cette procédure est obligatoire, car il existe différents principes pour contrôler la luminosité de la lueur.
Cela comprend:
- changement de tension - cette méthode sera pertinente lors de l'utilisation d'ampoules à incandescence obsolètes;
- modulation de largeur d'impulsion - Cette option doit être utilisée pour contrôler la luminosité des appareils d'éclairage modernes à économie d'énergie.
La modification de la tension des lampes LED est inefficace car elles fonctionnent dans une plage étroite et avec un petit écart par rapport à la norme, elles s'éteignent simplement ou ne s'allument pas. Cela ne permettra pas de révéler pleinement le potentiel des appareils conventionnels, car ils produisent des gradateurs pour appareils LED.
De plus, l'utilisation de rhéostats simples mais périmés ne permet pas d'économiser de l'électricité. Après tout, l'excès d'électricité sous forme de chaleur se dissipe simplement dans l'air.

À l'aide de la modulation de largeur d'impulsion, il sera possible d'assembler un gradateur qui fournira aux lampes la capacité de fonctionner à 10-100% de leur puissance. Dans ce cas, l'utilisateur recevra un bonus agréable sous forme d'énergie économisée.
Et vous pouvez également utiliser pleinement tous les autres avantages des gradateurs, y compris la durabilité.
La relative simplicité de la conception
Malgré le fait que les contrôles de luminosité domestique vous permettent d'obtenir un effet visuel et économique notable, ils diffèrent dans un appareil simple.
Cela assure une longue durée de vie, et dans le cas où une personne décide de réaliser un montage indépendant, alors la simplicité de cette opération. En conséquence, presque tout le monde peut y faire face, sans même avoir de connaissances particulières.

Ainsi, les gradateurs modernes les plus populaires sont créés sur la base de quelques éléments seulement:
- dynistor, son autre nom est souvent trouvé - diac;
- triac, d'une autre manière - un triac;
- unité de mise en forme d'impulsions.
De plus, la conception nécessite la présence de plusieurs pièces mineures, sans lesquelles le travail est impossible. Il s'agit notamment de condensateurs, résistances (DC, AC). Chacun des principaux dispositifs semi-conducteurs répertoriés effectue sa part du contrôle de la luminosité de la lampe.
Le triac est souvent comparé à une porte pour l'électricité, et dans laquelle vous pouvez entrer des deux côtés. Autrement dit, il est possible de faire passer le courant vers les lampes dans un volume illimité, mais si nécessaire, et de renvoyer son excès.

La réalisation d'un tel processus fournit une anode avec une cathode. Ils changent de place en fonction du sens de déplacement de l'électricité. De plus, une structure de conducteur multicouche est fournie, ce qui vous permet d'effectuer des tâches aussi précisément que possible.
La commutation de direction elle-même est effectuée par une dinistance, qui est une diode bidirectionnelle.
Facteurs de complication du schéma
Une personne qui veut assembler un gradateur seul ne devrait pas seulement penser à acquérir les semi-conducteurs nécessaires. Étant donné que la conception devra fournir la capacité d'effectuer le contrôle, le placement et même donner des propriétés esthétiques suffisantes, un certain nombre de points doivent être pris en compte.
Cela comprend:
- type de gestion;
- méthode de placement;
- apparence.
Étant donné que les éléments répertoriés affectent considérablement les performances du gradateur, chacun d'eux doit être traité séparément. Cela vous permettra de faire face efficacement au travail.
Contrôles d'instruments existants
Puisque vous devez contrôler le gradateur, une personne doit choisir la meilleure option. Parce qu'il y en a beaucoup et chacun a ses propres caractéristiques, avantages et inconvénients. Cela affectera considérablement la conception.
Les manipulations peuvent être effectuées par l'une des méthodes suivantes:
- mécanique;
- électronique;
- à distance.
Mais le plus souvent pour les différents gradateurs maison, la première option est utilisée. Étant donné que le contrôle mécanique est le plus simple à assembler, et lorsque vous achetez des composants, vous devrez payer le moins.

Dans ce cas, la personne n'aura besoin que d'un régulateur, qui peut être un levier rotatif. Si vous le souhaitez, il peut être remplacé par un élément de pression. Dans ce cas, toutes les manipulations seront effectuées par des touches ordinaires, familières aux commutateurs traditionnels.
Dispositifs combinés rotatifs-poussoirs souvent utilisés. Ils permettent d'effectuer l'opération marche / arrêt avec les touches et le réglage lui-même avec le levier rotatif. Ce que de nombreux utilisateurs trouvent pratique.
Chacune de ces options en taille et en apparence peut être similaire à un interrupteur conventionnel, qui remplacera un tel appareil. Ceci est un autre avantage. Le contrôle électronique implique l'utilisation de capteurs pour effectuer toutes les manipulations nécessaires. Ils se présentent également sous la forme d'interrupteurs traditionnels et les remplacent facilement.
Sur les analogues mécaniques, les capteurs sensoriels ont un avantage significatif sous la forme d'une apparence moderne. Le revers de la médaille sera le coût plus élevé des composants. La télécommande est la plus confortable, la plus pratique, elle est réalisée à l'aide de télécommandes conventionnelles.
Les types de transmission du signal de commande sont différents:
- signal radio
- signal infrarouge.
Dans le premier cas, l'utilisateur pourra effectuer les réglages nécessaires de n'importe où dans le bâtiment, les locaux et même de l'extérieur. Ce qui est pratique, efficace, mais les composants coûteront plus cher que lors de l'achat d'une télécommande avec un signal infrarouge.
Le signal ne peut transmettre les informations nécessaires qu'en survolant variateur de lampe à incandescence. Et cela ne se fera que dans les limites d'une pièce.

Néanmoins, cette fonctionnalité n'est généralement pas considérée comme un inconvénient, par conséquent, les ensembles plus abordables avec un signal infrarouge sont plus populaires. L'acoustique est également une méthode de télécommande, mais dans ce cas, vous devrez acheter un capteur capable de capter les commandes sonores: applaudissements, sons de musique et autres bruits similaires.
Néanmoins, vous devez savoir que cette dernière option est plus spectaculaire qu'efficace. Étant donné que des sons tiers, par exemple, des aboiements d'animaux, une conversation bruyante entraînera un changement non autorisé de la luminosité de la lueur des lampes. Cela ne plaira pas toujours aux utilisateurs.
Dans le même temps, le capteur acoustique monté dans la conception du gradateur est capable de rendre toute fête inoubliable, car il fait réagir les appareils d'éclairage aux changements de volume de la musique. Autrement dit, il est tout à fait possible de remplacer la musique légère.
De plus, vous devez savoir que les options de contrôle avec un ordinateur avec une connexion filaire ou sans fil, ainsi qu'avec un smartphone, une tablette, qui transmettent le signal de commande souhaité via Wi-Fi, deviennent de plus en plus populaires.

Pour pouvoir utiliser l'une de ces méthodes, la conception du variateur doit être équipée des éléments nécessaires. Ce qui le rend plus difficile, donc plus cher. En conséquence, l'option de gestion la plus populaire reste traditionnellement mécanique.
Type de placement d'appareil
Tout gradateur moderne ne peut être placé que de trois façons, et dans la vie quotidienne, il est utilisé au total moins - seulement 2. Une option est rarement nécessaire en raison de sa complexité structurelle et de ses performances.
Par conséquent, pour le logement ou les petits locaux commerciaux, les types d'hébergement suivants sont utilisés:
- lettres de voiture;
- intégré.
Dans le premier cas, l'interrupteur traditionnel est remplacé par un gradateur, dans le second - il n'est pas installé à la vue, c'est-à-dire qu'il est monté dans une boîte de transfert, une niche spécialement conçue. Cela signifie que dans une situation, une personne doit prendre soin d'un panneau de commande avec des qualités esthétiques élevées.
Et dans un autre, cette nuance ne joue aucun rôle. Puisque l'appareil sera caché à la vue. Mais vous devez utiliser uniquement la méthode de contrôle à distance. Les frais généraux sont principalement des variétés mécaniques ou électroniques.
Le principe du gradateur
Le moyen le plus efficace consiste à contrôler la luminosité à l'aide de la modulation de largeur d'impulsion. Puisqu'il est le plus approprié pour le moderne lampes à économie d'énergie.
Le principe de fonctionnement dans ce cas est la fourniture de courant par de courtes impulsions, entre lesquelles une longue pause est maintenue. De plus, plus sa durée est longue, plus la luminosité de la lueur est faible.

Dans le même temps, les dispositifs les plus simples sont capables de modifier les caractéristiques de la lumière par une diminution / augmentation habituelle de la tension appliquée. Mais cette option ne bénéficiera que lors de l'utilisation de lampes à incandescence.
Dans le cas de l'utilisation d'appareils LED couplés avec l'appareil ne peut fonctionner modèles à LED dimmablescar les LED ordinaires ne sont pas réglables.
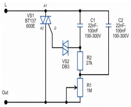
Gradateur fait main
Au départ, vous devez décider d'un certain nombre de paramètres, notamment la puissance, le type de placement, le contrôle. Sans cette procédure, un régulateur fonctionnel ne peut être créé que par accident, ce qui est rare.
Ensuite, vous devez acheter ou obtenir la propriété d'une autre manière, un triac, une dinistor, ainsi qu'un nœud qui forme une impulsion de contrôle, par exemple, à prendre à partir d'un appareil inutile.
De plus, vous aurez besoin d'un condensateur et de 2 résistances pouvant supporter la puissance définie précédemment. De plus, l'un d'eux doit être variable. Cette fonction vous permettra de modifier la tension.

Et lorsque sa valeur atteint le maximum possible pour la dinistance utilisée, elle fonctionne et donne l'impulsion de commande nécessaire. Qui va au triac, puis arrive aux lampes ou autres appareils électriques.
Lorsque cette touche d'alimentation s'ouvre, cela dépend de la position des commandes. Puisqu'il peut être à la fois 220 V et 40 V, si cela est nécessaire pour une personne.

Tous les éléments structurels ci-dessus sont combinés en un seul produit selon le schéma ci-joint à l'aide de fils et de soudure. Les contacts doivent être soigneusement isolés. Puisqu'un court-circuit est l'une des nombreuses causes courantes de défaillance d'un équipement électrique.
Connexion d'un gradateur à un circuit
Ce n'est pas une partie moins importante du travail que la fabrication elle-même, car à bien des égards sur la qualité connecter un gradateur la longévité du fonctionnement dépend. De plus, la connexion affecte la commodité et le confort de la commande, donc les gradateurs sont généralement divisés selon cette caractéristique.
Ils sont les suivants:
- par type d'interrupteur - ils remplacent les interrupteurs traditionnels et régulent une lampe ou leur groupe, par exemple un lustre avec un grand nombre d'éléments d'éclairage;
- walk-through - vous permet de contrôler un appareil électrique, par exemple une lampe LED, à l'aide de plusieurs régulateurs, pour plus de commodité, situés dans différentes parties de la pièce, du bâtiment.
Dans le premier cas, lorsque vous utilisez un réseau qui comprend 3 fils, le zéro et la masse vont à la lampe, à un autre appareil électrique et à la phase à rompre. Autrement dit, la procédure est familière à tous ceux qui ont remplacé les commutateurs conventionnels.

Lors de l'installation de deux gradateurs pass-through à partir de la boîte de jonction, trois fils doivent être connectés à chacun d'eux. Ceci est une condition préalable.Ensuite, les deux premières broches sont utilisées pour connecter les deux contrôleurs. Pour garantir la fiabilité, utilisez un cavalier.
Un autre des contacts libres est connecté à la phase et le dernier au luminaire. Ensuite, la connexion est vérifiée pour son fonctionnement.
Au cours de ces opérations, vous devez être attentif au respect des mesures de sécurité - chacune d'elles ne peut être effectuée qu'après la coupure du réseau.
Avec des lignes directrices pour choisir un gradateur pour contrôler la bande LED introduira article suivantentièrement dédié à ce sujet intéressant.
Conclusions et vidéo utile sur le sujet
La première vidéo vous permettra de comprendre rapidement la procédure de fabrication:
La vidéo suivante vous permettra de vous familiariser avec le principe de fonctionnement des gradateurs modernes:
Tout utilisateur qui n'a même pas de compétences particulières sera en mesure de comprendre comment fabriquer un simple gradateur de ses propres mains. Il s'agit d'une solution très peu coûteuse et simple. L'essentiel est de sélectionner les éléments de la puissance requise et de les connecter les uns aux autres de manière qualitative.
Dans le même temps, il sera nécessaire de donner au produit une apparence décente, ce qui complique la tâche. Mais à cette fin, vous pouvez utiliser le cas des régulateurs industriels, même ceux utilisés.
Vous voulez parler de la façon d'assembler un appareil pour régler l'intensité de l'éclairage de vos propres mains? Envie de partager des subtilités technologiques ou de poser une question? Veuillez écrire des commentaires dans le bloc ci-dessous, partager des informations utiles, des impressions et des photos sur le sujet de l'article.

La présence d'un tel régulateur dans la chambre vous permet de créer, si nécessaire, une atmosphère intime. Cependant, je ne pense pas qu'il soit logique de l'appliquer à l'éclairage de plafond. Convient très probablement à une lampe ou à une applique. Et ici, ce ne sont pas les dimensions mais l'apparence qui apparaissent. Donc, à mon avis, il est encore plus pratique d'acheter une version industrielle. Il en va de même pour le contrôle de la vitesse des moteurs électriques.
Sergey, la version industrielle est trop facile pour un amateur de radio amateur. J'ai assemblé mon premier gradateur (alors, probablement, le terme n'existait pas en URSS) sur une diode D245 ordinaire et un interrupteur à bascule. Un scintillement terrible, et seulement 2 modes, mais ... ça a marché.
L'option suivante - avec un condensateur de suppression, l'avantage des condensateurs en papier non polaires dans l'ancien équipement était beaucoup. Le circuit est aussi simple "comme un râteau" (en plus du condensateur, il faut aussi une résistance). La veilleuse avec un tel gradateur était merveilleuse.
Eh bien, puis est allé l '«ère» thyristors KU202. Celui qui a été accroché à un moment donné à diverses musiques de couleurs et de lumières me comprendra. Pour la version classique du variateur (pour une puissance ne dépassant pas 200 W), le KU202N est tout à fait suffisant, mais si vous le souhaitez, vous pouvez construire un circuit plus puissant.
Bien sûr, aujourd'hui, vous pouvez acheter beaucoup, mais parfois il est intéressant de se bricoler ...