Comment choisir un pilote de lampe LED: types, fonction + fonctionnalités de connexion
Les lampes à LED sont devenues très répandues, ce qui a entamé la production active de sources d'énergie secondaires. Le pilote de la lampe LED est capable de maintenir de manière stable les valeurs de courant définies à la sortie de l'appareil, en stabilisant la tension traversant la chaîne de diodes.
Nous vous dirons tout sur les types et principes de fonctionnement du dispositif de conversion actuel pour le fonctionnement d'une lampe à diode. Dans notre article, nous fournissons des conseils sur le choix d'un pilote et donnons des recommandations utiles. Nous trouverons des électriciens indépendants avec des schémas de connexion éprouvés.
Le contenu de l'article:
But et portée d'utilisation
Les cristaux de diode sont constitués de deux semi-conducteurs - l'anode (plus) et la cathode (moins), qui sont responsables de la transformation des signaux électriques. Une zone a une conductivité de type P, la seconde - N. Lorsqu'une source d'alimentation est connectée, le courant passe à travers ces éléments.
En raison de cette polarité, les électrons de la zone de type P se précipitent vers la zone de type N, et vice versa, les charges de la pointe du point N à P. Cependant, chaque section de la région a ses propres limites, appelées jonctions P-N. Sur ces sites, des particules sont trouvées et mutuellement absorbées ou recombinées.

Lors des jonctions P-N, la tension diminue d'un certain nombre de volts, toujours le même pour chaque élément du circuit. Compte tenu de ces valeurs, le pilote stabilise le courant entrant et forme une valeur constante à la sortie.
Quelle puissance est requise et quelles valeurs de pertes lors du passage P-N sont indiquées dans le passeport de l'appareil LED. Par conséquent, pour choisir une ampoule à diode il est nécessaire de prendre en compte les paramètres de l'alimentation, dont la portée doit être suffisante pour compenser l'énergie perdue.

Des alimentations électriques de 10 à 36 V sont utilisées pour équiper les appareils d'éclairage.
La technique peut être de différents types:
- phares de voitures, vélos, motos, etc.;
- petits lampadaires ou réverbères;
- lumière ledbandes plafonnier et modules.
Cependant pour leds de faible puissance, ainsi que dans le cas de l'utilisation d'une tension constante, les pilotes sont autorisés à ne pas s'appliquer. Au lieu de cela, une résistance est également introduite dans le circuit, également alimentée par un 220 V.
Le principe de fonctionnement de l'alimentation
Voyons quelles sont les différences entre la source de tension et l'alimentation. À titre d'exemple, considérons le circuit illustré ci-dessous.
En connectant une résistance de 40 ohms à l'alimentation 12 V, un courant de 300 mA la traversera (figure A). Avec la connexion parallèle de la deuxième résistance dans le circuit, la valeur actuelle sera de - 600 mA (B). Cependant, la tension restera inchangée.

Nous allons maintenant examiner comment les valeurs changeront si des résistances sont connectées à l'alimentation électrique du circuit. De la même manière, nous introduisons un rhéostat de 40 Ohms avec un driver de 300 mA. Ce dernier crée sur lui une tension de 12 V (circuit B).
Si le circuit est composé de deux résistances, la valeur du courant reste inchangée et la tension est de 6 V (G).

En tirant des conclusions, nous pouvons dire qu'un convertisseur de haute qualité fournit à la charge un courant nominal même lorsque la tension baisse. En conséquence, des cristaux de diodes de 2 V ou 3 V et un courant de 300 mA brûleront également avec une tension réduite.
Caractéristiques distinctives du convertisseur
L'un des indicateurs les plus importants est la puissance transmise sous charge. L'appareil ne doit pas être surchargé et essayer d'obtenir les meilleurs résultats possibles.
Une mauvaise utilisation contribue à l'échec rapide non seulement du mécanisme de vue d'ensemble, mais également des puces LED.
Les principaux facteurs affectant le travail comprennent:
- éléments constitutifs utilisés dans le processus d'assemblage;
- degré de protection (IP);
- valeurs minimales et maximales en entrée et en sortie;
- fabricant.
Des modèles modernes de convertisseurs sont disponibles sur la base de microcircuits et appliquent la technologie de transformée en largeur d'impulsion (PWM).

De tels dispositifs se caractérisent par un degré élevé de protection contre les courts-circuits, la congestion du réseau et ont également une efficacité accrue.
Règles de sélection d'un convertisseur de courant
Pour acheter un convertisseur de lampe LED, vous devez étudier la clé caractéristiques de l'appareil. Il est basé sur la tension de sortie, le courant nominal et la puissance de sortie.
Puissance de diode lumineuse
Nous analyserons d'abord la tension de sortie, qui est soumise à plusieurs facteurs:
- la valeur des pertes de tension à la jonction P-N des cristaux;
- le nombre de diodes lumineuses dans la chaîne;
- schéma de câblage.
Les paramètres du courant nominal peuvent être déterminés par les caractéristiques du consommateur, à savoir la puissance des éléments LED et leur degré de luminosité.
Cet indicateur affectera le courant consommé par les cristaux, dont la plage varie en fonction de la luminosité requise.La tâche du convertisseur est de fournir à ces éléments la fourniture de la bonne quantité d'énergie.

La puissance de l'appareil dépend de la force de chaque élément LED, de leur couleur et de leur quantité.
Pour calculer l'énergie consommée, utilisez la formule suivante:
PH = PLED * N,
O Where
- PLED - charge électrique créée par une diode,
- N est le nombre de cristaux dans la chaîne.
Les indicateurs obtenus ne doivent pas être inférieurs à la puissance du pilote. Vous devez maintenant déterminer la valeur nominale requise.
Puissance maximale de l'appareil
Il convient de garder à l'esprit que pour garantir un fonctionnement stable du convertisseur, ses paramètres nominaux doivent dépasser de 20 à 30% la valeur P obtenue.H.
Ainsi, la formule prend la forme:
Pmax ≥ (1,2..1,3) * PH,
où pmax - puissance nominale de l'alimentation.
En plus de la puissance et du nombre de consommateurs sur la carte, la force de charge est également subordonnée aux facteurs de couleur du consommateur. Au même courant, selon la teinte, ils ont différents indicateurs de chute de tension.

Prenons par exemple les LED de la société américaine Cree de la gamme XP-E en rouge.
Leurs caractéristiques sont les suivantes:
- chute de tension 1,9-2,4 V;
- courant 350 mA;
- consommation électrique moyenne 750 mW.
Un analogue de couleur verte au même courant aura des indicateurs complètement différents: les pertes sur les jonctions P-N sont de 3,3 à 3,9 V et la puissance est de 1,25 W.
En conséquence, on peut conclure: un pilote évalué à 10 watts est utilisé pour alimenter douze cristaux rouges ou huit verts.
Schéma de connexion LED
Le choix du pilote doit être effectué après avoir déterminé le schéma de connexion des consommateurs de LED. Si vous achetez d'abord des diodes lumineuses, puis sélectionnez un convertisseur pour elles, ce processus s'accompagnera de nombreuses difficultés.
Pour rechercher un appareil qui assure le fonctionnement d'un tel nombre de consommateurs avec un schéma de connexion donné, vous devrez passer beaucoup de temps.
Donnons un exemple avec six consommateurs. Ils ont une perte de tension de 3 V, une consommation de courant de 300 mA. Pour les connecter, vous pouvez utiliser l'une des méthodes, tandis que dans chaque cas, les paramètres requis de l'alimentation seront différents.

Dans notre cas, une connexion série nécessite une unité 18 V avec un courant de 300 mA. Le principal avantage de cette méthode est que la même force traverse la ligne entière, respectivement, toutes les diodes brûlent avec une luminosité identique.

Si un placement parallèle est utilisé, il suffit d'utiliser un convertisseur 9 V, mais la consommation de courant sera doublée par rapport à la méthode précédente.

Si vous utilisez une méthode séquentielle avec la formation de paires de deux LED, un pilote avec les mêmes indicateurs est utilisé, comme dans le cas précédent. Dans ce cas, la luminosité de l'éclairage sera déjà uniforme.
Cependant, il y avait ici quelques nuances négatives: lorsque le groupe est alimenté, en raison de la dispersion des caractéristiques, l'une des LED peut s'ouvrir plus rapidement que la seconde, et en conséquence, un courant qui double la valeur nominale le traversera.
De nombreuses espèces LED pour l'éclairage domestique conçu pour de tels sauts à court terme, mais cette méthode est moins populaire.
Types de pilotes par type de périphérique
Les appareils qui convertissent l'alimentation 220 V en indicateurs nécessaires pour les LED sont classiquement divisés en trois catégories: électroniques; basé sur des condensateurs; dimmable.
Le marché des accessoires d'éclairage est représenté par une grande variété de modèles de pilotes, principalement d'un fabricant chinois. Et malgré la gamme de prix bas, parmi ces appareils, vous pouvez choisir une option très décente. Cependant, vous devez faire attention à la carte de garantie, car tous les produits présentés ne sont pas de qualité acceptable.
Vue électronique de l'appareil
Idéalement, le convertisseur électronique devrait être équipé d'un transistor. Son rôle est de décharger la puce de contrôle. Pour éliminer ou maximiser le lissage de l'ondulation, un condensateur est monté à la sortie.
Ce type d'appareil appartient à une catégorie coûteuse, mais il est capable de stabiliser le courant jusqu'à 750 mA, dont les mécanismes de ballast ne sont pas capables.

La pulsation n'est pas le seul inconvénient des convertisseurs. La seconde peut être appelée interférence électromagnétique de la gamme des hautes fréquences (HF). Donc, si d'autres appareils électriques, par exemple la radio, sont connectés à la prise reliée à la lampe, vous pouvez vous attendre à des interférences lors de la réception de fréquences FM numériques, de la télévision, d'un routeur, etc.
Un appareil en option d'un appareil de haute qualité devrait avoir deux condensateurs: l'un est électrolytique pour lisser les ondulations, l'autre est en céramique, pour abaisser le RF. Cependant, une telle combinaison peut être trouvée rarement, surtout si nous parlons de produits chinois.

En raison de leur haute efficacité (jusqu'à 95%), de tels mécanismes conviennent à des appareils puissants utilisés dans divers domaines, par exemple pour le réglage de voitures, dans les appareils d'éclairage public, ainsi que pour les sources LED domestiques.
Alimentation par condensateur
Maintenant, nous nous tournons vers des appareils pas si populaires - basés sur des condensateurs. Presque tous les circuits de lampes LED à faible coût qui utilisent ce type de pilote ont des caractéristiques similaires.
Cependant, en raison de modifications apportées par le fabricant, ils subissent des modifications, par exemple, la suppression de tout élément de la chaîne. Surtout souvent, cette partie est l'un des condensateurs - lissage.

De tels mécanismes n'ont que deux avantages: ils sont disponibles pour l'auto-assemblage et leur efficacité est égale à cent pour cent, car les pertes ne se produiront qu'aux jonctions p-n et aux résistances.
Le même nombre d'aspects négatifs: une faible sécurité électrique et un degré élevé d'ondulation. Le deuxième inconvénient est d'environ 100 Hz et est formé à la suite du redressement d'une tension alternative. La spécification standard de l'État énonce la norme d'ondulation admissible de 10 à 20% selon le but de la pièce où le dispositif d'éclairage est installé.
La seule façon de combler cette lacune est de sélectionner un condensateur avec la bonne note. Néanmoins, vous ne devez pas compter sur une élimination complète du problème - une telle solution ne peut que lisser l'intensité des rafales.
Convertisseurs de courant à intensité variable
Pilotes gradateurs pour ampoules LED dimmables vous permettent de modifier les indicateurs de courant entrant et sortant, tout en réduisant ou augmentant le degré de luminosité de la lumière émise par les diodes.
Il existe deux méthodes de connexion:
- le premier implique un démarrage en douceur;
- le second est pulsé.
Considérons le principe de fonctionnement des pilotes dimmables basés sur la puce CPC9909 utilisée comme dispositif de régulation pour les circuits LED, y compris ceux à haute luminosité.

Avec un démarrage en douceur, la puce du pilote fournit une inclusion progressive des diodes avec une luminosité croissante. Pour ce processus, deux résistances sont utilisées, connectées au terminal LD, conçues pour effectuer la tâche de gradation en douceur. Cela met en œuvre une tâche importante - prolonger la durée de vie des éléments LED.
La même conclusion est également fournie par la régulation analogique - une résistance de 2,2 kΩ est remplacée par une variable analogique plus puissante - 5,1 kOhm. Ainsi, un changement en douceur du potentiel de sortie est obtenu.
L'application de la seconde méthode implique la fourniture d'impulsions rectangulaires à la sortie basse fréquence PWMD. Il s'agit soit d'un microcontrôleur, soit d'un générateur d'impulsions, qui sont nécessairement séparés par un optocoupleur.
Avec ou sans logement?
Les chauffeurs sont disponibles dans ou sans logement. La première option est la plus courante et la plus chère. Ces appareils sont protégés contre l'humidité et les particules de poussière.
Les appareils du deuxième type sont utilisés pour un montage encastré et, par conséquent, sont bon marché.

Chacun d'eux se distingue par une température admissible pendant le fonctionnement - il est également nécessaire de faire attention à cela lors de la sélection.
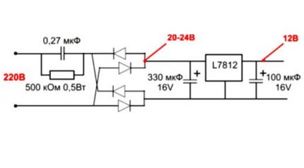
Circuit pilote classique
Pour l'auto-assemblage de l'alimentation LED, nous traiterons du dispositif le plus simple de type impulsionnel sans isolation galvanique. Le principal avantage de ce type de circuit est sa connexion simple et son fonctionnement fiable.

Le schéma d'un tel mécanisme est composé de trois zones principales en cascade:
- Séparateur de tension capacitif.
- Redresseur
- Stabilisateurs de tension.
La première section est la contre-action exercée par le courant alternatif sur le condensateur C1 avec une résistance. Ce dernier est nécessaire uniquement pour une charge indépendante de l'élément inerte. Cela n'affecte pas le fonctionnement du circuit.

Lorsque la demi-onde de tension formée traverse le condensateur, le courant circule jusqu'à ce que les plaques soient complètement chargées. Plus la capacité du mécanisme est petite, moins de temps sera consacré à sa charge complète.
Par exemple, un appareil d'un volume de 0,3 à 0,4 μF est chargé pendant 1/10 de la période de demi-onde, c'est-à-dire que seulement un dixième de la tension transmise traverse cette section.

La deuxième cascade est un appareil électrique qui convertit (rectifie) le courant alternatif en impulsions. Ce processus est appelé demi-onde. Puisqu'une partie de la demi-onde a été lissée par un condensateur, à la sortie de cette section, le courant continu sera de 20-25 V.

La troisième cascade fonctionne sur la base d'un filtre stabilisateur de lissage - un condensateur électrolytique. Le choix de ses paramètres capacitifs dépend de la charge.
Comme le circuit assemblé reproduit immédiatement son travail, il est impossible de toucher les fils nus, car le courant conduit atteint des dizaines d'ampères - les lignes sont préalablement isolées.
Conclusions et vidéo utile sur le sujet
Toutes les difficultés qu'un radio-amateur peut rencontrer lors du choix d'un convertisseur pour lampes LED haute puissance sont décrites en détail dans la vidéo:
Principales caractéristiques de la connexion indépendante du convertisseur au circuit électrique:
Instructions étape par étape décrivant le processus de montage bricolage du pilote LED à partir de moyens improvisés:
Malgré les dizaines de milliers d'heures de fonctionnement ininterrompues des lampes LED par le fabricant, de nombreux facteurs réduisent considérablement ces indicateurs.
Les pilotes sont conçus pour atténuer toutes les surtensions actuelles du système électrique. Leur choix ou auto-assemblage doit être abordé de manière responsable après avoir calculé tous les paramètres nécessaires.
Dites-nous comment vous avez sélectionné le pilote pour l'ampoule LED. Partagez vos arguments et les moyens de stabiliser l'alimentation en tension d'un dispositif d'éclairage à diode. Laissez des commentaires dans le bloc ci-dessous, posez des questions, publiez des photos sur le sujet de l'article.

Le pilote est nécessaire pour stabiliser la tension et maintenir la valeur du courant de sortie. Lors de l'achat, vous devez partir des paramètres de l'alimentation. Mais si les LED de l'appareil sont de faible puissance, aucun pilote n'est nécessaire. Ensuite, une résistance est incluse dans le circuit.
Les pilotes que nous vendons sont principalement fabriqués en Chine (ainsi que la plupart des autres). Les prix de ces pilotes sont bas et la qualité est supportable.