Caractéristiques de connexion des machines automatiques et des RCD dans le blindage: circuits + règles d'installation
La connexion confortable de tous ses habitants et le bon fonctionnement des appareils électroménagers dépendent de la connexion correcte du câblage dans la maison. Êtes-vous d'accord? Pour protéger les équipements situés dans la maison des effets des surtensions ou des courts-circuits, et les habitants des dangers liés au courant électrique, il est nécessaire d'inclure des dispositifs de protection dans le circuit.
Dans ce cas, il est nécessaire de satisfaire à l'exigence principale - la connexion des RCD et des dispositifs automatiques dans le blindage doit être effectuée correctement. Il est également important de ne pas se tromper dans le choix de ces appareils. Mais ne vous inquiétez pas, nous vous dirons comment le faire correctement.
Dans cet article, nous parlerons des paramètres par lesquels les RCD sont sélectionnés. De plus, vous trouverez ici des fonctionnalités, des règles pour connecter des machines et des RCD, ainsi que de nombreux schémas utiles pour la connexion. Et les vidéos présentées dans le matériel aideront à tout réaliser dans la pratique, même sans la participation de spécialistes, si vous êtes même un peu versé en électricité.
Le contenu de l'article:
Principes de base de la connexion
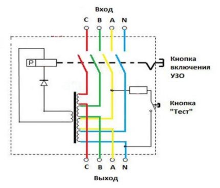
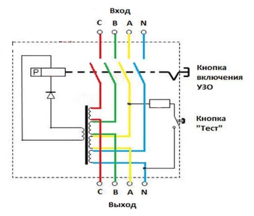
Pour connecter un RCD, deux conducteurs sont nécessaires dans le blindage. Dans le premier d'entre eux, le courant circule vers la charge, et dans le second, il quitte le consommateur le long du circuit externe.
Dès qu'une fuite de courant se produit, une différence apparaît entre ses valeurs en entrée et en sortie. Lorsque le résultat dépasse une valeur prédéterminée, RCD déclenché en mode d'urgence, protégeant ainsi toute la ligne d'appartement.
Les disjoncteurs à courant résiduel sont affectés par les courts-circuits (courts-circuits) et les chutes de tension, de sorte qu'ils doivent eux-mêmes être couverts. Le problème est résolu en incluant des automates dans le circuit.

Le courant qui alimente les appareils électriques traverse l'un des enroulements du cœur dans une direction. Il a une orientation différente dans le deuxième enroulement après les avoir traversé.
La mise en œuvre indépendante de l'installation de dispositifs de protection implique l'utilisation de circuits. Des RCD modulaires et des dispositifs automatiques sont installés dans le blindage.
Avant de commencer l'installation, vous devez résoudre les problèmes suivants:
- combien de disjoncteurs différentiels doivent être installés;
- où ils devraient être dans le circuit;
- comment se connecter, afin que le RCD fonctionne correctement.
La règle de câblage stipule que toutes les connexions réseau monophasé doit entrer dans les appareils connectés de haut en bas.
Les électriciens professionnels expliquent cela par le fait que si vous les démarrez par le bas, l'efficacité de la grande majorité des machines diminuera d'un quart. De plus, le maître travaillant dans le standard téléphonique n'aura pas à mieux comprendre le schéma.
Les disjoncteurs différentiels, conçus pour être installés sur des lignes distinctes et ayant de faibles valeurs nominales, ne peuvent pas être montés dans un réseau commun. En cas de non-respect de cette règle, la probabilité de fuites et de courts-circuits augmentera.
Sélection du RCD par paramètres principaux
Toutes les nuances techniques associées à la sélection des DDR ne sont connues que des installateurs professionnels. Pour cette raison, les spécialistes devraient faire la sélection des appareils pendant le développement du projet.
Critère n ° 1. Les nuances de la sélection de l'appareil
Lors du choix d'un appareil, le courant nominal qui le traverse en fonctionnement continu est le critère principal.

La valeur de In est comprise entre 6 et 125 A. Le courant différentiel IΔn est la deuxième caractéristique la plus importante. Il s'agit d'une valeur fixe, après laquelle un RCD est déclenché. Lorsqu'il est sélectionné dans la plage: 10, 30, 100, 300, 500 mA, 1 A, les exigences de sécurité sont prioritaires.
Affecte le choix et le but de l'installation. Pour assurer un fonctionnement sûr d'un appareil, ils sont guidés par la valeur du courant nominal avec une petite marge. Si une protection est nécessaire pour la maison dans son ensemble ou pour l'appartement, toutes les charges sont résumées.
Critère n ° 2. Types de RCD existants
Il est nécessaire de faire la distinction entre les disjoncteurs différentiels et les types. Il n'y en a que deux - électromécanique et électronique. L'unité de travail principale du premier est un circuit magnétique à enroulement. Son action est de comparer les valeurs du courant allant au réseau et revenant.
Il existe une telle fonction dans l'appareil du deuxième type, seule sa carte électronique l'exécute. Il fonctionne exclusivement en présence de tension. De ce fait, le dispositif électromécanique protège mieux.

Dans une situation où le consommateur touche accidentellement le fil de phase, et la carte se révèle être hors tension, dans le cas de l'installation d'un RCD électronique, une personne sera sous tension. Dans ce cas, le dispositif de protection ne fonctionnera pas et l'électromécanique dans de telles conditions restera opérationnel.
Les subtilités du choix d'un RCD sont décrites dans ce truc.
Installation de RCD et d'appareils automatiques dans le bouclier
Le tableau de distribution, dans lequel se trouvent les dispositifs de mesure et d'équilibrage de charge, est généralement le lieu d'installation des DDR. Quel que soit le schéma sélectionné, certaines règles sont requises lors de la connexion.
Règles générales de connexion
Avec le dispositif d'arrêt automatique, ils sont installés sur le bouclier et machines automatiques. Il suffit pour cela d'un minimum d'outils et d'un schéma compétent.
L'ensemble standard doit comprendre:
- à partir d'un tournevis;
- une pince;
- couteaux latéraux;
- testeur;
- clés à douilles;
- cambrica.
De plus, l'installation nécessite un câble VVG de différentes couleurs, sélectionné en fonction de la section en fonction des courants. Un tube isolant en PVC marque les conducteurs.
Lorsqu'il y a de la place sur le bloc DIN du tableau, un disjoncteur différentiel est monté dessus. Sinon, installez-en plus.
Le principe d'installation clé est le suivant: le contact du conducteur neutre après le RCD avec le zéro d'entrée ou la mise à la terre est inacceptable, il est donc isolé par analogie avec d'autres fils.
En série avec le RCD, il est nécessaire d'activer le disjoncteur. C'est également l'une des règles les plus importantes.
Lorsque la protection de l'ensemble du boîtier est réalisée à l'aide d'un seul RCD, un circuit est utilisé qui comprend plusieurs machines.

En plus de l'AB supplémentaire, un autre composant est inclus dans le projet - l'isolateur de bus zéro. Montez-le sur le corps du bouclier ou sur un rail DIN.
Cet ajout est dû au fait qu'avec un grand nombre de conducteurs neutres connectés à la borne de sortie du dispositif de déconnexion, ils ne rentrent tout simplement pas dans une borne. Un bus zéro isolé est le meilleur moyen de sortir de cette situation.
Parfois, les électriciens, afin de mettre tout le faisceau de fils zéro dans la prise, décident de limer les fils du câble unipolaire. Dans le cas où un câble multicœur, plusieurs veines sont supprimées.
Cette option est préférable de ne pas utiliser, car en raison d'une diminution de la section des conducteurs, la résistance augmentera, par conséquent, le chauffage augmentera.
Le nombre de trous de montage et leur diamètre peuvent être différents. Le bus de terre est fixé directement au châssis.
Zéro fil en une seule torsion - un inconvénient supplémentaire lors de la détection de dommages sur la ligne, ainsi que lorsque vous devez démonter l'un des câbles. Ici, vous ne pouvez pas vous passer de dévisser la pince, de dérouler le garrot, ce qui provoquera certainement l'apparition de fissures dans les veines.
Il est impossible de monter simultanément et deux fils dans une prise. Les entrées des disjoncteurs sont reliées par des cavaliers. Comme ce dernier, pour une installation professionnelle, des pneus de connexion spéciaux sont utilisés sous le nom de «peigne».
Caractéristiques des schémas de connexion
Le choix du schéma implique la prise en compte des caractéristiques d'un réseau électrique particulier. Parmi les nombreuses options, il n'y a que deux circuits utilisés pour connecter les machines et les RCD visièreconsidéré comme basique.

De la première manière la plus simple, lorsqu'un RCD protège l'ensemble du réseau électrique, il y a des inconvénients. Le principal est la difficulté d'identifier un site de dommages spécifique.
La seconde est qu'en cas de défaillance du fonctionnement du RCD, l'ensemble du système sera mis hors service. Un dispositif d'arrêt de sécurité se voit attribuer une place immédiatement après le compteur.
La méthode suivante implique la disponibilité de tels appareils sur chaque ligne individuelle. Si l'un d'eux échoue, tous les autres seront en état de marche. La mise en œuvre de ce schéma nécessite un bouclier global plus important et des coûts financiers plus élevés.
En détail sur un schéma simple
Envisagez de connecter un RCD avec des appareils automatiques à un simple bouclier d'appartement. A l'entrée il y a un interrupteur bipolaire. Un RCD bipolaire y est connecté, auquel deux machines unipolaires.
Une charge est connectée à la sortie de chacun d'eux. En principe, les DDR sont introduits dans le circuit ainsi que disjoncteur.

La phase, amenée à la mise en marche automatique, va à l'entrée du RCD avec la sortie aux machines. La sortie zéro de la machine va au bus zéro, et de là - à l'entrée de l'appareil.
Depuis sa sortie, le conducteur zéro est envoyé vers le deuxième bus zéro. La présence de ce deuxième pneu est une nuance particulière, sans savoir sur quoi il est impossible d'atteindre le fonctionnement normal du circuit.
Le RCD pendant l'opération surveille à la fois la tension d'entrée et de sortie - combien d'entrée est entrée, tant devrait être à la sortie.
Si l'équilibre est violé et à la sortie, il est supérieur à la valeur de la consigne à laquelle le RCD est configuré, il est déclenché et l'alimentation se coupe automatiquement. Le bus zéro est responsable de ce processus.
Dans les circuits électriques où l'installation d'un dispositif de courant résiduel n'est pas prévue, un seul zéro commun.
Dans le circuit avec un RCD, l'image est différente - il y a déjà plusieurs zéros de ce type ici. Lors de l'utilisation d'un appareil, il y en a deux - le commun et celui par rapport auquel fonctionne l'appareil de protection.
Si deux RCD sont connectés, il y a trois bus zéro. Notons-les par des indices: N1, N2, N3, etc. En général, il y a toujours un zéro de plus que les appareils à courant résiduel. L'un d'eux est le principal, et tous les autres sont directement liés au RCD.

Si tous les équipements ne sont pas censés être connectés via un RCD, alors zéro est fourni par le bus commun. Le disjoncteur différentiel dans ce cas est exclu du circuit.
Lors de l'ajout d'un disjoncteur unipolaire fonctionnant à partir d'un RCD, à partir de la sortie de la dernière phase, ils sont alimentés à l'entrée du disjoncteur. Depuis la sortie de l'interrupteur, le conducteur est connecté à un contact de charge. Zéro à ce sujet conduit à la deuxième conclusion. Il provient du bus zéro créé par le RCD.
Il y a un autre élément sur le blindage - un bus de mise à la terre de protection. Le bon fonctionnement d'un RCD est impossible sans lui.
Un réseau à trois fils est disponible uniquement dans les maisons neuves. Il a nécessairement une phase zéro et une mise à la terre. Dans les maisons construites depuis longtemps, il n'y a que phase et zéro. Dans ces conditions, le RCD fonctionnera également, mais d'une manière légèrement différente de celle d'un réseau triphasé.
Pour sortir de la situation, la mise à la terre est affichée par le troisième conducteur sur la prise, puis au plafond à l'endroit où les lustres sont connectés. Aux commutateurs "la terre" n'est pas desservie.
Possibilité de connecter des machines sans RCD
Il y a des moments où l'une des machines doit être connectée, contournant le dispositif d'arrêt de protection. L'alimentation est connectée non pas à la sortie du RCD, mais à l'entrée de celui-ci, c'est-à-dire directement depuis la machine. La phase est envoyée à l'entrée et, à partir de la sortie, elle est connectée à la borne gauche de la charge.
Le zéro est extrait du bus zéro commun (N). Si des dommages se produisent dans la zone contrôlée par le RCD, ils seront retirés du circuit et la deuxième charge ne sera pas mise hors tension.
RCD dans un réseau triphasé
Un réseau de ce type comprend soit un RCD triphasé spécial à huit contacts, soit trois monophasés.

Le principe de connexion est totalement identique. Montez-le selon le schéma. Les phases A, B et C alimentent des charges de 380 V. Si l'on considère chaque phase séparément, puis en tandem avec un câble N (0), elle fournit une série de consommateurs monophasés de 220 V.
Les fabricants produisent des disjoncteurs triphasés adaptés aux courants de fuite élevés. Ils protègent le câblage uniquement contre le feu.

Afin de protéger les personnes contre les effets du courant électrique, des RCD bipolaires monophasés sont installés sur les branches sortantes, configurés pour un courant de fuite de l'ordre de 10-30 mA. Pour le couvercle, une machine automatique est insérée devant chacun. Dans le circuit après le RCD, il est impossible de connecter le zéro de travail et la masse.
RCD et machines sur un tableau triphasé
Nous analyserons en détail le circuit pas tout à fait standard monté sur un tableau triphasé.
On y trouve:
- disjoncteurs d'entrée triphasés - 3 pièces;
- dispositif de courant résiduel triphasé - 1 pc .;
- RCD monophasé - 2 pièces;
- machines automatiques monophasées monophasées - 4 pcs.
À partir du premier disjoncteur d'entrée, la tension est fournie au deuxième disjoncteur triphasé via les bornes supérieures. De là, une phase va au premier RCD monophasé, et la seconde à la suivante.

Les DDR monophasés installés sur le blindage sont bipolaires et les machines sont unipolaires. Pour que le dispositif de protection fonctionne correctement, il est nécessaire que les zéros qui fonctionnent après ne se connectent nulle part ailleurs. Par conséquent, après chaque RCD, un bus zéro est installé ici.
Lorsque les machines ne sont pas simples, mais bipolaires, vous n'avez pas besoin d'installer un bus zéro séparé. Si les deux bus zéro sont combinés, un faux positif se produira.
Chacun des RCD unipolaires est conçu pour deux machines (1-3, 2-4). La charge est connectée aux bornes inférieures des machines.
Le bus de terre commun est installé séparément. Trois phases entrent dans la machine d'introduction: L1, L2, L3 et le fil neutre de travail.
Le zéro est connecté à un zéro commun et il va à tous les RCD. Après cela, il passe à la charge: du premier appareil - à un triphasé, et du monophasé suivant - chacun à son propre bus.

Bien que l'entrée soit triphasée dans ce tableau, la séparation du fil en PEN et PE n'a pas été effectuée depuis entrée à cinq fils. Trois phases viennent au bouclier, zéro et la terre.
Conclusions et vidéo utile sur le sujet
Les nuances de l'installation de tous les éléments sur le tableau de bord:
Détails de l'installation des RCD:
Les RCD et les machines automatiques sont des équipements techniquement sophistiqués. Il est conseillé de l'installer dans des endroits où le courant électrique peut menacer à la fois la sécurité des personnes et des appareils électroménagers.
Son installation implique la prise en compte de nombreux paramètres, de sorte que le calcul et l'installation sont mieux effectués par des spécialistes qualifiés.
Si vous avez de l'expérience dans l'auto-installation de disjoncteurs différentiels, veuillez la partager avec nos lecteurs. Dites-nous à quels points vous devez porter une attention particulière. Laissez vos commentaires, posez des questions dans le bloc sous l'article.

Dans toutes les photos et figures ici (et sur d'autres sites), le conducteur de phase passe par l'épaule gauche du RCD (etc.) et «N» par la droite. Alors que sur le RCD de la société «DIN Electro Kraft», à Moscou, les lettres «N» sont juteusement juteuses sur l'épaule gauche. Quoi de plus correct si vous pouvez poser une question comme ça?
Et une autre question - sur le RCD (etc.), il est souvent estampillé «Retirez la fiche (ou la fiche) pour installer des appareils supplémentaires». Les talons sont clairs quoi, mais quels appareils et à quoi ils ressemblent - je n'ai pas vu. Lesquels?
Bonjour Boris.
Une connexion correcte est garantie par les symboles imprimés près des bornes. S'il n'y a pas de caractères, vous devez lire le passeport. Par exemple, sur un RCD Schneider Electric, la modification EASY 9 2P avec un courant de fuite de 30 mA, zéro est connecté à gauche, et sur un RCD TDM, le modèle VD63 (16 A nominal, courant de fuite 30 mA) à droite. Captures d'écran de ces RCD - jointes.
Sur la deuxième question, je peux supposer que les appareils supplémentaires sont, par exemple, des bus complets qui permettent une installation rapide des machines connectées sous RCD. Dans l'article, notez que toutes les photos contiennent du câblage filaire. Un certain nombre de fabricants étrangers offrent une installation plus rapide avec des kits de pneus. Une capture d'écran d'un tel câblage - jointe.
Là où dans la nature il y a généralement une machine automatique à cinq fils sur laquelle vous écrivez ...
«Le bus de terre commun est installé séparément. Trois phases entrent dans la machine d'introduction: L1, L2, L3, le fil neutre de travail N et PE sont protecteurs. » - Il n'y en a pas, il n'y a que quatre fils: triphasé et zéro, masse, ne. PE, en anglais, le potentiel de eart, n'est jamais inversé, sinon ce n'est pas de la terre.
Bonjour, Victor.
Bien sûr, les disjoncteurs à cinq fils n'existent pas. La proposition que vous avez mise en évidence aurait dû se terminer par les mots «fil neutre de travail». Soit dit en passant, l'image précédant ce texte est correcte.
Le RCD pendant le fonctionnement surveille la tension entrante et sortante ... - le courant, contrôle le courant de fuite.
Un réseau à trois fils est disponible uniquement dans les maisons neuves. Il a nécessairement une phase zéro et une mise à la terre. Dans les maisons construites depuis longtemps, il n'y a que phase et zéro. Dans ces conditions, le RCD fonctionnera également, mais d'une manière légèrement différente de celle d'un réseau triphasé. Que dans un trois fils signifiait.