Normes pour la distance du compteur de gaz à d'autres appareils: caractéristiques de la disposition des débitmètres de gaz
Des millions de consommateurs pensent à économiser grâce à un compteur de gaz, mais se rendent compte que les coûts d'achat, d'installation et de réparations éventuelles sont également élevés. Vous reconnaissez-vous parmi eux? Voulez-vous que le compteur de gaz soit rentable dans 2-3 ans? Tout est simple.
Si vous ne recourez pas à des actions non autorisées, il n'y aura pas de pénalité. Si vous maintenez la distance du compteur de gaz dans les limites normales, cela fonctionnera correctement. Si vous achetez un appareil de qualité, vous n'aurez pas besoin de remplacement.
Nous avons fourni des informations sur l'installation d'un compteur de gaz, y compris les normes de distance exacte. Le maître fera tout pour vous, mais vous devez toujours contrôler l'installation. Lisez l'article et vous comprendrez pourquoi. Votre commodité en dépend.
Le contenu de l'article:
Nuances générales de l'installation de compteurs de gaz
À propos installations de compteurs de gaz contacter plusieurs organisations différentes. Leurs employés font leur part et les abonnés n'ont qu'à choisir l'option d'hébergement la plus adaptée. Les compteurs de gaz sont montés strictement selon les règles, il est impossible d'agir seul.
Ils sont installés par des sociétés de distribution de gaz et des employés d'organisations autorisées. L'auto-assemblage est plus susceptible d'entraîner des dommages matériels ou une explosion.
Dans le cas d'une installation réussie, les autorités de contrôle ne scelleront toujours pas l'appareil, et elles écriront également une grosse amende pour la personne qui met les autres en danger. Ainsi, ils se conformeront au paragraphe 5.5.2 Décret n ° 170 Comité d'État de la Fédération de Russie pour la construction et le logement.

Les compteurs de gaz sont installés sur la base des normes Loi fédérale n ° 261qui est entré en vigueur le 29/06/2015 et qui oblige l'utilisation d'un compteur de gaz dans les pièces avec chauffage individuel.
Les propriétaires de tels locaux et seulement ceux qui le souhaitent ont plusieurs options de traitement:
- organisations de distribution;
- départements abonnés des gaz interrégionaux;
- entreprises spécialisées.
Choisissez compteurs de gaz les abonnés eux-mêmes de la liste des modèles certifiés par l'État. Les modifications des appareils peuvent être bilatérales, ainsi que pour droitiers et gauchers, ces derniers ne pouvant être implantés partout.
L'emplacement du compteur de gaz dans la pièce
Le maître de gaz n'installera pas le compteur sur une conduite dont la température de surface est supérieure à +60 ° C ou inférieure à -20 ° C. L'installateur peut demander au propriétaire de déplacer le poêle, même s'il est à une distance sécuritaire. Les différends entre les parties surviennent souvent pour ce motif, mais ils peuvent être résolus simplement en faisant avancer la plaque. Les mêmes exigences s'appliquent aux conditions environnementales, bien qu'il n'y ait pas de pièces avec de telles températures dans les bâtiments résidentiels.
Le gasman commencera à monter le compteur lorsqu'il n'y a pas d'obstacles techniques, et à partir de ce moment, les propriétaires devraient contrôler le processus.

L'appareil est monté uniquement dans un endroit accessible, quelles que soient les opinions des résidents. À son tour, rien n'empêche les propriétaires de commander l'installation dans une cuisine à moitié vide, puis de fermer le comptoir dans les meubles suspendus.
Il n'y aura aucun acte répréhensible dans de telles actions, car le représentant du fournisseur pourra voir les preuves. En ce sens, les propriétaires se gênent parfois. Pour prendre les indicateurs vous-même ou pour permettre à l'inspecteur, vous devrez déplacer des objets encore et encore ou tout sortir de l'armoire de cuisine. Par conséquent, à l'avenir, transporter un compteur de gazIl vaut mieux le placer immédiatement dans un endroit accessible.
N'acceptez pas une perte de temps supplémentaire si le maître est contre l'installation du compteur sur une section de tuyau pliée. Les performances de l'appareil ne dépendent pas de sa forme.
L'emplacement du compteur affecte la commodité et l'apparence de la pièce. L'appareil est intégré dans le tuyau comme le souhaite le consommateur - verticalement ou horizontalement.
L'assistant déterminera l'emplacement d'installation et indiquera le coût du travail. Le prix est affecté par:
- mètre tuyau flexible;
- le nombre de joints et d'adaptateurs;
- prix des pièces.
La législation contient des normes mutuellement exclusives concernant la partie responsable du support matériel de l'installation. Juridiquement, cela revient au fait que le service est payé par le consommateur. Il a encore le choix: acheter des pièces à un gasman ou acheter seul. La deuxième option coûtera moins de 30%.
Néanmoins, certaines catégories de citoyens ont droit à l'installation gratuite de débitmètres de gaz. Lire la suite dans ce truc.

Un assistant de société spécialisé ne réglera le compteur que s'il existe un projet. Le document indique l'emplacement dans la pièce, la hauteur et la distance des appareils à gaz et électriques. Le service gazier de l'organisme de distribution certifiera le projet. Les travailleurs du gaz rentreront ensuite à la maison, sceller le comptoir et délivrer un certificat de mise en service.
Distance du compteur de gaz à divers objets
Les normes ont été déterminées pour des raisons de sécurité et de fonctionnalité de l'appareil. Lors de l'installation, les maîtres de gaz sont conformes au SP 42-101-2003 - Dispositions générales pour la conception et la construction de systèmes de distribution de gaz à partir de tuyaux en métal et en polyéthylène.
Ainsi, sur la base du paragraphe 6.49 de ces règles, vous pouvez installer le compteur de gaz à l'extérieur des zones avec une libération accrue d'humidité ou de chaleur. Ceux-ci incluent le poêle et l'espace au-dessus, la chaudière, l'évier. Dans le même temps, la distance minimale entre le compteur et la chaudière à gaz et le poêle a un cadre clair.
En termes de lectures correctes, peu importe si l'appareil à gaz est à proximité ou électrique.Si de la chaleur ou de l'humidité en provient, une attention particulière est également portée à la température et à l'humidité. Les normes exactes s'appliquent uniquement aux équipements à gaz.
Pour l'installation, seuls les endroits avec un bon naturel ventilation, et forcé dans ce cas ne sera qu'un plus. Les zones avec de l'air stagnant ne conviennent certainement pas. La qualité de ce dernier est déterminée par les sensations.
Les conditions atmosphériques se dégradent dans les endroits reculés des pièces, les zones au-delà des cloisons, les niches. Les options ne conviennent pas à une distance considérable de la fenêtre et de la ventilation ou avec des obstacles dans leur direction.

Pendant les travaux, les installateurs utilisent les informations contenues dans les passeports des compteurs. Les fabricants indiquent leurs recommandations et leurs exigences générales concernant les modèles de compteurs de gaz, les distances minimales et maximales. Les travailleurs du gaz ne s'appuient pas toujours sur des données techniques, mais agissent sur la situation.
Si le fabricant n'a pas du tout fourni les exigences pour les intervalles, l'installateur doit respecter les paramètres universels suivants:
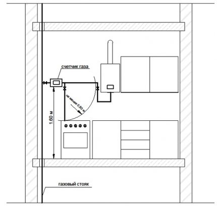
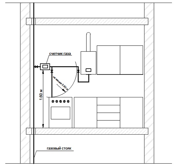
- La hauteur de la norme d'installation est de 160 cm Dans les règles, cet indicateur est indicatif et non obligatoire.
- La marge du mur doit être maintenue au moins à 3, et de préférence à 5 cm L'écart entre le compteur et la surface verticale est parfois appelé corrosif et est prévu en cas de détérioration du compteur, au moins 5 cm.
- L'intervalle jusqu'au dispositif de gaz le plus proche ne doit pas être inférieur à 80 cm Nous parlons d'appareils de chauffage au gaz et des mêmes poêles domestiques. La catégorie comprend les générateurs de chaleur, les chaudières, les chauffe-eau instantanés et capacitifs.
Certains types d'équipements sont séparés d'au moins 1 m, par exemple le chauffage et la cuisson et les poêles simples, les chaudières de cuisine, les poêles de restaurant.
La distance n'est mesurée d'aucun point et dans aucune direction. Le rayon du compteur de gaz est pris en compte. Pour le dire scientifiquement, il est nécessaire d'installer de telle manière que le long des trois axes, une distance minimale soit maintenue entre les points les plus proches du compteur non encore installés et les mêmes sur les appareils. Il n'y aura alors aucune erreur à intervalles.

Laissez au moins 5 cm entre les bords latéraux du poêle et le compteur de gaz; une distance trois fois plus grande est établie entre le compteur de gaz et la chaudière ou la colonne de gaz. Le niveau de placement est choisi à 40 cm au moins au-dessus du bord supérieur de la plaque et à 15 cm au moins du bord supérieur ou inférieur du chauffe-eau.
Aspects supplémentaires lors de l'installation du compteur
Au même niveau que le compteur, un détecteur de fuite de gaz est également installé. Avant et après le compteur sur le tuyau monté verrouillage des mécanismes de la grue comme une balle ou toute autre. Les grues vous permettront de retirer rapidement le compteur de gaz pour inspection ou remplacement.
À la fin des travaux, les joints et les nœuds sur le tuyau avec un compteur sont vérifiés pour les fuites. Cela vaut la peine de le faire immédiatement pour ne pas appeler à nouveau l'assistant. Les travailleurs du gaz des sociétés de distribution vérifient eux-mêmes l'équipement - ils recherchent les fuites et les fuites.
Toutes les connexions et les joints de la branche avec le comptoir sont ensuite recouverts d'eau savonneuse. L'installation du compteur de gaz est considérée comme réussie et l'équipement fonctionne si aucune bulle n'apparaît lors de l'alimentation en gaz.
Installation d'un compteur de gaz extérieur
L'installation depuis le côté de la rue n'est pas une procédure facile, vous devrez donc faire cette réservation à l'avance. La réponse sera donnée dans le service du gaz, et tout dépend de la situation spécifique et de la faisabilité de la tâche en principe. En général, il n'y a pas d'obstacles.

Le corps du compteur aura besoin d'une protection contre la corrosion, sinon d'autres dommages à l'appareil se produiront. Le problème de la protection contre les intempéries est résolu avec une visière.
Devant l'entrée de gaz du compteur, vous ne pouvez pas vous passer d'une barrière grillagée qui empêche la saleté de pénétrer dans le compteur. Parfois, le compteur de gaz est placé dans une armoire sur la façade et résout ainsi 2 problèmes à la fois.
Conclusions et vidéo utile sur le sujet
Quoi de mieux, achetez un nouveau compteur de gaz ou vérifiez celui qui est:
À quoi faut-il faire attention lors de l'installation d'un compteur de gaz:
Dans une pièce, vous pouvez installer plusieurs compteurs de gaz à la fois. Le seul problème est que parfois cela ne peut se faire sans permutations. Le consommateur fera ce qu'il faut si, lors de l'installation, il exprimera son point de vue, mais il écoutera toujours le maître avec l'opinion contraire.
Dans un endroit mal ventilé ou à une grande distance de la fenêtre, le compteur de gaz n'est probablement pas installé, mais théoriquement, l'appareil peut être déplacé dans la rue.
Parlez-nous de votre expérience dans l'installation de compteurs de gaz, avez-vous eu des problèmes pour installer de l'équipement? Qu'avez-vous fait dans des situations spécifiques, quelles mesures avez-vous prises pour résoudre les problèmes qui se sont posés? Partagez votre expérience, posez des questions dans le formulaire ci-dessous.

À Ryazan, ils ont installé un compteur de gaz dans un appartement avec un particulier. le chauffage. Il dépasse du sol à plus d'un mètre des murs, c'est-à-dire non situé sur le mur et à une distance zéro du sol. L'appartement n'a pas encore été mis en service. Quelle instruction est installée sur ce compteur de gaz? LCD Pozharsky, app.6.