Chaudière à chauffage indirect pour chaudière à gaz: spécificités de fonctionnement et de raccordement
Une puissante chaudière à gaz installée dans le chalet peut facilement résoudre le problème du chauffage et de l'alimentation en eau chaude de la maison. Mais la quantité de liquide chauffé pour l'hygiène et les besoins du ménage est limitée et ne convient pas toujours aux propriétaires. Pour compenser sa pénurie, installez BKN - chaudière à chauffage indirect pour une chaudière à gaz.
Tenez compte des caractéristiques et des capacités fonctionnelles de l'unité de stockage et découvrez également comment l'utiliser au mieux avec une chaudière à gaz, afin que le résultat soit aussi efficace que possible.
Le contenu de l'article:
Particularités de la chaudière à chauffage indirect
Une chaudière est un grand baril dont la fonction principale est le cumulatif. Il arrive de différents volumes et formes, mais son objectif ne change pas. Sans chaudière, un problème peut survenir lors de l'utilisation, par exemple, de deux douches ou d'une douche et d'un robinet de cuisine à la fois.
Si une chaudière domestique à 2 circuits d'une capacité de 24-28 kW ne délivre que 12-13 l / min au conduit, et 15-17 l / min est nécessaire pour une douche, alors lorsque vous ouvrez un robinet supplémentaire, il y aura une pénurie d'eau. La chaudière n'a tout simplement pas une capacité de travail suffisante pour alimenter plusieurs points en eau chaude.

Toutes les chaudières à accumulation peuvent être divisées en 2 grandes catégories:
- chauffage direct, créant une réserve d'eau chaude à l'aide d'un élément chauffant - par exemple, un radiateur électrique;
- Chauffage indirect, préchauffant déjà l'eau avec un liquide de refroidissement chaud.
Il existe d'autres types de chaudières - par exemple, les chauffe-eau à accumulation conventionnels. Mais indirectement, seuls les dispositifs de stockage d'énergie peuvent recevoir de l'énergie et chauffer de l'eau.
Le BKN, contrairement aux équipements volatils fonctionnant à l'électricité, au gaz ou au combustible solide, utilise la chaleur générée par la chaudière. Autrement dit, son fonctionnement ne nécessite pas d'énergie supplémentaire.

Le variateur s'intègre facilement dans le système d'ECS, sans causer de problèmes pendant le fonctionnement.
Les utilisateurs voient l'utilisation de BKN de nombreux avantages:
- l'unité ne nécessite pas d'électricité et gagne sur le plan économique;
- l'eau chaude est toujours «prête», vous n'avez pas besoin de sauter l'eau froide et d'attendre qu'elle chauffe;
- plusieurs points de distribution d'eau peuvent fonctionner librement;
- température de l'eau stable et non descendante pendant la consommation.
Des inconvénients sont également disponibles: le coût élevé de l'unité et l'espace supplémentaire dans la chaufferie.

Selon toutes les caractéristiques, BKN peut être utilisé conjointement avec chaudière à gaz. De plus, c'est l'une des meilleures solutions pour équiper un système de préparation d'eau chaude pour une maison privée avec un grand nombre d'habitants.
Mais les chaudières sont différentes, alors considérez à la fois les options acceptables et celles où des problèmes peuvent survenir.
Équipement de chauffage au gaz + BKN
Dans la maison de campagne pour des vacances d'été, il n'est pas nécessaire d'établir un système de communication complexe, alors que pour un chalet de résidence permanente c'est tout simplement nécessaire. Il ne vaut pas la peine de considérer si une chaudière supplémentaire pour une chaudière à gaz est nécessaire - bien sûr, cela se révélera être une acquisition très utile, augmentant considérablement le confort de vie dans la maison.
Nous passerons en revue les schémas de connexion de base du BKN afin d'éviter les erreurs qui sont possibles avec l'auto-installation de l'équipement.
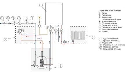
Schéma de raccordement pour une chaudière à 1 circuit
Les unités à circuit unique remplissent l'une des fonctions déclarées par le fabricant: elles fournissent soit le chauffage de l'eau pour l'eau chaude sanitaire, soit elles chauffent une maison - et la deuxième option est utilisée beaucoup plus souvent dans la vie quotidienne.
La solution combinée - une chaudière à gaz à 1 circuit + BKN - est l'une des meilleures pour un petit chalet.

Le processus de chauffage se déroule comme suit:
- l'eau froide pénètre dans la chaudière, où elle est chauffée à la température souhaitée (par exemple, + 80 ° C) par un brûleur à gaz;
- le liquide de refroidissement chauffé entre dans le circuit de chauffage - aux radiateurs - et à l'échangeur de chaleur chauffe-eau à accumulation, c'est-à-dire une chaudière;
- en augmentant la température de l'échangeur de chaleur, l'eau de la chaudière est chauffée et lorsque les robinets sont ouverts, elle entre dans le consommateur.
Lors de la mise en œuvre de ce schéma d'une chaudière à gaz à 1 circuit avec une chaudière indirecte, les données techniques sont de première importance - la puissance et le débit du liquide de refroidissement.
Selon des indicateurs moyens, l'eau de la chaudière, si elle n'a pas fonctionné auparavant, est chauffée de zéro à une température acceptable en 5-15 minutes, c'est-à-dire que l'attente ne durera pas longtemps. Généralement, l'unité est en état de marche, il y a donc toujours accès à de l'eau chauffée.
Analysons les caractéristiques de la liaison des appareils en question.
Vous devez d'abord choisir l'endroit le plus pratique pour l'installation - le plus souvent, c'est une chaufferie, un local non résidentiel séparé. Il est préférable de disposer les unités à une distance étroite les unes des autres - afin que le processus de chauffage soit plus rapide et que moins de matériaux soient consommés.

Le liage se fait sur deux côtés: le chargement et l'approvisionnement en eau.
A la sortie de la chaudière, il est recommandé d'installer vase d'expansion à membranecompenser la dilatation thermique et stabiliser le système. Tous les circuits doivent être équipés de vannes à boisseau sphérique et de clapets anti-retour qui contrôlent le sens d'écoulement du liquide de refroidissement.
L'installation de filtres ne sera pas superflue - l'eau est fournie au système différemment, et pendant l'accident, du sable ou d'autres débris peuvent y pénétrer, ce qui peut contaminer le liquide de refroidissement et désactiver l'équipement.

Des deux côtés de la pompe, des vannes d'arrêt sont installées. Le même robinet - à l'entrée de l'eau froide de la chaudière.
Un té avec un robinet de vidange est installé sur la buse de la chaudière et des vannes d'arrêt sont installées sur les deux tuyaux afin que l'unité puisse toujours être coupée de la chaudière pour le nettoyage ou tout autre entretien. A l'entrée, devant le robinet, un évent doit être placé.
La meilleure option est de se connecter à l'aide d'une vanne thermostatique à trois voies, qui organise la sortie du liquide de refroidissement de la chaudière et sa division en deux flux - dans la chaudière et le secteur du chauffage. Avec lui, vous pouvez régler la température: si le chauffage convient aux radiateurs jusqu'à + 80-90 ° C, alors pour le chauffage par le sol, il est préférable de le limiter à + 45 ° C.
S'il n'y a pas de vanne à trois voies, installez deux pompe de circulation, dont l'un dessert BKN, l'autre pour la branche chauffage.

Parfois, des circuits avec recirculation du liquide de refroidissement sont utilisés - par exemple, pour maintenir en permanence un sèche-serviettes chauffant dans un état de «fonctionnement». L'eau chauffée circule en circuit fermé, empêchant le tuyau de se refroidir. Un élément obligatoire est une pompe de circulation, et un clapet anti-retour n'est pas nécessaire. L'inconvénient d'un tel système en été est le dépassement d'énergie.
Avec le passage de la chaudière à gaz au «mode été», le circuit de chauffage est simplement coupé - le brûleur à gaz chauffe le liquide de refroidissement de la chaudière. Mais il existe une autre solution: éteignez simplement la chaudière à gaz et utilisez uniquement une chaudière. Cela est possible si le variateur est en outre équipé d'une source de chauffage autonome - éléments chauffants.
Deux applications avec une chaudière à 2 circuits
Les propriétaires d'équipements de chauffage au gaz sont également intéressés par son fonctionnement. chaudière à chauffage indirect avec une chaudière à gaz à 2 circuits. Les experts pensent que l'interaction des unités est possible, mais le résultat dépend du schéma de connexion: avec l'une d'elles, elles ne sont tout simplement pas conçues pour fonctionner les unes avec les autres.
Intégration de la chaudière dans le circuit ECS
Envisagez d'abord l'option lorsque la chaudière est intégrée dans le circuit d'ECS. D'un point de vue hydraulique, tout semble correct. Un thermostat mécanique à trois contacts, placé dans le corps de la chaudière, ferme le circuit d'alimentation de la pompe lorsque la température baisse.
Cela, à son tour, commence à pomper de l'eau, qui circule le long du circuit entre deux échangeurs de chaleur: elle est chauffée à partir d'un brûleur à gaz, puis elle se déplace vers la bobine BKN.

Le problème se pose précisément en raison de l'inadéquation des paramètres de température. Supposons qu'au départ la température de remplissage de la chaudière soit de + 15 ° C et que la température recommandée pour chauffer l'eau de la chaudière + 60 ° C ne soit plus autorisée par le limiteur automatique.
La différence entre les deux paramètres donnés à 45 ° est significative, par conséquent, le transfert de chaleur dans la chaudière est assez intense.Mais la température commence à augmenter, et quand elle atteint + 40 ° C, la différence est déjà beaucoup plus petite - seulement 20 °. En conséquence, le transfert de chaleur ralentit.
N'oubliez pas que l'eau continue de circuler entre les deux appareils. Ce n'est pas le liquide de refroidissement à 15 degrés du système d'eau froide recommandé par le fabricant qui commence à s'écouler vers le brûleur à gaz de la chaudière, mais le fluide chauffé à 40 puis 50 degrés de la chaudière.

Dans la chaudière, l'eau commence à refroidir - le capteur se rallume et le processus de circulation reprend. Et donc constamment. Cela conduit au fait que l'eau dans la chaudière n'atteint pas la température souhaitée, mais reste insuffisamment chaude, ce qui n'est pas adapté à un usage domestique d'eau chaude.
Le processus d'interaction entre les deux unités pourrait avoir lieu si le brûleur de la chaudière chauffait le liquide de refroidissement à + 80 ° C, mais cela est interdit par les instructions pour protéger les utilisateurs contre les brûlures.
Une autre raison de ne pas utiliser le BKN et le circuit ECS d'une chaudière à gaz à vapeur est l'incapacité de chauffer l'eau dans la chaudière à une température supérieure à + 60 ° C. Cela est dû aux normes sanitaires.

On peut conclure que, pour deux raisons, mais importantes, le schéma de combinaison d'une chaudière à gaz et de BKN via un circuit d'eau chaude est reconnu comme inefficace et dangereux. Si vous avez déjà une chaudière à double circuit, utilisez-la simplement pour l'usage prévu: utilisez un circuit pour le système de chauffage, le second pour l'eau chaude sanitaire.
Interaction du BKN avec un circuit de chauffage
La deuxième option est l'interaction du BKN avec le circuit de chauffage. La solution technique fonctionne très bien s'il n'y a pas suffisamment de performances de chaudière à gaz, et c'est le seul moyen efficace de connecter le BKN à une chaudière à 2 circuits.

Avec la commande électronique, vous devez configurer la chaudière pour chauffer l'eau à + 70 ° C - exactement liquide de refroidissement ira à la chaudière, où un contrôle supplémentaire de la température aura lieu. Le thermostat situé dans la chaudière allumera la pompe lorsque la température baisse, lorsqu'elle atteint la valeur requise, l'éteindre.
Avec la commande mécanique d'une chaudière à gaz, tout se passe différemment. Un deuxième thermostat est connecté au thermostat de la chaudière - une chaudière, puis le premier appareil peut être contrôlé à l'aide du second. Par exemple, si vous réglez la température à + 80 ° С sur le second, le premier, en fonctionnement, nécessitera de chauffer l'eau à + 80 ° С, quelle que soit la température qui y est réglée.
Lorsque l'eau de la chaudière atteint la température souhaitée, le deuxième thermostat coupe le circuit et le premier, situé sur la chaudière, redevient le «principal». Si à ce moment la température est réglée à + 40 ° C, alors elle descendra à 40.
Comment rendre la reliure sans erreur?
Pour que les deux unités - la chaudière à gaz et le BKN - fonctionnent en douceur et tout au long de la durée de vie, il est important de correctement cerclage complet, c'est-à-dire établir un groupe de sécurité et d'autres éléments.
Lors de l'installation de filtres grossiers, assurez-vous de vérifier son emplacement - une flèche est placée sur le corps, indiquant la direction du mouvement de l'eau.
Ce filtre ne peut pas être installé verticalement car, en conséquence, des particules grossières s'accumulent dans le tuyau et non dans le filtre lui-même. Le nettoyage ne peut être effectué que par lavage sous pression - vous pouvez donc tacher toute la chaufferie.
Le vase d'expansion ne doit pas être installé séparément, mais entre la chaudière et le clapet anti-retour, sinon il sera inutile et ne remplira pas ses fonctions.
Conclusions et vidéo utile sur le sujet
Comment faire un cerclage d'une chaudière à 1 circuit avec BKN:
À propos des nuances de connexion d'une chaudière à chauffage indirect:
Connexion d'une chaudière à gaz à un BKN en pratique:
Nous recommandons d'impliquer des spécialistes dans l'installation et le raccordement de la chaudière, afin qu'à l'avenir vous ne rencontriez pas de problèmes de chauffage ou d'eau chaude uniquement en raison d'une tuyauterie incorrecte ou de l'absence d'éléments importants dans le système. N'oubliez pas les instructions du fabricant, qui indiquent souvent les nuances de l'unité fonctionnant avec un appareil particulier.
