Comment fabriquer un radiateur à induction de vos propres mains à partir d'un onduleur de soudage
Les chaudières à induction sont des appareils à très haut rendement. Ils peuvent réduire considérablement le coût de l'électricité par rapport aux appareils traditionnels équipés d'éléments chauffants.
Les modèles de production industrielle ne sont pas bon marché. Cependant, tout maître à domicile qui possède un simple ensemble d'outils peut fabriquer un radiateur à induction de ses propres mains. Pour l'aider, nous vous proposons une description détaillée du principe de fonctionnement et de montage d'un chauffage efficace.
Le contenu de l'article:
Le principe de fonctionnement du chauffage par induction
Le chauffage par induction n'est pas possible sans l'utilisation de trois éléments principaux:
- inducteur;
- générateur;
- élément chauffant.
L'inductance est une bobine, généralement constituée de fil de cuivre, qui aide à générer un champ magnétique. Un alternateur est utilisé pour produire un flux haute fréquence à partir d'un flux de réseau électrique domestique standard à une fréquence de 50 Hz.
Un objet métallique capable d'absorber l'énergie thermique sous l'influence d'un champ magnétique est utilisé comme élément chauffant. Si vous combinez correctement ces éléments, vous pouvez obtenir un appareil haute performance, parfait pour chauffer un liquide de refroidissement et chauffage domestique.
En utilisant un générateur, un courant électrique avec les caractéristiques nécessaires est fourni à l'inductance, c'est-à-dire sur une bobine de cuivre. En le traversant, un flux de particules chargées forme un champ magnétique.

La particularité du champ est qu'il a la capacité de changer la direction des ondes électromagnétiques à hautes fréquences. Si un objet métallique est placé dans ce champ, il commencera à chauffer sans contact direct avec l'inductance sous l'influence des courants de Foucault créés.

Le manque de contact nous permet de faire des pertes d'énergie lors du passage d'un type à un autre négligeables, ce qui explique l'augmentation de l'efficacité des chaudières à induction.
Pour chauffer l'eau du circuit de chauffage, il suffit d'assurer son contact avec un radiateur métallique. Souvent, un tuyau métallique est utilisé comme élément chauffant, à travers lequel un flux d'eau est simplement passé. L'eau refroidit simultanément le radiateur, ce qui augmente considérablement sa durée de vie.

Avantages et inconvénients de l'appareil
Les «avantages» du chauffage à induction vortex sont nombreux. Il s'agit d'un schéma simple pour une fabrication indépendante, une fiabilité accrue, une efficacité élevée, des coûts énergétiques relativement faibles, une longue durée de vie, une faible probabilité de pannes, etc.
La productivité de l'appareil peut être importante, des unités de ce type sont utilisées avec succès dans l'industrie métallurgique. Par la vitesse de chauffage du liquide de refroidissement, les appareils de ce type rivalisent en toute confiance avec les chaudières électriques traditionnelles, la température de l'eau dans le système atteint rapidement le niveau requis.
Pendant le fonctionnement de la chaudière à induction, le radiateur vibre légèrement. Cette vibration secoue les sédiments calcaires et autres contaminants possibles des parois du tuyau métallique; par conséquent, un tel appareil a rarement besoin d'être nettoyé. Bien sûr, le système de chauffage doit être protégé de ces contaminants à l'aide d'un filtre mécanique.

Un contact constant avec de l'eau minimise la probabilité d'épuisement du chauffe-eau, ce qui est un problème assez courant pour les chaudières traditionnelles avec des éléments chauffants. Malgré les vibrations, la chaudière fonctionne extrêmement silencieusement; une isolation acoustique supplémentaire sur le site d'installation n'est pas nécessaire.
Pourtant, les chaudières à induction sont bonnes en ce qu'elles ne fuient presque jamais, si seulement l'installation du système se fait correctement. C’est une qualité très précieuse pour chauffage électrique, car il élimine ou réduit considérablement la probabilité de situations dangereuses.
L'absence de fuites est due à la méthode sans contact de transfert d'énergie thermique vers le radiateur. En utilisant la technologie décrite ci-dessus, le liquide de refroidissement peut être chauffé presque à l'état de vapeur.
Cela fournit une convection thermique suffisante pour stimuler le mouvement efficace du liquide de refroidissement à travers les tuyaux. Dans la plupart des cas, le système de chauffage n'a pas besoin d'être équipé d'une pompe de circulation, bien que cela dépende des caractéristiques et de la disposition d'un système de chauffage particulier.
Parfois pompe de circulation nécessaire. L'installation de l'appareil est relativement facile. Bien que cela nécessitera certaines compétences dans l'installation d'appareils électriques et de tuyaux de chauffage. Mais cet appareil pratique et fiable présente un certain nombre d'inconvénients qui doivent également être pris en compte.
Par exemple, la chaudière chauffe non seulement le liquide de refroidissement, mais aussi tout l'espace de travail qui l'entoure. Il est nécessaire de sélectionner une pièce séparée pour un tel agrégat et d'en retirer tous les objets étrangers. Pour une personne, un long séjour à proximité immédiate d'une chaudière en fonctionnement peut également être dangereux.

Pour le fonctionnement de l'appareil nécessite de l'électricité. Dans les zones où il n'y a pas d'accès gratuit à cet avantage de la civilisation, une chaudière à induction sera inutile. Et lorsque des interruptions fréquentes de l'électricité sont observées, cela démontrera une faible efficacité. Si l'appareil est manipulé avec précaution, une explosion peut se produire.
Si le liquide de refroidissement est surchauffé, il se transformera en vapeur. En conséquence, la pression dans le système augmentera fortement, ce que les tuyaux ne peuvent tout simplement pas supporter et se briseront. Par conséquent, pour un fonctionnement normal du système, l'appareil doit être équipé d'au moins un manomètre, et encore mieux - un dispositif d'arrêt d'urgence, un contrôleur de température, etc.
Tout cela peut augmenter considérablement le coût d'une chaudière à induction faite maison. Bien que l'appareil soit considéré comme presque silencieux, ce n'est pas toujours le cas. Certains modèles, pour diverses raisons, peuvent encore produire du bruit. Pour un appareil fabriqué indépendamment, la probabilité d'un tel résultat augmente.

Étapes maison
Fabriquer soi-même un tel appareil n'est pas si difficile. Pour ce faire, vous aurez besoin de:
- Faites un élément chauffant.
- Faire une bobine d'inductance de fil de cuivre.
- Prenez un alternateur prêt à l'emploi.
- Connectez le radiateur avec serpentin au système de chauffage.
- Connectez la bobine au générateur.
- Connectez l'alimentation au système.
- Effectuez un test pour vérifier le fonctionnement de l'unité.
Dans les modèles industriels, un tuyau métallique à parois épaisses est utilisé comme appareil de chauffage, mais il est très difficile et n'a pas beaucoup de sens de fournir une puissance suffisante pour qu'un appareil fait maison chauffe un tel élément. Une bobine d'induction peut chauffer n'importe quel métal, de sorte que le radiateur peut être modifié.

Un morceau de tuyau en plastique est utilisé comme logement pour un appareil de chauffage par induction à partir d'un onduleur de soudage. Il doit être légèrement plus grand en diamètre que les tuyaux de chauffage. La longueur du tuyau pour l'appareil de chauffage peut être d'environ un mètre, le diamètre intérieur peut varier entre 50 et 80 mm.
Pour connecter le radiateur au système, installez des adaptateurs dans les parties inférieure et supérieure du boîtier. La partie inférieure du tuyau doit être fermée avec un gril, puis une charge constituée de petites particules de métal est placée à l'intérieur du corps. Vous pouvez obtenir du remplissage, par exemple, à partir de fil, de barre, de tuyau métallique étroit, etc.
La longueur des segments peut être modifiée arbitrairement. Le plus souvent, un fil d'acier d'un diamètre de 6 à 8 mm est utilisé pour cela, qui est simplement coupé en petits morceaux. Certains maîtres recommandent de le couper en longues tiges d'environ 90 cm, c'est-à-dire presque sur toute la longueur du radiateur.

Plus la résistance magnétique de l'acier dont le fil est fait est élevée, mieux il chauffe. En fonction de la taille de ces pièces, un maillage de protection est également sélectionné, qui est monté au fond du boîtier. La charge est remplie ou posée dans un tuyau jusqu'au sommet. Après cela, la partie supérieure est également recouverte d'un filet.

Ainsi, un appareil de chauffage fait maison pour une chaudière à induction ressemble à un tuyau en plastique épais, bourré de morceaux de métal et fermé des deux côtés par une grille. Au-dessus et en dessous du radiateur, il y a des adaptateurs pour le raccordement au circuit de chauffage. Le tuyau en polymère du radiateur doit avoir des parois suffisamment épaisses.
De plus, aucun plastique à ces fins ne convient pas, le matériau doit subir les effets d'un chauffage assez fort et en même temps ne pas émettre de substances dangereuses dans l'atmosphère ou le liquide de refroidissement. Vous devez maintenant créer une grille d'induction. Pour ce faire, prenez un fil de cuivre et enroulez-le directement sur le corps du radiateur.

Plus il y a de tours de fil, mieux c'est. On pense que la bobine d'induction devrait avoir au moins 90 tours. L'inducteur est enroulé très étroitement sur le tuyau, il ne doit pas y avoir d'espace entre les spires.
Pour l'enroulement, un fil isolé en cuivre de 1-1,5 mm convient. Un câble plus épais n'est pas nécessaire ici, car cela compliquera également le travail sur l'enroulement, il sera plus difficile d'organiser les bobines étroitement.

La présence de lacunes peut entraîner du bruit dû aux vibrations, qui accompagne le fonctionnement d'une telle unité. Au fil du temps, cette situation peut entraîner la destruction de l'isolation, ce qui entraînera un circuit inter-tours.
Au-dessus et en dessous, en plus des adaptateurs, des robinets d'arrêt doivent être installés. Ils sont nécessaires pour permettre, si nécessaire, de couper l'eau du circuit de chauffage.
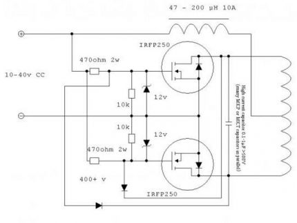
Lors de l'installation du chauffe-eau, il ne faut pas oublier que son extrémité inférieure doit être dirigée vers le tuyau de retour, conçu pour recueillir le liquide de refroidissement refroidi dans système de chauffage à double tuyau. Le moyen le plus simple d'obtenir un générateur à champ alternatif est de prendre un onduleur de la machine à souder.
Les contacts de la bobine d'induction sont connectés aux pôles de l'onduleur.Dès que l'alimentation électrique est connectée à l'unité et qu'elle est incluse dans le réseau, une chaudière à induction maison commencera à fonctionner.
Pour la fabrication d'un tel appareil, même une machine de soudage peu coûteuse convient, par exemple, un modèle de fabrication chinoise qui vous permet d'ajuster la force du courant, à partir d'un niveau de 10 A. Un capteur de régulateur de température doit être installé près de l'adaptateur sur l'alimentation. L'onduleur de soudage est connecté via ce thermostat.
Aux sorties, des diodes de redressement doivent être installées. Pour ce faire, vous devrez ouvrir le corps de la machine à souder et souder les fils à la sortie, puis les attacher aux diodes. Si vous vous connectez sans diodes directement, un courant de tension redressé circulera vers l'enroulement et la bobine fonctionnera comme un électro-aimant, pas comme une inductance.

Certaines machines de soudage modernes ont un capteur tactile qui démarre lorsque l'électrode touche la surface de travail. Ce moment doit être pris en compte pour que le capteur fonctionne au bon moment ou n'affecte pas le fonctionnement d'une chaudière artisanale.
Si un maître inexpérimenté a des problèmes avec la modification de la machine de soudage, il est préférable pour lui de consulter un professionnel.

Si tout est fait correctement, la machine de soudage peut être utilisée à l'avenir pour son utilisation prévue. Il faudra dessouder les conducteurs avec des diodes et remonter. Sous l'influence du courant alternatif haute fréquence, une bobine d'induction va créer un champ magnétique.
Le métal à l'intérieur du boîtier en polymère commencera à chauffer et à transférer la chaleur à l'eau qui circule dans le circuit de chauffage. L'appareil n'aura besoin que de quelques minutes pour chauffer le liquide de refroidissement.
L'emplacement du chauffage par induction doit être sélectionné correctement. L'unité doit être située à 800 mm sous le plafond et au moins 300 mm doit la séparer des murs et des meubles.
Quelques mots sur la sécurité
Les chaudières à induction maison ne sont généralement pas équipées de systèmes de contrôle et de protection, ce qui les rend dangereuses. Par conséquent, avant d'allumer l'appareil, vous devez vous assurer que la cavité du boîtier est remplie de liquide de refroidissement.
Si le boîtier en polymère du radiateur est soumis à un chauffage constant sans lavage avec le caloporteur, il fondra simplement, ce qui entraînera parfois non seulement la déformation du radiateur, mais également son endommagement complet.

La chute d'une charge métallique chaude d'un corps en fusion peut également être dangereuse. Dans ce cas, vous devrez démonter presque complètement l'appareil et en faire un nouvel élément chauffant.
La connexion à l'alimentation doit être effectuée via un câble séparé du blindage. Bien sûr, il est nécessaire de sceller soigneusement tous les contacts avec de l'isolant. L'onduleur de la machine à souder doit également être mis à la terre, c'est un point important pour la sécurité.
Dans ce cas, vous avez besoin d'un câble d'une section d'au moins quatre millimètres. Certains experts recommandent de privilégier un câble de six millimètres. Pour éviter la surchauffe d'un radiateur à induction fait maison en raison du manque d'eau dans le système, il est recommandé d'installer une soupape de surpression à l'entrée du radiateur.

Un appareil artisanal de ce type, non équipé d'un équipement de protection spécial, est un objet potentiellement dangereux qui nécessite une surveillance constante. Par conséquent, vous devriez dépenser un peu plus d'argent, mais achetez les appareils nécessaires.
En même temps, l'évaluation des coûts ne fait pas de mal, l'achat d'une chaudière à induction prête à l'emploi ne coûtera peut-être pas beaucoup plus cher. Les appareils industriels sont généralement équipés de toutes les protections nécessaires.
Caractéristiques et technologie de fabrication pas à pas d'une autre version d'une chaudière à induction maison pour le système de chauffage donné ici.
Conclusions et vidéo utile sur le sujet
Extrait n ° 1. Aperçu des principes du chauffage par induction:
Extrait n ° 2. Une option intéressante pour fabriquer un radiateur à induction:
Pour installer un chauffage par induction, vous n'avez pas besoin d'obtenir l'autorisation des autorités réglementaires, les modèles industriels de ces appareils sont totalement sûrs, ils conviennent à une maison privée et à un appartement ordinaire. Mais les propriétaires d'unités maison ne doivent pas oublier la sécurité.
Veuillez commenter le matériel que nous avons proposé de réviser. Posez des questions sur des points intéressants ou obscurs. Peut-être avez-vous votre propre expérience dans la construction ou l'installation d'une chaudière à induction? Vous pouvez dire et publier des photos uniques dans la section des commentaires ci-dessous.

Les ventes d'énergie ne seront pas heureuses. Lorsque l'énergie inductive est utilisée (moteur électrique, bobine de démarrage), l'énergie réactive se produit toujours, ce qui neutralise l'énergie active dans le réseau. Les appareils à induction doivent être utilisés avec une installation compensatrice à condenseur, choisie en fonction de la puissance de la chaudière. Bien que le réactif du compteur à domicile n'enregistre pas l'organisation d'alimentation électrique, des dommages seront causés.
Vladimir, c'est le raisonnement d'un amateur absolu. Dans tous ces appareils, le courant alternatif de 50 Hz est d'abord redressé par des diodes qui sont chargées sur des condensateurs électrolytiques, et seulement après cela, une tension d'environ 310 volts d'une source de courant continu est convertie par l'onduleur en une tension alternative à haute fréquence, qui fonctionne pour le chauffage.
J'ai trouvé quelqu'un à regretter ...