Relais de contrôle de phase: principe de fonctionnement, types, marquage + comment régler et connecter
Le résultat de la situation technique, lorsque les enroulements du stator du moteur consomment plus de courant que les valeurs paramétriques définies, est un excès de chaleur. Ce facteur entraîne une diminution de la qualité de l'isolation du moteur. L'équipement tombe en panne.
Le temps de réaction des relais de surcharge thermique n'est généralement pas suffisant pour assurer une protection efficace contre la chaleur excessive générée par un courant élevé. Dans de tels cas, seul le relais de surveillance de phase est considéré comme un dispositif de protection efficace.
Le contenu de l'article:
Informations générales sur l'instrument
La fonctionnalité des appareils électriques de ce type est bien plus large que la simple protection contre la surchauffe et les courts-circuits.
Dans la pratique, les propriétés effectives du relais pour sélectionner les phases surchargées ont été notées, ce qui assure finalement une protection complète.

Grâce aux dispositifs de surveillance de phase, les avantages suivants sont obtenus:
- durée de vie prolongée du moteur;
- réduire les réparations coûteuses ou remplacer un moteur;
- temps d'arrêt réduits en raison de défauts du moteur;
- risque réduit de choc électrique.
De plus, l'appareil offre une protection fiable contre le feu et les courts-circuits des enroulements du moteur.
Relais de sécurité typiques
Il existe deux principaux types de dispositifs de protection destinés à être utilisés dans le cadre de systèmes triphasés - la mesure de courant et les relais de tension.
Avantages de l'utilisation d'appareils
Côté avantageux des relais de protection actuels par rapport à relais de surveillance de tension évident. Ce type d'instrument fonctionne indépendamment de l'influence des CEM (force électromotrice), qui accompagne invariablement une rupture de phase lors de surcharges moteur.
De plus, les appareils fonctionnant sur le principe de la mesure du courant sont capables de déterminer le comportement anormal du moteur. La surveillance est possible soit côté ligne dans le circuit de dérivation, soit côté charge où le relais est installé.

Les instruments qui contrôlent le processus par le principe de la mesure de la tension se limitent à détecter des conditions de fonctionnement anormales uniquement du côté de la ligne où l'appareil est connecté.
Cependant, les dispositifs sensibles à la tension présentent également un avantage important. Elle réside dans la capacité des appareils de ce type à détecter une condition anormale indépendante de l'état du moteur.
Par exemple, un type de relais sensible aux variations de courant ne détecte un état de phase anormal que directement pendant le fonctionnement du moteur. Mais l'appareil de mesure de tension offre une protection immédiatement avant le démarrage du moteur.
Parmi les avantages des appareils de mesure de tension figurent également une installation simple et un prix inférieur.
Ce type de dispositif de protection:
- n'a pas besoin de transformateurs de courant supplémentaires;
- quelle que soit la charge du système.
Et pour son fonctionnement, il suffit de connecter la tension.
Détection d'échec de phase
Une défaillance de phase est tout à fait possible en raison de la défaillance d'un fusible dans l'une des parties du système de distribution électrique. Une défaillance mécanique de l'équipement de commutation ou une coupure dans l'une des lignes électriques provoque également une défaillance de phase.

Un moteur triphasé monophasé tire le courant requis des deux lignes restantes. Tenter de le démarrer en mode monophasé bloquera le rotor et le moteur ne démarrera pas.
Le temps de réaction par unité de surcharge thermique peut être trop long pour assurer une protection efficace contre la chaleur excessive. S'il n'est pas installé pour s'en protéger relais thermique, puis lorsqu'une défaillance se produit en raison d'une surchauffe qui apparaît dans les enroulements du moteur.
La protection d'un moteur triphasé contre le facteur de rupture de phase est difficile car un moteur triphasé sous-chargé fonctionnant sur l'une des trois phases génère une tension dite régénérée (emf inverse).
Il est formé à l'intérieur d'un enroulement en lambeaux et est presque égal à la valeur de la tension d'entrée perdue. Par conséquent, les relais de mesure de tension qui ne contrôlent que sa valeur dans de telles situations n'offrent pas une protection complète contre le facteur de rupture de phase.

Un degré de protection plus élevé peut être obtenu en utilisant un dispositif qui peut détecter un décalage d'angle de phase, accompagnant généralement une défaillance de phase. Dans des conditions normales, la tension triphasée est de 120 degrés en phase les uns par rapport aux autres. Un échec entraînera un décalage de l'angle de la normale à 120 degrés.
Détection inverse de phase
Une inversion de phase peut se produire:
- La maintenance est en cours sur les équipements moteurs.
- Le système de distribution d'électricité a été modifié.
- Lorsque la récupération d'énergie entraîne une séquence de phases différente qui était antérieure à la panne de courant.
La détection d'une inversion de phase est importante si un moteur inversé peut endommager le mécanisme entraîné ou, pire encore, causer des dommages physiques au personnel de maintenance.

Les règles de fonctionnement des réseaux électriques nécessitent l'utilisation d'une protection contre les inversions de phase possibles sur tous les équipements, y compris les véhicules de transport de personnel (escaliers mécaniques, ascenseurs, etc.).
Détection de déséquilibre de tension
Un déséquilibre se manifeste généralement si la tension de ligne entrante fournie par la compagnie d'électricité a des niveaux différents. Un déséquilibre peut se produire lorsque des charges d'éclairage monophasé, des sorties électriques, des moteurs monophasés et d'autres équipements sont connectés en phases distinctes et ne sont pas distribués de manière équilibrée.
Dans tous ces cas, un déséquilibre de courant se forme dans le système, ce qui réduit l'efficacité et raccourcit la durée de vie du moteur.
Une tension déséquilibrée ou insuffisante appliquée à un moteur triphasé entraîne un déséquilibre du courant dans les enroulements du stator, qui est égal à une valeur multiple du déséquilibre des tensions interphasées. Ce moment, à son tour, s'accompagne d'une augmentation du chauffage, qui est la principale raison de la destruction rapide de l'isolation du moteur.

Sur la base de tous les facteurs techniques et technologiques décrits, il devient évident l'importance d'utiliser ce type de relais et non seulement pour les cas de fonctionnement des moteurs électriques, mais aussi pour les générateurs, transformateurs et autres équipements électriques.
Comment connecter un appareil de contrôle?
La conception des relais, qui contrôlent les phases, avec toute la large gamme de produits disponibles, ont un boîtier unifié.
Éléments structurels du produit
Les borniers pour connecter les conducteurs électriques, en règle générale, sont affichés sur le devant du boîtier, ce qui est pratique pour les travaux d'installation.
L'appareil lui-même est conçu pour être installé sur un rail DIN ou simplement sur un plan plat. L'interface du bornier est généralement une pince fiable standard conçue pour le montage de conducteurs en cuivre (aluminium) avec une section jusqu'à 2,5 mm2.
Le panneau avant de l'appareil contient le régulateur / régulateurs de réglage, ainsi que l'indication de contrôle de la lumière. Ce dernier montre la présence / absence de tension d'alimentation, ainsi que l'état de l'actionneur.

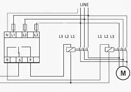
Une tension triphasée est connectée aux bornes de fonctionnement de l'appareil, indiquée par les symboles techniques correspondants (L1, L2, L3). L'installation d'un conducteur neutre sur de tels appareils n'est généralement pas prévue, mais ce moment est spécifiquement déterminé par l'exécution du relais - le type de modèle.
Pour se connecter aux circuits de commande, un deuxième groupe d'interface est utilisé, généralement composé d'au moins 6 terminaux de travail. Une paire du groupe de contacts du relais commute le circuit de bobine du démarreur magnétique et, à travers le second, le circuit de commande de l'équipement électrique.
Tout est assez simple. Cependant, chaque modèle de relais individuel peut avoir ses propres caractéristiques de connexion. Par conséquent, en appliquant le dispositif dans la pratique, il faut toujours être guidé par la documentation d'accompagnement.
Étapes de configuration du luminaire
Encore une fois, selon la version, la conception du produit peut être équipée de différentes options de circuit pour le réglage et le réglage. Il existe des modèles simples qui fournissent une sortie constructive au panneau de commande d'un ou deux potentiomètres. Et il existe des appareils avec des paramètres avancés.

Parmi ces éléments de réglage avancés, les micro-interrupteurs de bloc se trouvent souvent situés directement sur une carte de circuit imprimé sous le corps de l'appareil ou dans une niche ouvrable spéciale. En plaçant chacun d'eux dans une position ou une autre, la configuration requise est créée.
Le réglage se résume généralement au réglage des valeurs de protection en faisant tourner les potentiomètres ou en positionnant les micro-interrupteurs. Par exemple, pour surveiller l'état des contacts, le niveau de sensibilité de la différence de tension (ΔU) est généralement réglé sur 0,5 V.
S'il est nécessaire de contrôler les lignes d'alimentation de la charge, le régulateur de sensibilité à la différence de tension (ΔU) est réglé sur une telle position limite où le point de transition du signal de travail au signal d'urgence avec une petite tolérance vers la valeur nominale est noté.
En règle générale, toutes les nuances des réglages de l'instrument sont clairement décrites dans la documentation d'accompagnement.
Marquage du dispositif de contrôle de phase
Les instruments classiques sont simplement étiquetés. Une séquence alphanumérique est appliquée sur le panneau avant ou latéral du boîtier ou la désignation est indiquée dans le passeport.

Ainsi, un appareil de fabrication russe pour la connexion sans fil neutre est marqué:
EL-13M-15 AC400V
où: EL-13M-15 - le nom de la série, AC400V - tension alternative admissible.
Les échantillons de produits importés sont marqués légèrement différents.
Par exemple, un relais série PAHA est abrégé comme suit:
PAHA B400 A A 3 C
Le décodage est approximativement le suivant:
- PAHA est le nom de la série.
- B400 - tension standard 400 V ou connectée à partir d'un transformateur.
- A - réglage par potentiomètres et micro-interrupteurs.
- Boîtier de type A (E) pour montage sur rail DIN ou dans un connecteur spécial.
- 3 - taille du boîtier de 35 mm.
- C est la fin du marquage de code.
Sur certains modèles, une autre valeur peut être ajoutée avant le paragraphe 2. Par exemple, "400-1" ou "400-2", et la séquence des autres ne change pas.
C'est ainsi que les dispositifs de contrôle de phase sont marqués, dotés d'une interface d'alimentation supplémentaire pour une source externe. Dans le premier cas, la tension d'alimentation est de 10-100 V, dans le second 100-1000 V.
Avec le principe de fonctionnement, les caractéristiques de conception et le but de l'interrupteur de charge introduiront article suivant, que nous recommandons fortement de lire.
Conclusions et vidéo utile sur le sujet
La vidéo est consacrée à la description et à l'examen d'un seul produit d'EKF. Cependant, presque tous les dispositifs de surveillance de phase fabriqués fonctionnent sur le même principe:
Avec toute la variété d'appareils sur le marché, il est difficile de déterminer une norme de marquage. Si les fabricants étrangers étiquettent selon un canon, puis les nationaux selon les autres. Néanmoins, il est toujours possible de se référer à des données de référence si une interprétation exacte des caractéristiques est requise.
Vous souhaitez partager votre propre expérience dans la sélection et l'installation d'un relais de tension conçu pour la surveillance de phase? Avez-vous des informations utiles pour les visiteurs du site? Veuillez écrire des commentaires dans le bloc ci-dessous, publier des photos sur le sujet, poser des questions.
