Comment connecter un RCD dans un appartement sans mise à la terre: analyse des schémas et instructions pas à pas

Vasily Borutsky
Vérifié par un spécialiste: Vasily Borutsky
Publié par Victor Kitaev
Dernière mise à jour: Mai 2024

Les normes de construction actuelles sont conçues pour prendre en compte une quantité importante d'équipements électriques qui équipent les logements. Dans ce contexte, la protection des propriétaires contre les chocs électriques éventuels est une exigence importante. L'un des principaux rôles dans l'organisation d'une barrière efficace est le dispositif d'arrêt de protection.

Nous vous dirons comment connecter un RCD dans un appartement sans mise à la terre. Dans notre article, nous décrivons en détail les schémas testés dans la pratique pour assembler des réseaux électriques avec un mécanisme de protection. Les maîtres de maison indépendants avec nous trouveront des instructions de montage.

La nécessité de mettre à la terre le RCD

On pense que le fonctionnement sans défaut du disjoncteur à courant résiduel n'est atteint que s'il existe un réseau électrique avec un conducteur de contact de phase, un conducteur nul et un bus de terre.

En fait, si nous considérons le fonctionnement du RCD et du bus de mise à la terre, les deux appareils sont fonctionnellement conçus pour effectuer des actions similaires - pour mettre le circuit hors tension en cas de fuite d'électricité vers le boîtier. La différence n'est constatée que dans le principe du circuit.

Un tas de RCD automatique
Une paire de montage classique, grâce à laquelle un blocage complètement efficace est assuré à la fois des chocs électriques et des incendies possibles dus aux courts-circuits

Une conclusion logique s'ensuit d'ici: les deux solutions de circuit sont applicables dans la pratique de l'alimentation électrique d'une maison. De plus, l'option d'utilisation conjointe de ces deux solutions de circuit semble optimale.

Si un RCD est installé sur la ligne d'alimentation, l'organisation de la mise à la terre, dans l'ensemble, peut être exclue. Dans le même temps, l'introduction d'un dispositif de protection semble être une solution raisonnable pour un réseau électrique à deux fils, où le bus de mise à la terre est techniquement absent.

RCD avec mise à la terre
La solution technique optimale pour construire le schéma de câblage électrique des bâtiments résidentiels, quand avec un dispositif d'arrêt de protection, un bus de mise à la terre est également impliqué. Des solutions similaires sont la norme pour les nouveaux bâtiments.

En fait, si vous vous examinez attentivement Dispositif RCD, il ne sera pas possible de trouver les bornes spécifiquement conçues pour connecter la "masse".

Ce facteur confirme une fois de plus la possibilité de mise sous tension sans mise à la terre. Cependant, les projets de construction de maisons modernes nécessitent sans faute un bus de mise à la terre.

Comment fonctionne un dispositif de protection sans terre?

L'option de connexion sans mise à la terre est un cas typique pour les appartements et les maisons privées de bâtiments anciens. L'alimentation électrique de ces bâtiments est généralement organisée sans alimentation d'un bus de mise à la terre. Mais dans quelle mesure faut-il s'attendre au fonctionnement d'un RCD sans tourner au "sol"?

Connexion RCD sans mise à la terre
Option de câblage, répandue par rapport aux projets immobiliers à l'ancienne. La mise en place de dispositifs d'arrêt de protection dans l'ancienne infrastructure doit être réalisée en l'absence de bus de terre

Par exemple, lors du fonctionnement de l'équipement électrique, une panne s'est produite sur le boîtier. En l'absence de bus de mise à la terre, comptez sur un fonctionnement instantané RCD établi pas besoin. Si une personne touche le corps de l'équipement perforé, le courant de fuite circulera vers la "terre" à travers le corps humain.

Il faudra un certain temps (le seuil de configuration de l'appareil) avant que le RCD ne se déclenche. Pour cette période (plutôt courte), le risque de blessure lié à l'exposition au courant électrique reste tout à fait acceptable. Pendant ce temps, le RCD fonctionnerait immédiatement s'il y avait un bus de mise à la terre.

Courant de fuite sans mise à la terre
Le schéma de câblage électrique sans présence de "masse", où le dispositif de protection est connecté sans bus de terre supplémentaire, reste dans une certaine mesure dangereux pour l'utilisateur. Dans de telles situations, il est nécessaire de configurer soigneusement le RCD au seuil

Dans cet exemple, il est facile de déduire la conclusion que connect RCD et machines automatiques dans le panneau de l'appartement ou le bouclier d'une maison privée doit toujours être avec la connexion au bus de terre. Une autre question est qu'il reste un nombre suffisant de bâtiments où il n'y a aucun moyen de le faire en raison du manque de "terrain" dans les projets.

Pour les variantes de bâtiments où l'alimentation est organisée sans mise à la terre, le dispositif de commutation de la protection au moyen d'un RCD apparaît en fait comme le seul moyen de protection efficace pouvant être appliqué dans de telles conditions. Par conséquent, nous considérons les régimes possibles applicables aux logement privé électricité.

Schémas de connexion RCD sans mise à la terre

L'une des solutions de circuit traditionnelles où un dispositif de protection RCD est utilisé est la possibilité d'installer le dispositif directement à l'entrée de l'alimentation électrique de la structure de l'objet. Autrement dit, le dispositif de courant résiduel est monté immédiatement après le compteur d'électricité.

Schéma de câblage avec l'introduction du RCD
La connexion traditionnelle, typique de la plupart des cas d'utilisation d'un dispositif à courant résiduel sur les lignes électriques du secteur privé

Cette approche offre une protection complète du câblage électrique de la maison, ce qui signifie que la fuite de courant de tout appareil électroménager est surveillée. De la tension du secteur est fournie par un câble à un appareil qui combine deux bornes biphasées et deux bornes zéro dans un cas (il existe également des appareils triphasés).

Ces deux paires de bornes sont divisées en entrée et sortie. Une ligne de phase passe par une paire et une ligne zéro par une autre. Après avoir terminé le câblage selon ce schéma, des machines supplémentaires sont installées pour chaque type de charge.

RCD pour connexion triphasée
Conception d'appareil triphasé: 1 - borne pour l'alimentation d'un bus zéro; 2 - valeur du courant de fonctionnement; 3 - valeur des surintensités admissibles; 4 - valeur de courant de coupure; 5 - type d'appareil; Bornes 6 phases; 7 - clé de test; 8 - indicateur d'action; 9 - bouton de robinet

L'avantage de cette conception de circuit est d'économiser sur les équipements électriques. Seule l'installation d'un appareil résout avec succès le problème de protection.Cependant, en revanche, si un objet de fuite de courant apparaît dans le réseau domestique, il y a une panne totale de la maison.

Dans certains cas, cette situation peut devenir inappropriée. Dans une certaine mesure, la composante confort des propriétaires est réduite. Un inconvénient similaire peut être résolu à l'aide d'une autre solution de circuit - plus fonctionnelle en termes de déconnexion sectionnelle.

Activation des RCD avec des fonctionnalités avancées

Une conception de circuit légèrement différente impliquant introduction du RCD pour chaque branche individuelle d'alimentation, vous permet de rendre la protection plus «douce» par rapport au verrouillage de l'alimentation.

Circuit fonctionnellement étendu
Une version légèrement modifiée de la solution de circuit, où deux (ou plusieurs) dispositifs de protection sont utilisés. Dans ce cas, l'un est introductif, les autres sont intermédiaires: 1, 2 - barrette de bornes du bus zéro

Plusieurs dispositifs de protection sont utilisés ici, en fonction du nombre de branches du réseau électrique d'appartements.

Par exemple, s'il y a deux branches, le schéma ressemblera à ceci:

  1. L'installation d'un RCD est similaire à la première option - à l'entrée.
  2. Installation des RCD suivants après machines installées sélectivement branches de réseau.
  3. Sur chaque embranchement protection par le nombre de consommateurs.

Avec cette construction du circuit, le contrôle de la tension et la coupure sont effectués par rapport à une branche distincte du câblage domestique. Par conséquent, le fait d'une fuite de courant enregistrée sur une ligne séparée conduira à bloquer uniquement la section de réseau sur laquelle la charge perforée est connectée. Les sections restantes resteront en état de marche.

Option RCD étendue
Pour le cas du schéma de câblage illustré ci-dessus, il est caractéristique d'augmenter les dimensions globales des armoires de commande. Par conséquent, cette option n'est pas toujours acceptable pour l'appareil dans les maisons privées

Mais avec une solution plus fonctionnelle, elle ne peut se passer de certains inconvénients. Il est clair qu'avec une augmentation du nombre d'appareils, il sera nécessaire d'étendre standard. L'augmentation de la taille du standard peut également être un problème pour l'utilisateur. De plus, d'un point de vue financier, le choix d'utiliser le schéma noté n'est pas non plus entièrement réussi.

Les coûts seront presque une double augmentation par rapport à la première option. Certes, si vous songez déjà à une protection complète et efficace, l'enregistrement n'est pas recommandé.

Les nuances de la connexion dans les ménages privés

Les bâtiments privés diffèrent considérablement des logements municipaux. Tout d'abord, l'utilisation d'équipements qui ne sont jamais utilisés dans les appartements. Par exemple, l'équipement traditionnel d'un ménage privé est le chauffage de systèmes électriques ou un module de chauffage électrique du bain.

Schéma de connexion de la chaudière via un RCD
Nécessite souvent l'inclusion d'un dispositif de verrouillage de protection sur les circuits d'alimentation des appareils électroménagers puissants. Comme dans ce cas, lorsqu'une chaudière électrique est impliquée dans le secteur résidentiel privé. Un pneu en terre est obligatoire pour un tel équipement.

Pour chacun de ces systèmes, un arrêt de protection est nécessaire, car il ne s'agit pas uniquement d'appareils électroménagers, mais d'un équipement technologique puissant. Ici, le RCD n'est pas seulement une protection contre les fuites de courant vers le boîtier, mais remplit également la fonction d'un dispositif de protection contre les incendies.

Pour de tels projets, les circuits du système TT sont souvent utilisés, ce qui offre une sécurité relative pour les cas de fuite de courants dans le boîtier de l'équipement.

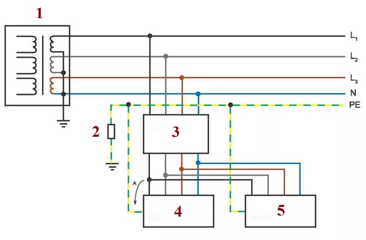
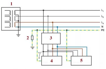
Schéma de connexion TT
Schéma "TT" pour les réseaux électriques où un neutre mortellement mis à la terre est utilisé: 1 - un transformateur avec un bus neutre mis à la terre; 2 - résistance de limitation; 3 - dispositif d'arrêt de protection; 4, 5 - sections de charge du consommateur

L'ajout d'un tel circuit avec un dispositif de verrouillage de sécurité améliore le degré de fiabilité. Cependant, le système TT nécessite un bus de terre.

Instructions pas à pas pour la mise en œuvre de la protection

Pour des informations complètes concernant la connexion des dispositifs fournissant une coupure de protection, nous considérerons étape par étape le processus de création d'un circuit de communication avec l'introduction d'un dispositif de protection:

  1. Apportez à panneau électrique câble d'alimentation à partir d'une interface centralisée pour l'entrée d'énergie dans une maison.
  2. Installer un disjoncteur à l'intérieur du tableau (cet appareil est préalablement calculé pour la coupure en fonction de la charge totale du réseau).
  3. Montez le compteur électrique dans un endroit pratique et connectez la sortie de la machine aux bornes d'entrée du compteur.
  4. Installez un RCD à l'intérieur du tableau et connectez l'entrée de l'appareil (bornes supérieures) aux bornes de sortie du compteur.
  5. Connectez le conducteur de phase du câblage électrique domestique à la borne de sortie (phase) du RCD.
  6. Sur la borne de sortie (zéro) du RCD, connectez le conducteur neutre du câblage électrique domestique.
  7. Connectez le câble principal aux bornes du disjoncteur d'entrée.

Lors des opérations indiquées, certaines nuances doivent être prises en compte. Par exemple, il est nécessaire de respecter la règle de fermeture séquentielle d'un disjoncteur avec un dispositif de coupure de sécurité.

S'il n'est pas prévu d'introduire la machine dans le réseau, il est impératif d'installer des fusibles à la place de la machine.

Fusibles réseau 220
Des fusibles pouvant être utilisés pour protéger les circuits électriques contre les courants de court-circuit. Les fusibles peuvent parfois être utilisés pour la protection, remplaçant les fonctions des disjoncteurs

En règle générale, il est recommandé de prendre la valeur du courant nominal du module de protection légèrement supérieure à la valeur actuelle du disjoncteur. Dans certains cas, ce paramètre peut être sélectionné égal aux paramètres de la machine.

Lors de l'exécution de travaux visant à inclure un dispositif de protection dans le réseau d'alimentation, il est recommandé de vérifier tous les circuits disponibles pour détecter d'éventuels défauts. Après avoir installé l'appareil, assurez-vous de vérifier l'efficacité de coupure. Pour cette opération, il y a une touche de test spéciale sur le panneau avant de l'appareil.

Clé de test RCD
Tester les touches pour un fonctionnement correct de la protection. Après avoir installé et connecté le RCD, vous devez utiliser ces éléments de l'appareil pour vérifier la fonction de protection

Lors de l'installation, tous les travaux de connexion doivent être effectués avec soin.

La fourniture des lignes de réseau doit être effectuée en stricte conformité avec les désignations présentes sur l'appareil. C'est-à-dire que la phase est connectée à la "phase" et, par conséquent, zéro est connecté au "zéro". Du changement de lieu des «termes» il y a un risque élevé de défaillance de l'appareil de protection.

Conclusions et vidéo utile sur le sujet

Cette vidéo complète l'article sur les appareils utilisés comme systèmes de protection pour les réseaux électriques, les équipements et les utilisateurs d'appartements et de maisons privées. Matériel d'enquête avec toutes les subtilités d'utilisation, qui seront certainement utiles pour la pratique.

Connecter un RCD sans mise à la terre dans des appartements modernes est non seulement non recommandé, mais également interdit. S'il est nécessaire d'installer de l'équipement dans le panneau électrique, assurez-vous de contacter le maître qui fait l'entretien de la maison. Tous les travaux concernant le remplissage du bouclier général de l'appartement doivent être effectués par un spécialiste qualifié.

Dites-nous comment vous avez connecté le disjoncteur différentiel pour interrompre l'alimentation en cas de situation dangereuse. Il est possible que vos conseils soient très utiles aux visiteurs du site. Veuillez laisser des commentaires dans le bloc ci-dessous, publier une photo, poser des questions.

L'article vous a-t-il été utile?
Merci pour vos commentaires!
Non (8)
Merci pour vos commentaires!
Oui (64)
Commentaires des visiteurs
  1. Alexandre

    Il y avait une situation récente. Mon frère et moi sommes allés gagner de l'argent et j'ai dû vivre, comme toujours dans de telles situations, dans la caravane. Donc, on nous a dit de connecter complètement tout le câblage et d'y jeter les RCD, et de les jeter nous-mêmes sur le tableau. Eh bien, ils ont tout fait, mais le système de mise à la terre devait être fait d'une barre d'acier enfoncée dans le sol. Ensuite, nous avons également mis le compteur nous-mêmes. Il n'y a donc rien de particulièrement compliqué ici.

    • Expert
      Vasily Borutsky
      Expert

      Bonjour, Alexander. Ce n’est vraiment pas difficile d’assembler un blindage, d’installer un sectionneur de terre. Les difficultés sont les calculs de la section des fils, le nombre requis de conducteurs de mise à la terre, les conducteurs de mise à la terre, le choix des machines, les DDR.

      Ce sera, je pense, une surprise pour vous qu'une seule barre bouchée ne suffise pas. La raison en est banale - elle n'entraînera pas une diminution «douce» du potentiel lorsqu'un courant de court-circuit le traverse. Les conséquences - la défaite d'une personne située près de votre broche, "tension de pas". J'ai joint une photo expliquant l'essence du problème.

      Soit dit en passant, la mise à la terre que vous avez construite est soumise à des tests - si la résistance à la propagation du courant est supérieure à la norme, l'appareil est dangereux. PUE consacre une douzaine de pages à la mise à la terre - lire le chapitre 1.7.

      Photos jointes:
Ajoutez un commentaire

Piscines

Pompes

Réchauffement