Démarreur électromagnétique 380V: appareil, règles de connexion et recommandations de sélection
Un démarreur électromagnétique est un appareil qui, très souvent, fait partie intégrante des circuits électriques. En règle générale, un démarreur électromagnétique triphasé 380V est utilisé dans les circuits de commande de moteur électrique. Cependant, en plus de commuter des circuits de moteur électrique, ce même élément peut être utilisé avec succès à d'autres fins.
Considérons un appareil typique et le principe de fonctionnement d'un appareil électrique. De plus, nous décrivons les critères de sélection du démarreur, déchiffrons son étiquetage et décrivons les nuances de connexion de l'EMF au circuit électrique.
Le contenu de l'article:
Caractéristiques de conception EMF
La conception du démarreur électromagnétique (CEM) ne diffère pas par sa grande complexité. Mais ce facteur ne réduit pas la fiabilité de l'appareil.
Comment fonctionne cet appareil?
Le critère de fiabilité, pour la plupart, est établi par la connexion correcte des circuits et la sélection exacte de la charge.
Si ces critères sont remplis, l'appareil fonctionne dans la plupart des cas sans problème pendant longtemps.

La performance classique comprend les éléments suivants:
- Le boîtier se plie en deux moitiés.
- Inductance
- Circuit magnétique.
- Châssis mobile de commutation.
- Un groupe de contacts principaux.
- Groupe de contacts auxiliaires.
L'élément du démarreur magnétique chargé d'organiser la commutation du circuit de puissance est un châssis mobile combiné à une partie du circuit magnétique (mobile).
Le châssis lui-même est fait de matériau diélectrique et des plaques métalliques (laiton) sont utilisées comme contacts de fermeture. Aux extrémités des plaques se trouvent des plaques de contact en métaux réfractaires, généralement un alliage d'argent.

La partie fixe du circuit magnétique est solidement fixée à l'intérieur de la seconde moitié du corps du démarreur électromagnétique. Une inductance est placée sur cette partie du circuit magnétique et un ressort de rappel est installé.
La deuxième partie du boîtier de l'appareil est également pourvue de contacts des groupes d'alimentation et auxiliaires. Ces contacts sont fixés au boîtier avec des vis.

Le dispositif d'un démarreur magnétique standard implique l'union de deux moitiés du boîtier, à la suite de quoi les deux moitiés du circuit magnétique en forme de W sont également combinées en une seule conception.
Dans le même temps, en raison du ressort de rappel, un petit espace reste entre les moitiés du circuit magnétique, les principaux groupes de contacts dans cette position restent rompus.
Principe de fonctionnement EMF
Le principe de fonctionnement de l'appareil est basé sur l'effet de l'induction électromagnétique. S'il n'y a pas de tension sur la bobine située à l'intérieur du démarreur, le noyau magnétique reste en position «avec un écart», les contacts principaux sont rompus.

Lorsqu'un courant électrique traverse la bobine, sous l'influence d'un champ magnétique, la deuxième partie (mobile) du circuit magnétique surmonte la force du ressort et est attirée par la première partie (fixe).
En conséquence, les principaux groupes de contact du démarreur sont fermés par les plaques du châssis mobile.
Le processus inverse est évident - lorsque la tension est supprimée des bornes de l'inductance, le champ magnétique cesse d'agir, sous la force du ressort de rappel, le châssis mobile et la deuxième partie du circuit magnétique sont repoussés. En conséquence, le démarreur magnétique revient à l'état de rupture de contact.

Il convient de noter - en fonction de la configuration de l'appareil, le diagramme du groupe de contacts peut avoir une structure très différente. Surtout en ce qui concerne les contacts auxiliaires, qui peuvent être dans un état fermé ou ouvert par opposition à l'état des contacts principaux de l'appareil.
Une caractéristique des conceptions modernes de démarreurs magnétiques est la modernisation du circuit de commande de l'inductance.
Si l'exécution des anciens appareils «obsolètes» supposait une alimentation directe en tension de la bobine, prélevée sur l'une des phases, les circuits électroniques sont désormais de plus en plus utilisés.

Ainsi, par exemple, les produits d'une entreprise bien connue "ABB" équipé d'un circuit électronique de stabilisation de la tension fournie à la borne de l'inductance du démarreur magnétique.
La commande de la bobine via un circuit électronique est caractérisée par le fait que la tension alternative est pré-redressée puis un signal impulsionnel est formé. Cette approche offre une durée de vie accrue et une meilleure stabilité d'action.
Comment choisir le bon démarreur électromagnétique
Étant donné la gamme assez large de produits de ce type qui sont présents sur le marché commercial, les règles de sélection sont plus que pertinentes pour l'utilisateur final.
Paramètres techniques de l'instrument
Le choix exact et correct d'un démarreur magnétique pour 380 volts, par exemple pour un moteur électrique, assurera un fonctionnement ininterrompu du moteur et, surtout, la sécurité du système électrique.

Un appareil spécifique est bien entendu choisi en fonction des paramètres techniques et opérationnels de la charge à connecter. Une influence significative sur le bon choix a le produit appartenant à une marque particulière.
Il convient de noter qu'il existe un pourcentage assez élevé de produits de faible qualité sur le marché. Par conséquent, la marque, dans ce cas, est un critère de sélection important.
Marquage et type de fixation des produits
Chaque appareil, en tout cas, de marque, a le marquage correspondant directement sur le boîtier. Sur la base des informations techniques contenues dans le marquage, il suffit de sélectionner simplement un dispositif de commutation en conformité exacte avec les paramètres requis.

Ainsi, les appareils de commutation de la même entreprise "ABB" avoir approximativement le système de marquage suivant:
A-26-30-10
La chaîne de codage est déchiffrée comme suit:
- «A " - la lettre désignant le type d'appareil;
- «26» - le deuxième marqueur numérique détermine le courant nominal en ampères;
- «30» - la troisième désignation indique le nombre de contacts de puissance;
- «10» - le dernier chiffre caractérise le nombre de contacts auxiliaires.
De plus, pour les deux dernières positions de la liste, la séparation des nombres est caractéristique. Autrement dit, si le nombre «30» est indiqué, cela signifie la présence de trois (3) contacts normalement ouverts et l'absence de (0) contacts normalement fermés.
Un décodage similaire pour le code numérique (10), indiquant des groupes de contacts supplémentaires.

Lors du choix des performances d'un démarreur magnétique pour 380V à des fins appropriées, vous devez faire attention à la technique de montage de l'appareil.
En règle générale, une proportion importante d'appareils d'une configuration moderne sont réalisés en tenant compte de l'installation sur un rail DIN. Mais il existe également des conceptions de dispositifs de fixation de manière traditionnelle - avec des vis.
Les nuances de la connexion de l'EMF dans le cadre du circuit
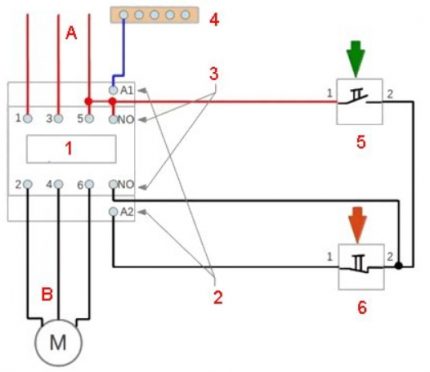
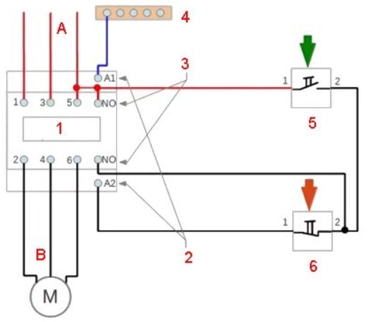
Classique Schéma de connexion EMF Il ne se distingue pas par des difficultés particulières. En fait, si vous ne tenez pas compte des groupes de contacts auxiliaires, vous devez connecter trois lignes principales - il y a trois phases dans le circuit 380 volts.
Au total, ce sont 6 contacts - trois entrées et trois sorties, plus deux contacts du circuit inducteur.

Cependant, l'inclusion réelle dans le circuit électrique s'accompagne souvent d'un circuit assez compliqué, où un grand nombre de contacts auxiliaires sont impliqués.
En règle générale, les schémas modernes de mise en marche des mêmes moteurs électriques nécessitent une entrée supplémentaire de dispositifs de protection - relais thermique et d'autres.

Lors de la connexion de circuits à un EMF évalué à 380V, les règles suivantes doivent être suivies:
- connecter en l'absence de tension;
- les circuits d'entrée se connectent à travers disjoncteur;
- utiliser une section de fil parfaitement adaptée au contact;
- serrer les vis à fond, mais sans exercer de force excessive;
- vérifier l'intégrité de l'enroulement de la bobine (ohmmètre) avant de connecter la ligne électrique;
- Vérifiez le parcours principal du châssis en mouvement une fois toutes les connexions terminées.
En règle générale, les dispositifs de commutation de ce type sont installés à l'intérieur d'une armoire conçue pour l'installation de lignes électriques. Conception de l'armoire - avec une porte pour faciliter l'entretien et restreindre l'accès aux personnes non autorisées.
Conclusions et vidéo utile sur le sujet
Une disposition informative à part entière du démarreur magnétique à travers une vidéo enregistrée par une société de commerce bien connue de composants électroniques.
L'auteur de la vidéo révèle en détail et sous une forme accessible l'essence du dispositif de commutation:
Les dispositifs de commutation, tels qu'un démarreur électromagnétique pour les réseaux triphasés, sont assez souvent utilisés dans les applications industrielles, économiques et domestiques. Par conséquent, il est utile d'étudier les informations sur ces appareils en temps opportun - comment travailler avec eux, comment se connecter, comment déterminer l'installation, etc.
Y a-t-il quelque chose à compléter ou avez des questions sur le choix et la connexion d'un démarreur électromagnétique? Vous pouvez laisser des commentaires sur la publication, participer à des discussions et partager votre propre expérience en utilisant de tels appareils. Le formulaire de contact est situé dans le bloc inférieur.

Connecter un démarreur magnétique est une autre histoire. Même en utilisant le circuit classique, vous pouvez facilement vous tromper en oubliant, par exemple, la valeur nominale de l'inductance. Pour une raison quelconque, tout le monde pense qu'il est standard à 230 volts et est connecté, respectivement, au neutre et à l'une des phases. Mais j'ai également dû faire face à la version 400 volts, auquel cas ses conclusions doivent être reliées à différentes phases (à travers une série de boutons, bien sûr). Et parfois, il existe des tensions de tension exotiques de la bobine, disons 110 ou 36 volts. Alors avant de vous connecter, n'oubliez pas de vous renseigner sur ce paramètre.
Bonjour, Gleb. La probabilité d'erreur est réduite si l'électricien utilise le schéma de commutation de conception, vérifiant simultanément les caractéristiques établies par les concepteurs, avec les données de passeport de l'équipement réel proposé par le client.
Votre déclaration - "Tout le monde ... croit que c'est ... à 230 volts" - est erronée et caractérise les qualifications de votre environnement. Soit dit en passant, les tensions «exotiques» utilisées pour alimenter les bobines de contrôle (vous les appelez par erreur inductances) sont bien plus (capture d'écran ci-jointe).