Schémas de connexion du démarreur magnétique pour 220 V et 380 V + caractéristiques pour une connexion indépendante
Démarreur magnétique - un appareil qui est responsable du fonctionnement ininterrompu et conforme aux normes de l'équipement. Avec son aide, la distribution de la tension d'alimentation est effectuée et le fonctionnement des charges connectées est contrôlé.
Le plus souvent, il est alimenté par des moteurs électriques. Et à travers elle, le moteur est inversé, il est arrêté. Toutes ces manipulations permettront la connexion correcte du démarreur magnétique, qui peut être assemblé indépendamment.
Dans ce document, nous parlerons de l'appareil et des principes de fonctionnement du démarreur magnétique, ainsi que de comprendre les subtilités de la connexion de l'appareil.
Le contenu de l'article:
La différence entre un démarreur magnétique et un contacteur
Souvent, lors de la sélection d'un dispositif de commutation, une confusion se produit entre les démarreurs magnétiques (MP) et les contacteurs. Ces dispositifs, malgré leurs similitudes dans de nombreuses caractéristiques, sont encore des concepts différents. Le démarreur magnétique combine un certain nombre d'appareils, ils sont connectés dans une seule unité de contrôle.
Le MP peut comprendre plusieurs contacteurs, ainsi que des dispositifs de protection, des consoles spéciales, des éléments de commande. Tout cela est enfermé dans un boîtier qui a un certain degré de protection contre l'humidité et la poussière. À l'aide de ces appareils, ils contrôlent principalement le fonctionnement des moteurs à induction.

Le contacteur est un appareil monobloc avec un ensemble de fonctions prévues par une conception spécifique. Alors que les démarreurs sont utilisés dans des circuits assez complexes, les contacteurs sont principalement présents dans les circuits simples.
Conception et objectif de l'appareil
En comparant la connexion du MP et du contacteur, nous pouvons conclure que le premier appareil diffère du second en ce qu'il est utilisé pour démarrer le moteur électrique. Vous pouvez même dire que le MP est le même contacteur qui contrôle le moteur électrique.
La différence est si arbitraire que récemment de nombreux fabricants ont appelé des contacteurs MP AC, mais avec de petites dimensions. Oui, et l'amélioration continue des contacteurs les a rendus universels, car ils sont devenus multifonctionnels.
Le but du démarreur magnétique
Intégrez les MP et les contacteurs dans les réseaux électriques qui transportent le courant avec une tension alternative ou constante. Leur action est basée sur l'induction électromagnétique.
L'appareil est équipé de contacts de signal et de ceux par lesquels l'alimentation est fournie. Les premiers sont appelés auxiliaires, les seconds - travailleurs.

MP contrôle à distance les installations électriques, y compris les moteurs électriques. Leur rôle de protection est nul - seule la tension disparaît ou au moins tombe à une limite inférieure à 50%, les contacts de puissance s'ouvrent.
Après l'arrêt de l'équipement, dans le circuit duquel le contacteur est monté, il ne s'allumera jamais de lui-même. Pour ce faire, vous devez appuyer sur la touche "Démarrer".
Pour la sécurité, c'est un point très important, car les accidents provoqués par la mise en marche spontanée de l'installation électrique sont totalement exclus.
Démarreurs dans le circuit dont sont inclus relais thermiques, protégez le moteur électrique ou toute autre installation contre les surcharges prolongées. Ces relais peuvent être bipolaires (TRN) ou unipolaires (TRP). Le fonctionnement se produit sous l'influence du courant de surcharge du moteur qui les traverse.
Conception et fonction
Pour que le MP fonctionne correctement, il est nécessaire de respecter certaines règles d'installation, de comprendre les bases de la technologie des relais et de choisir correctement le circuit d'alimentation de l'équipement.
Comme les appareils sont conçus pour fonctionner sur une courte période, les MF les plus populaires sont les contacts normalement ouverts. La plus grande demande concerne les séries MP PME, PAE.
Les premiers sont intégrés dans des circuits de signaux pour moteurs électriques d'une puissance de 0,27 à 10 kW. Le second - d'une capacité de 4 à 75 kW. Ils sont conçus pour une tension de 220, 380 V.
Il y a quatre options:
- ouvert
- protégé;
- étanche à la poussière;
- étanche à la poussière.
Les démarreurs PME incluent un relais TRN biphasé dans leur conception. Dans le démarreur de la série PAE, le nombre de relais intégrés dépend de la valeur.

À une tension d'environ 95% de la bobine de démarrage nominale, il est capable d'assurer un fonctionnement fiable.
Le MP se compose des nœuds principaux suivants:
- noyau;
- bobine électromagnétique;
- Ancres
- cadre;
- capteurs mécaniques de travail;
- Groupes de contacteurs - central et secondaire.
De plus, la conception peut comprendre, comme éléments supplémentaires, un relais de protection, des fusibles électriques, un ensemble supplémentaire de bornes, un dispositif de démarrage.

En fait, c'est un relais, mais il coupe un courant beaucoup plus important. Étant donné que les électroaimants de cet appareil sont assez puissants, il a une vitesse de réponse élevée.
Un électroaimant sous la forme d'une bobine avec un grand nombre de spires est conçu pour une tension de 24 à 660 V. Qui est situé sur le noyau, une grande puissance est nécessaire pour surmonter la force du ressort.
Ce dernier est conçu pour déconnecter rapidement les contacts, dont la vitesse dépend de la magnitude de l'arc électrique. Plus l'ouverture se produit rapidement, plus l'arc est petit et dans le meilleur état possible les contacts eux-mêmes.
État normal lorsque les contacts sont ouverts. Dans le même temps, le ressort maintient la section supérieure du circuit magnétique dans un état surélevé.
Lorsque l'alimentation est fournie au démarreur magnétique, le courant traverse la bobine et forme un champ électromagnétique. Il attire la partie mobile du circuit magnétique en comprimant le ressort. Les contacts sont fermés, l'alimentation est fournie à la charge, par conséquent, elle est incluse dans le travail.
En cas de panne de courant, le champ électromagnétique disparaît. En se redressant, le ressort pousse, et la partie supérieure du circuit magnétique est en haut. En conséquence, les contacts divergent et l'alimentation de la charge disparaît.
Certains modèles de démarreurs sont équipés de parafoudres, qui sont utilisés dans les systèmes de commande à semi-conducteurs.

L'alimentation électrique de la bobine de commande après avoir connecté le démarreur magnétique est réalisée à partir de courant alternatif, mais le type de courant n'a pas d'importance pour cet appareil.
Les démarreurs, en règle générale, sont équipés de deux types de contacts: alimentation et blocage. Grâce à la première, la charge est connectée et la seconde protège contre les actions incorrectes lors de la connexion.
La puissance MP peut être de 3 ou 4 paires, tout dépend de la conception de l'appareil. Dans chacune des paires, il y a des contacts mobiles et fixes connectés aux bornes situées sur le corps au moyen de plaques métalliques.
Les premiers sont différents en ce que la charge est constamment alimentée en énergie. Le déclassement n'a lieu qu'après l'activation du démarreur.
Les contacteurs à contacts normalement ouverts sont alimentés exclusivement pendant le fonctionnement du démarreur.

Normalement fermé, ils diffèrent en ce que la charge est constamment alimentée en énergie et la déconnexion ne se produit qu'après l'activation du démarreur. Les contacteurs à contacts normalement ouverts sont alimentés exclusivement pendant le fonctionnement du démarreur.
Caractéristiques du montage du démarreur
Une installation incorrecte du démarreur magnétique peut avoir des conséquences sous forme de faux positifs. Pour éviter cela, il est impossible de sélectionner des zones soumises à des vibrations, chocs, chocs.
Structurellement, le MP est conçu pour pouvoir être monté dans un panneau électrique, mais dans le respect des règles. L'appareil fonctionnera de manière fiable si le lieu de son installation est une surface droite, plate et verticale.
Les relais thermiques ne doivent pas être chauffés à partir de sources de chaleur externes, ce qui affecterait négativement le fonctionnement de l'appareil. Pour cette raison, ils ne doivent pas être placés dans des endroits soumis à la chaleur.
Il est absolument impossible d'installer un démarreur magnétique dans une pièce où sont montés des appareils avec un courant de 150 A. Allumer et éteindre ces appareils provoque un coup rapide.

Pour éviter la déformation des rondelles élastiques situées dans la pince de contact du démarreur, l'extrémité du conducteur est courbée en U ou en anneau.Lorsque vous devez connecter 2 conducteurs à la pince, il est nécessaire que leurs extrémités soient droites et situées sur les deux côtés de la vis de la pince.
L'inclusion dans le fonctionnement du démarreur doit être précédée d'une inspection, vérifiant la santé de tous les éléments. Les pièces mobiles doivent être déplacées à la main. Les connexions électriques doivent être vérifiées avec le circuit.
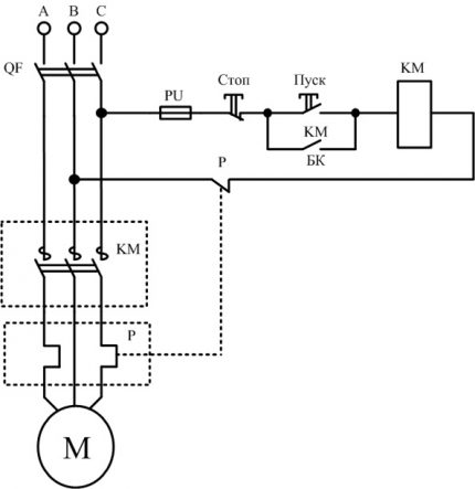
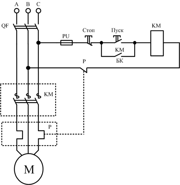
Schémas de connexion MP populaires
Le plus souvent, utilisez un schéma de câblage avec un seul appareil. Pour connecter ses principaux éléments, utilisez un 3-core câble et deux contacts ouverts au cas où l'appareil serait éteint.

Dans des circonstances normales, le relais P est fermé. Lorsque vous appuyez sur la touche Départ, le circuit se ferme. Une pression sur le bouton «Stop» analyse le circuit. En cas de surcharge, le capteur thermique P se déclenche et rompt le contact P, la machine s'arrête.
Avec ce circuit, la tension nominale de la bobine est d'une grande importance. Lorsque la force exercée sur elle est de 220 V, le moteur est de 380 V, s'il est connecté à une étoile, un tel schéma ne convient pas.
Pour cela, un circuit avec un conducteur neutre est utilisé. Il est conseillé de l'appliquer en cas de connexion des enroulements du moteur avec un triangle.
Subtilités de connexion d'un appareil à 220 V
Quelle que soit la façon dont il est décidé de connecter un démarreur magnétique, le projet doit avoir deux circuits - alimentation et signal. La tension est fournie par le premier et le fonctionnement de l'équipement est contrôlé par le second.
Caractéristiques du circuit d'alimentation
L'alimentation du MP est connectée via les contacts, généralement indiqués par les symboles A1 et A2. Ils obtiennent une tension de 220 V, si la bobine elle-même est conçue pour une telle tension.
Il est plus pratique de connecter la «phase» à A2, bien qu'il n'y ait pas de différence fondamentale dans la connexion. La source d'alimentation est connectée aux contacts ci-dessous sur le boîtier.
Le type de tension n'a pas d'importance, l'essentiel est que la puissance nominale ne dépasse pas 220 V.

L'inconvénient de cette option de connexion est le fait que vous devez manipuler la fiche pour l'activer ou la désactiver. Le circuit peut être amélioré en installant une machine automatique devant le MP. Avec lui, allumez et éteignez l'appareil.
Changer le circuit de commande
Ces modifications ne concernent pas le circuit de puissance, dans ce cas seul le circuit de commande est modernisé. L'ensemble du système dans son ensemble subit des changements mineurs.

Les clés sont intégrées séquentiellement devant le MP. Le premier est «Démarrer», suivi de «Arrêter». Les contacts du démarreur magnétique sont manipulés au moyen d'une impulsion de commande.
Sa source est le bouton de démarrage enfoncé, qui ouvre la voie à la fourniture de tension à la bobine de commande. Le «départ» n'a pas à être maintenu.
Il est soutenu par le principe de l'auto-capture. Il consiste en ce que, parallèlement au bouton "Démarrer", des contacts autobloquants supplémentaires sont connectés. Ils fournissent une tension à la bobine.
Après leur fermeture, la bobine s'auto-alimente. La rupture de ce circuit entraîne l'arrêt du MP.
La touche d'arrêt est généralement rouge. Le bouton de démarrage peut avoir non seulement l'inscription «Démarrer», mais aussi «Suivant», «Précédent». Le plus souvent, il est vert, bien qu'il puisse être noir.
Connexion réseau triphasée
Il est possible de connecter une alimentation triphasée via une bobine MP, fonctionnant à partir de 220 V. Typiquement, le circuit est utilisé avec un moteur à induction. Le circuit du signal ne change pas.

Le circuit de puissance présente des différences, mais pas très importantes. Trois phases sont alimentées aux entrées indiquées sur le plan comme L1, L2, L3. La charge triphasée est connectée à T1, T2, T3.
Entrée sur le circuit du relais thermique
Dans l'espace entre le démarreur magnétique et le moteur à induction, un relais thermique est connecté en série. Sa sélection s'effectue en fonction du type de moteur.

Connectez le relais à la borne avec un démarreur magnétique. Le courant qu'il contient passe au moteur de manière séquentielle, chauffant simultanément le relais. La partie supérieure du relais est équipée de contacts auxiliaires intégrés à la bobine.
Les réchauffeurs à relais dépendent de la valeur limite du courant qui les traverse. Ceci est fait de sorte que lorsque le moteur est en danger en raison d'une surchauffe, le relais pourrait éteindre le démarreur.
Nous vous recommandons également de lire notre autre article où nous avons parlé de la façon de choisir et de connecter un démarreur électromagnétique pour 380 V. Plus - allez à le lien.
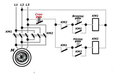
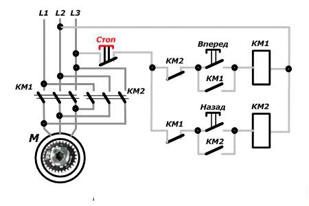
Démarrage du moteur avec marche arrière
Pour le fonctionnement d'un équipement séparé, il est nécessaire que le moteur puisse tourner à gauche et à droite.
Le schéma de connexion de cette option contient deux MP, une tige de bouton ou trois touches distinctes - deux démarrent «Forward», «Back» et «Stop».

De court le circuit de puissance est protégé par des contacts normalement fermés KM1.2, KM2.2.
La préparation du circuit pour le travail est la suivante:
- Inclure AB QF1.
- Les phases A, B, C circulent vers les contacts de puissance des MP KM1, KM2
- La phase qui alimente le circuit de commande (A) via SF1 (disjoncteur de signal) et le bouton d'arrêt SB1 est appliquée à la broche 3 (touches SB2, SB3), la broche 13NO (MP KM1, KM2).
De plus, le circuit fonctionne selon un algorithme qui dépend du sens de rotation du moteur.
Commande de marche arrière du moteur
La rotation commence lorsque la touche SB2 est enfoncée. Dans ce cas, la phase A est envoyée via KM2.2 à la bobine MP KM1. Le démarrage du démarreur commence par la fermeture des contacts normalement ouverts et l'ouverture des contacts normalement fermés.
La fermeture de KM1.1 provoque un autoblocage et la fermeture des contacts KM1 est suivie de la fourniture des phases A, B, C aux contacts identiques des enroulements du moteur et commence la rotation.

L'action entreprise déconnectera le circuit, la phase de commande A ne sera plus envoyée à l'inductance KM1 et le noyau avec les contacts, au moyen du ressort de rappel, sera remis dans sa position d'origine.
Les contacts se déconnecteront, la tension sera coupée au moteur M. Le circuit sera en mode veille.
Démarrez-le en appuyant sur le bouton SB3. La phase A à KM1.2 arrivera à KM2, MP, fonctionnera et à travers KM2.1 sera en auto-ramassage.
De plus, le MP via les contacts KM2 changera de phase. En conséquence, le moteur M changera le sens de rotation. A ce moment, la connexion KM2.2, située dans le circuit alimentant le MP KM1, se déconnectera, ne permettant pas l'inclusion de KM1 pendant que KM2 fonctionne.
Fonctionnement du circuit de puissance
La responsabilité de la commutation de phase pour rediriger la rotation du moteur incombe au circuit de puissance.

Lorsque les contacts du MP KM1 sont activés, la phase A entre dans le premier enroulement, la phase B entre dans le deuxième enroulement et la phase C entre dans le troisième enroulement. Le moteur tourne vers la gauche.
Lorsque KM2 est déclenché, les phases B et C sont déplacées: la première tombe sur le troisième enroulement, la seconde sur le second. Les changements de phase A ne se produisent pas. Le moteur commencera à tourner vers la droite.
Conclusions et vidéo utile sur le sujet
Détails sur l'appareil et la connexion du contacteur:
Aide pratique pour connecter le MP:
Selon les schémas ci-dessus, vous pouvez connecter un démarreur magnétique de vos propres mains à 220 et 380 V.
Il faut se rappeler que le montage n'est pas difficile, mais pour un circuit inversé, la présence d'une protection bidirectionnelle est importante, ce qui rend son allumage impossible. Dans ce cas, le blocage peut être à la fois mécanique et au moyen de contacts de blocage.
Si vous avez des questions sur le sujet de l'article, veuillez laisser vos commentaires dans le bloc ci-dessous. Là, vous pouvez fournir des informations intéressantes ou donner des conseils sur la connexion des démarreurs magnétiques aux visiteurs de notre site.
