Relais temporisé: principe de fonctionnement, schéma de câblage et recommandations de réglage
Un dispositif qui se déclenche à l'expiration de l'intervalle de temps désigné est appelé relais temporisé - le dispositif a trouvé une large application en génie électrique, électrique et électronique. Grâce à son utilisation dans les solutions de circuits, il est possible de mettre en œuvre des fonctions de commande plus flexibles pour divers équipements et appareils.
Selon la conception et le principe de fonctionnement de l'appareil, il est possible d'organiser des circuits électriques de complexité variable.
Nous proposons de comprendre quels types de relais temporels existent, quelles sont leurs spécificités de fonctionnement et d'application. Le matériel théorique est complété par des recommandations pratiques pour connecter et configurer un dispositif de commande temporaire.
Le contenu de l'article:
Le principe de fonctionnement de la minuterie
Les appareils électroniques sont représentés par une variété constructive, par conséquent, le principe d'une minuterie doit être envisagé en tenant compte de chaque variation de conception individuellement.

Du point de vue des actions effectuées, dans la pratique, des structures électromagnétiques, pneumatiques, électroniques et des dispositifs d'horlogerie sont utilisés.
Option # 1: appareils électromagnétiques
Les appareils qui prennent en charge le principe de fonctionnement électromagnétique sont généralement conçus pour fonctionner exclusivement dans des circuits alimentés en courant continu.

La plage de temps de réponse est généralement de 0,07 à 0,11 s pour la mise sous tension et de 0,5 à 1,4 s pour la mise hors tension. La conception de ces minuteries contient deux enroulements de travail, dont l'un est une boucle court-circuitée sous la forme d'un anneau en cuivre.
Lorsqu'un courant électrique traverse l'enroulement principal, une augmentation du flux magnétique est notée. Ce courant forme un courant court-circuité, grâce auquel la croissance du flux magnétique de l'enroulement principal est limitée.
En conséquence, une caractéristique temporaire du mouvement de l'armature de l'actionneur est formée ou, en d'autres termes, une temporisation pour la mise en marche est créée.

Si l'alimentation en courant du circuit d'enroulement principal est interrompue en raison de l'effet d'inductance, le champ magnétique de l'enroulement court-circuité reste actif pendant un certain temps. Par conséquent, pendant ce temps, le relais ne s'éteint pas.
Option # 2: dispositifs pneumatiques
Les structures basées sur des systèmes pneumatiques sont une sorte de dispositif exclusif. Ces appareils sont équipés d'une mécanique de décélération spéciale - un mécanisme d'amortissement pneumatique.
Vous pouvez régler le temps d'exposition des relais pneumatiques en réduisant ou en augmentant l'alésage du tube à travers lequel l'air est fourni. À ces fins, les conceptions de relais pneumatiques sont fournies avec une vis de réglage.

La plage de réglage de la temporisation des relais pneumatiques est en moyenne de 1 à 60 s. Cependant, il existe des cas qui doublent presque cette plage. Certes, en pratique, de petites erreurs ont été notées (environ 10%) en termes de précision de fonctionnement selon les valeurs établies.
Option n ° 3: modifications du type de montre
Les soi-disant minuteries d'horloge sont largement utilisées dans les circuits électriques. Ce type d'appareil est souvent utilisé dans les constructions. disjoncteursconçu pour protéger les circuits avec une tension de 500 à 10 000 volts. La plage d'exposition est de 0,1 à 20 secondes.
Le principe de fonctionnement des modèles horlogers repose sur le travail d'un ressort chargé par un entraînement mécanique (ancre) d'un électroaimant. Les groupes de contacts de l'horloge sont commutés par le fait du temps écoulé, dont la valeur a été préalablement réglée sur l'échelle de l'appareil.

La vitesse du mécanisme de l'appareil est directement liée au courant circulant dans l'enroulement de l'électroaimant. Ce facteur vous permet de configurer l'appareil pour remplir les fonctions de protection. La particularité d'une telle protection s'exprime par une totale indépendance vis-à-vis de l'influence de la température ambiante.
Option # 4: relais électroniques
Ces dernières années, presque partout où des relais temporisés peuvent être utilisés, les versions électroniques ont remplacé les modèles électromécaniques obsolètes.
Ce type d'appareil présente plusieurs avantages:
- petites dimensions du boîtier;
- haute précision de fonctionnement;
- mécanisme de réglage pratique;
- affichage visuel des informations.
Les versions électroniques fonctionnent, en règle générale, sur la base de compteurs d'impulsions numériques. De nombreux appareils modernes sont construits sur des microprocesseurs hautes performances. Les relais numériques sont généralement conçus pour commuter des charges faiblement inductives ou non inductives.

Pour configurer une minuterie numérique, il suffit de régler les paramètres de temps nécessaires à l'aide des touches de fonction situées directement sur le panneau avant du boîtier.
Le paramètre est généralement disponible sur une large plage de temps; il couvre non seulement les secondes, les minutes, les heures, mais aussi les jours de la semaine. Par exemple, nous pouvons considérer le modèle d'un relais électronique hebdomadaire.
Une minuterie électronique avec des fonctions marche / arrêt automatiques peut être utilisée avec succès dans des schémas de contrôle pour différents types d'appareils. Le relais temporisé dit «hebdomadaire» fournit des fonctions de commutation en fonction de la période de temps définie dans un cycle hebdomadaire. Ces appareils sont utilisés dans les systèmes «Maison intelligente».
Par exemple, grâce à l'appareil, il existe des opportunités:
- changer de système d'éclairage à un moment donné;
- démarrer ou arrêter l'équipement technologique;
- activer / désactiver les systèmes de sécurité.
L'appareil est de petite taille, dispose de plusieurs touches de fonction. À l'aide du clavier système, l'utilisateur peut facilement le configurer (programme).

Le mode de programmation est activé en appuyant sur le bouton indiqué par le symbole «P» et en le maintenant enfoncé. Pour effectuer une réinitialisation du système, la touche Reset aide. La modification des réglages de l'heure du relais s'effectue à l'aide des touches de réglage des minutes, heures, jours de la semaine avec le mode de programmation activé.
Le schéma de connexion standard du relais temporisé prévoit l'installation de l'un des deux modes de contrôle d'action - manuel ou automatique. La commodité de la mise en place d'un relais de type numérique est fournie par un affichage à cristaux liquides d'information.
Configuration de relais analogiques mécaniques électroniques
Les systèmes d'automatisation industrielle, ainsi que divers modules domestiques sont souvent équipés de dispositifs électromécaniques, dont la conception implique un réglage à l'aide de potentiomètres.

Sur le panneau avant du boîtier de ces appareils se trouve une tige de potentiomètre (ou plusieurs tiges) conçue pour tourner avec une lame de tournevis. Sur la circonférence de la ou des tiges, une échelle marquée des valeurs d'installation est appliquée.
La fente sur la tige sous la lame du tournevis est une sorte de pointeur qui change de position lorsque la tige tourne. En plaçant ce pointeur à l'opposé de certaines valeurs de l'échelle marquée, le paramètre souhaité est défini.

Les appareils de ce type (par ex. NTE8) sont largement utilisés dans les systèmes de contrôle des systèmes de ventilation, des modules de chauffage et des dispositifs d'éclairage artificiel.
Réglage de l'instrument avec échelle numérique
L'utilisation d'appareils dotés de fonctions de réglage mécanique peut être démontrée par l'exemple d'une minuterie de marque domestique REV RitterConçu pour être branché sur une prise électrique domestique.

Avec sorties de minuterie peut être contrôlé dans une plage de temps donnée par presque tous les appareils ménagers. Pour utiliser cette minuterie quotidienne, il suffit de brancher l'appareil et de le configurer.
La configuration est accompagnée des étapes suivantes:
- Soulevez tous les segments situés autour de la circonférence de la molette de réglage.
- Omettez uniquement les segments qui correspondent à l'heure de configuration.
- Tournez la molette pour régler le pointeur du disque sur l'heure actuelle.
Par exemple, si des segments entre les chiffres de l'échelle 18 et 20 ont été omis, après que le relais a commencé le compte à rebours, la charge sera activée à 18 heures et désactivée à 20 heures.
En général, la conception du relais mécanique REV Ritter vous permet d'organiser jusqu'à 48 démarrages en 24 heures.

Dans le même temps, l'appareil prend en charge la fonction de commutation de charge hors programme. Pour ce faire, il y a un bouton séparé situé sur le côté du boîtier. Si l'utilisateur active ce bouton, la charge est directement connectée au réseau, quel que soit l'état des contacts du relais.
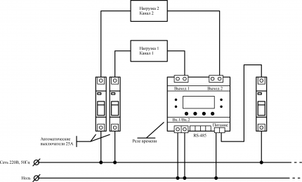
Connexion relais temporisé dans le circuit de commande
L'appareil doit être connecté en tenant compte de la conformité du site d'installation aux conditions énoncées dans la fiche technique de l'appareil. En règle générale, l'installation implique une installation verticale de l'appareil avec des tolérances d'écart par rapport à la verticale ne dépassant pas 10 °.
Les limites de température de la pièce où l'installation et le fonctionnement du relais temporisé sont censés ne dépassent généralement pas la plage de -20 ° C + 50 ° C.
Le niveau d'humidité de l'air dans la zone d'installation de l'appareil ne doit pas dépasser la valeur de 80%. Le circuit électrique où la minuterie est installée doit être débranché de l'alimentation secteur pendant l'installation.

Un appareil de toute conception possède traditionnellement un passeport technique, où le schéma de connexion est indiqué. De nombreux temporisateurs électromécaniques et numériques sont complétés par un circuit imprimé directement sur le boîtier et indiquant comment et dans quel ordre connecter le relais temporisé.
L'option de connexion classique ressemble à ceci:
- Connectez la ligne de tension aux bornes d'alimentation de l'appareil.
- La ligne de phase à travers le disjoncteur est connectée au contact d'entrée de la charge du relais.
- Le contact de sortie de charge du relais est connecté directement à la ligne de phase de charge.
En fait, le schéma de connexion pour la plupart des appareils est construit sur un principe identique: connecter l'alimentation à l'appareil lui-même et allumer la charge via un groupe de contacts commutés.
Selon le type de relais (monophasé, triphasé), ainsi que les caractéristiques de conception, il peut y avoir plusieurs de ces groupes de contact.
Une version simple de la minuterie peut être réalisée de vos propres mains. Les schémas de divers produits faits maison sont décrits dans cet article.
Conclusions et vidéo utile sur le sujet
La vidéo examine la possibilité d'utiliser un appareil modulaire, où il y a deux appareils indépendants de temps de trajet. Le régime prévoit l'inclusion de deux appareils électroménagers, l'ajustement de leur travail dans les intervalles de temps et d'autres fonctions.
Bien entendu, toutes les modifications existantes du relais temporisé ne peuvent pas être couvertes par un seul examen modeste. Pour considérer toute la gamme d'appareils, vous devrez écrire un livre entier. En fait, des livres de référence sur les minuteries de différents types sont disponibles, et vous pouvez toujours trouver les informations nécessaires si vous le souhaitez.
Y a-t-il quelque chose à compléter ou avez des questions sur le fonctionnement, la sélection, la connexion et la configuration du relais temporisé? Vous pouvez laisser des commentaires sur la publication et participer aux discussions. Le formulaire de contact est situé dans le bloc inférieur.
