Comment connecter un capteur de mouvement à une ampoule: instructions étape par étape
L'utilisation d'un capteur de mouvement pour activer l'éclairage au moment d'approcher la lampe augmente considérablement le niveau de confort dans la maison / le bureau / l'appartement. Un appareil miniature gère le système pour vous, vous permettant de ne pas vous soucier de ces bagatelles. La consommation d'électricité est réduite et vous pouvez facilement l'installer vous-même.
Économique de tous côtés, l'appareil vaut la peine d'être acheté. Êtes-vous d'accord? Nous vous expliquerons comment connecter un capteur de mouvement à une ampoule. Dans l'article que nous avons présenté, des règles et schémas technologiques sont disponibles et accessibles à un électricien débutant. Les options d'hébergement sont répertoriées, les spécificités du cadre sont décrites.
Le contenu de l'article:
- Détecteur de mouvement: fonctions de base et principe de fonctionnement
- Monuments d'un choix compétent
- Méthode de placement et d'orientation
- Comment installer l'appareil et le connecter à la lampe?
- Test et réglage du capteur de mouvement
- Options de connexion d'un appareil infrarouge à une lampe
- Conclusions et vidéo utile sur le sujet
Détecteur de mouvement: fonctions de base et principe de fonctionnement
Le principal objectif du capteur de mouvement est de commuter le réseau électrique. Il peut fonctionner à la fois avec une charge active dans le circuit et avec une induction active. Tout mouvement dans la zone contrôlée démarre principalement le processus de détermination du niveau d'éclairage (si une telle fonction est prévue dans l'appareil).
Si l'indicateur est inférieur au seuil défini, l'appareil ferme les contacts et allume la lampe. Ainsi, le détecteur peut fonctionner à la fois de nuit et de jour. Réglez le seuil à l'aide de régulateurs, il peut aller de 3 à 2000 lux.
Dans la vie quotidienne, les appareils sont le plus souvent installés dont le fonctionnement est basé sur la capture des ondes électromagnétiques dans le spectre infrarouge. Le temps après lequel le détecteur est déclenché, dans le cas où un objet en mouvement est détecté, est également ajusté.
Tourner le bouton règle la vitesse d'obturation. Pour différents modèles, le temps de retard peut être réglé de 10 s à 7-15 minutes (une légère erreur est autorisée).

Monuments d'un choix compétent
Différents modèles peuvent avoir des objectifs différents.Certains sont destinés uniquement à la commande d'appareils d'éclairage intérieur, d'autres sont plus polyvalents et peuvent être utilisés pour des circuits avec des appareils électriques, avec des dispositifs d'alarme, avec système d'éclairage public.
Les capteurs peuvent avoir une vue limitée et circulaire, avoir différents angles d'observation horizontale et verticale. Les appareils muraux contrôlent la zone selon un angle de 110–120 ° ou 180 ° horizontalement et 15–20 ° verticalement.
Les modèles avec un corps de vision mobile facilitent la configuration, mais les modèles fixes n'ont pas une telle opportunité, vous devez donc choisir soigneusement un emplacement pour eux.

Les détecteurs à vue circulaire peuvent couvrir la zone contrôlée à un angle de 360 ° horizontalement. Leur champ de vision a la forme d'un cône, s'étendant vers le bas. Malgré la grande zone de contrôle, les zones qui ne sont pas visibles (en dehors du rayon, dans les coins) dans la pièce restent.
Pour installer le capteur dans la rue ou dans des pièces à forte humidité, vous devez choisir un appareil à forte degré de protection des facteurs externes (poussière, humidité).
Par exemple, les appareils avec un degré de protection IP20 ne peuvent être utilisés que dans des zones intérieures avec une humidité normale, avec IP33, ils peuvent être installés à l'extérieur - sur la terrasse, le porche, le gazebo. Avec IP44, vous pouvez le monter dans la rue, mais le protéger avec une visière des gouttes d'eau lors des précipitations.
Vous pouvez acheter un complexe prêt à l'emploi interrupteur et capteur de mouvement. Les caractéristiques de sa sélection et de son installation seront présentées par notre article recommandé.
Méthode de placement et d'orientation
Les règles générales d'installation des capteurs sont les suivantes:
- la hauteur d'installation au-dessus de la surface observée peut aller de 2,5 à 4 m (le paramètre dépend du modèle de l'appareil);
- lors du choix d'un emplacement de montage, il est tenu compte du fait que le détecteur est plus sensible aux mouvements qui se produisent à travers la zone d'observation;
- La puissance de charge totale des lampes est limitée et peut être, par exemple, de 60 à 1200 W pour les ampoules à incandescence et de 0 à 600 W pour les projecteurs fluorescents.
La sensibilité du détecteur est également affectée par la température. La plage de température à laquelle l'appareil remplit normalement ses fonctions est de -20 à 40 ° C.

Il est interdit d'installer des lampes:
- sur des surfaces vibrantes;
- près de ventilateurs, climatiseurs;
- sur les surfaces blanches brillantes des murs;
- à proximité de sources de chaleur - radiateurs électriqueslampes;
- en surface, sous la lumière directe du soleil.
Pour éviter les fausses alarmes, l'exposition aux sources de détecteurs infrarouges des ondes électromagnétiques, du vent et des flux de chaleur est évitée.

Il est également impossible d'entrer dans la zone de couverture lampe à incandescence - un filetage refroidissant progressivement déclenchera le détecteur, car il réagira en enclenchant un changement de sa température.
Cela peut continuer à l'infini - la lumière s'allumera et s'éteindra. De fausses alarmes peuvent également se produire par temps venteux en raison des branches ondulées.

Comment installer l'appareil et le connecter à la lampe?
Pour commencer, envisagez l'installation d'un capteur de mouvement en utilisant l'exemple de modèles installés dans des trous conçus pour des projecteurs.
Les étapes d'installation sont les suivantes:
- Coupez la tension du secteur.
- Retirez le couvercle de protection en plastique (Fig. 1).
- Connectez les conducteurs (Fig.2). Le fabricant indique le schéma de connexion sur l'appareil lui-même et dans le passeport de l'appareil.
- Pliez les ressorts de retenue en les dirigeant vers le haut (Fig. 3).
- Installez le capteur dans le trou préparé (Fig.4) - les ressorts fixeront sa position.
L'installation peut être considérée comme terminée. Il reste à régler et tester le fonctionnement de l'appareil.

Il est plus facile d'installer un capteur vissé dans la cartouche. Puis une ampoule y est vissée. Dans ce cas, il est nécessaire d'utiliser uniquement les lampes qui ne sont pas plus puissantes que celles indiquées dans le passeport de l'appareil. Il est conseillé d'acheter lampes spécialiséesConçu pour fonctionner en tandem avec des détecteurs.
Pour installer un capteur à distance dans le plafond, le mur ou le boîtier de la lampe, vous devez introduire l'appareil dans le trou préparé, visser le boîtier sur la surface de montage à l'aide de vis autotaraudeuses. Ensuite, vous devez couper l'alimentation secteur et connecter la phase et le conducteur neutre du câble d'alimentation aux bornes conformément au schéma.

Test et réglage du capteur de mouvement
Chaque appareil possède au moins deux commandes. Les tests et le réglage sont effectués selon deux paramètres principaux - la durée de la lueur (TIME) et la sensibilité de la réponse (LUX). Le premier indicateur signifie la période de temps pendant laquelle le capteur laisse la lampe allumée.
À chaque mouvement reconnaissable, le compte à rebours de la durée de la lueur recommence. Il peut être réglé par l'utilisateur pour une durée de 10 s à 4 minutes.
La sensibilité de l'appareil est également réglable. Avec lui, vous pouvez régler le niveau de lumière naturelle que la lumière allumera. Ainsi, vous pouvez configurer la lampe pour qu'elle s'allume le jour et la nuit, ou uniquement la nuit.
Démarrage du capteur de mouvement dans le travail, effectuer ses tests obligatoires. Pour ce faire, réglez le gradateur sur la position correspondant à la lumière du jour. Le bouton de contrôle du temps est réglé au minimum.
Après la connexion à l'alimentation, vous devez attendre environ 30 secondes - le capteur fonctionnera et allumera la lumière pendant 30 secondes. Ensuite, envoyez la zone sensible du capteur à la zone à surveiller, vérifiez la sensibilité et la portée.
Testez pour voir si le décalage de la lampe et le temps de fonctionnement de la lampe sont dans les paramètres spécifiés. Ils vérifient également le fonctionnement de l'appareil la nuit et définissent enfin les paramètres qui leur conviennent.
Les appareils plus complexes, qui sont utilisés à des fins de sécurité, ont également dans leur conception un contrôleur de plage (SENS). Avec lui, la zone de sensibilité est définie. Les capteurs sont également équipés d'un microphone intégré avec un contrôle du niveau de bruit (MIC), sur lequel l'appareil devrait fonctionner.
Les deux derniers régulateurs sont rarement utilisés pour des capteurs peu coûteux, car leur fonctionnalité dans des conditions domestiques est rarement demandée.
Options de connexion d'un appareil infrarouge à une lampe
En utilisant divers schémas de connexion et des appareils supplémentaires, il est possible d'obtenir une fonctionnalité plus large du capteur de mouvement.Par exemple, élargissez la zone contrôlée, désactivez le contrôle automatique du système d'éclairage ou contrôlez temporairement le groupe d'éclairage sans la participation d'un capteur de mouvement, etc.
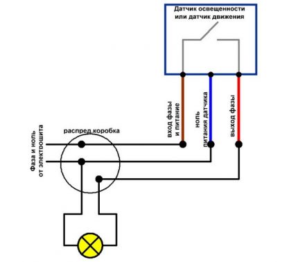
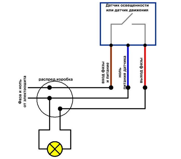
Connexion pour commande sans interrupteur
Le circuit, composé d'une lampe et d'un détecteur, est le plus simple. Il est appliqué par le fabricant à l'arrière de l'appareil ou décrit dans les instructions jointes.

Lors de l'aménagement de pièces allongées, le long de chemins dans la cour ou le long du périmètre d'un bâtiment, un seul appareil pour détecter le mouvement ne suffit pas pour contrôler l'éclairage - sa vue limitée ne le permet pas.
Dans de tels cas, deux détecteurs ou plus sont utilisés. Leurs bornes du même nom sont connectées en parallèle, puis mènent à la lampe.

Connexion à une ampoule avec interrupteur
Pour désactiver le système de commutation automatique, qui fonctionne sur la base d'un détecteur de mouvement, un interrupteur est ajouté au circuit de travail. Connectez-le à la partie du câble d'alimentation entrant devant le capteur.
En position de marche du disjoncteur, le circuit fonctionne comme s'il était composé sans lui. Lorsqu'il est éteint, le module détecteur de mouvement est complètement hors tension et le système ne fonctionne pas.

S'il est nécessaire que lorsqu'une personne est dans la pièce, la lumière soit allumée, tout en étant dans une position fixe ne désactive pas l'éclairage, alors utilisez le schéma suivant.
Un interrupteur est connecté au conducteur de phase d'entrée et de sortie du capteur - ainsi, une branche du réseau électrique est créée en contournant la section principale. Maintenant, en utilisant l'interrupteur, vous pouvez allumer l'éclairage, qui ne dépendra pas de l'activité motrice dans la zone contrôlée.

Les schémas de connexion éprouvés du dispositif de commande d'éclairage à l'aide d'un interrupteur sont démontés et donné dans l'article, que nous recommandons fortement de lire.
Conclusions et vidéo utile sur le sujet
Vidéo n ° 1. Comment connecter l'appareil selon un schéma simple et le configurer:
Vidéo n ° 2. Deux options pour connecter le capteur à une lampe avec un interrupteur:
La façon dont le capteur de mouvement est connecté à la lampe dépend en grande partie des objectifs que vous prévoyez d'atteindre. Sur cette base, il est nécessaire d'organiser l'éclairage automatique dans un appartement ou dans la rue, à proximité d'un bâtiment ou d'un garage gardé, de sélectionner un appareil et un schéma de fonctionnement.
Vous voulez parler de la façon dont vous avez connecté le capteur de mouvement à l'ampoule de vos propres mains? Avez-vous des informations utiles sur un sujet pouvant aider les visiteurs du site Web? Veuillez écrire des commentaires dans le formulaire sous le bloc, publier une photo et poser des questions.

En principe, un sujet très utile. Vous mettez un projecteur ou une lampe à l'entrée.Vous le connectez via un capteur de mouvement, et la beauté. Sorti la nuit - cliqué et allumé. Il est parti, éteint. Idéalement. Il y a vraiment deux nuances. Il n'est pas souhaitable que le système fonctionne pendant la journée, il serait préférable de ne pas l'éteindre lorsque l'objet est dans le champ de vision du capteur. Lors du choix d'un capteur, il est nécessaire de prendre en compte la possibilité d'un tel réglage.
Tout cela est réglable sur les capteurs de mouvement modernes. Cependant, par expérience, le niveau de sensibilité n'est pas si simple à régler.
Bonjour, Sergey. Si vous relisez l'article, il s'avère que les nuances indiquées par vous sont depuis longtemps résolues. Il suffit d'acheter un capteur pour s'assurer qu'il existe une fonction pour déterminer la "nuit" - un éclairage insuffisant. Elle, la «fonction», décide d'allumer ou non la lumière. Si vous avez acheté sans lui, puis réalisé, ce n'est pas non plus effrayant - mettez un interrupteur à clé (vous l'éteindrez pendant la journée).
Ce site propose un autre article - «Switch with a motion sensor: how to choose and install a light switch with a sensor». Vous y découvrirez les types de capteurs - ils sont déclenchés par le son, le rayonnement infrarouge, les ultrasons, les micro-ondes. L'infrarouge, par exemple, n'éteindra pas la lumière dans la «zone» d'une personne.
J'ai une question sur ces capteurs, le mouvement pour ceux qui ont déjà mis de telles maisons: y a-t-il des problèmes de configuration? C'était juste que nous avions un appareil similaire à l'entrée, souvent il y avait de fausses alarmes, ou vice versa, une réponse très lente lorsque vous aviez le temps de passer le passage et seulement alors la lumière s'est allumée. Alors ils ont conduit un électricien, il a tous essayé de régler correctement la sensibilité de l'appareil. Pour un appartement, ce serait une situation désagréable.
Bonjour, Alexander. Nous mettons des capteurs infrarouges avec un angle de couverture de 180 degrés - ils fonctionnent clairement. Nous avons pris en compte l'expérience de la maison voisine - là, en attendant l'ascenseur, vous devez parfois agiter la main pour allumer la lumière. Lisez l'article sur ce site - "Commutateur de mouvement". Le matériel contient des réponses à vos questions.
Mettez des hommes comme ça dans les toilettes. Entrez - la lumière s'allume. Il s'est assis sur le pot - s'éteint. C'est vrai, qu'est-ce qu'il y a à regarder)))
Bonjour, Egor.
Votre commentaire sur «Mesurer sept fois ...» - les concepteurs doivent toujours rédiger une «étude de faisabilité». Là, le client du projet est fourni avec le calcul du temps de récupération de l'appareil, l'installation, l'installation.
En ce qui concerne le capteur de toilettes, la situation se présentera comme suit:
- perte d'électricité à partir d'une lampe allumée inutile - ≤ 5% de la consommation électrique de l'appartement;
- le coût d'achat, d'installation du capteur. Pour que l'appareil ne dérange pas, vous devez en acheter un cher. Par exemple, le MTN564419 de haute qualité fabriqué par Schneider Electric coûtera 25 000 $. Achetez, chinois pour 300 roubles, vous en souffrirez.
Remplacez les indicateurs économiques de votre cas et il s'avère que même le capteur de prix moyen sera payant dans des siècles.
Pour que le capteur fonctionne correctement:
1. Il doit être placé au bon endroit.
2. Vous devez savoir de quel type d'objectif il s'agit.
3. Et, en fait, comprendre les principes de fonctionnement de ce capteur afin de l'utiliser correctement.
Soit dit en passant, les capteurs avec 2 éléments à l'intérieur du capteur ont récemment gagné en popularité - il réagit à un changement de température entre les éléments qui se produit séquentiellement lorsqu'une personne se déplace. Mais il a aussi son propre inconvénient - si vous restez immobile, alors il ne vous voit pas 🙂
Je viens de le connecter ... Ce n'est pas encore clair, il faudra vérifier dans l'après-midi.