Relais à semi-conducteurs bricolage: instructions de montage et conseils de connexion
Le relais à semi-conducteurs (TTR) est un appareil d'une série de composants électroniques à action non mécanique. Le manque de mécanique ouvre davantage de possibilités aux amateurs d'électronique de fabriquer un relais à semi-conducteurs de leurs propres mains pour un usage personnel.
Considérez cette possibilité plus en détail.
Le contenu de l'article:
Conception et principe de fonctionnement du TTR
Si la plupart de ces composants électroniques contiennent traditionnellement des parties mobiles de groupes de contacts, un relais à semi-conducteurs n'a pas de telles parties du tout. La commutation du circuit avec un circuit d'appareil s'effectue selon le principe d'une clé électronique. Et le rôle des clés électroniques est généralement joué par les semi-conducteurs intégrés dans le corps du relais - transistors de puissance, triacs, thyristors.
Avant d'essayer de fabriquer vous-même un relais à semi-conducteurs, il est logique de vous familiariser avec la conception de base de ces appareils, pour comprendre le principe de leur fonctionnement.

Dans le cadre d'une étude rigoureuse du dispositif, il faut immédiatement mettre en évidence les avantages du TTR:
- commutation à haute charge;
- vitesse de commutation élevée;
- isolation galvanique parfaite;
- capacité à maintenir brièvement des surcharges élevées.
Parmi les structures mécaniques, il n'est pas vraiment possible de trouver des relais avec des paramètres similaires. En général, les avantages par rapport aux homologues mécaniques des relais statiques sont exprimés par une liste impressionnante.

Les conditions de fonctionnement du TTR ne limitent pratiquement pas l'utilisation de ces appareils. De plus, l'absence de pièces mécaniques mobiles affecte favorablement la durée de vie des appareils.Il y a donc toutes les raisons de s'attaquer à un relais à semi-conducteurs - pour assembler l'appareil de vos propres mains.
Cependant, en toute équité, avec les aspects positifs, il convient de noter les propriétés du relais, caractérisées comme des défauts. Donc, pour le fonctionnement d'appareils puissants, en règle générale, un composant supplémentaire de la structure est nécessaire, qui est conçu pour éliminer la chaleur.

Les radiateurs de refroidissement à relais à semi-conducteurs ont des dimensions globales plusieurs fois supérieures aux dimensions du TTR, ce qui réduit la commodité et la rationalité de l'installation.
Les dispositifs TTR en fonctionnement (à l'état fermé) donnent un courant de fuite inverse et présentent une caractéristique courant-tension non linéaire. Tous les relais statiques ne peuvent pas être utilisés sans restrictions dans les caractéristiques des tensions commutées.

Certains types d'appareils sont conçus pour commuter uniquement le courant continu. L'introduction de relais statiques dans le circuit nécessite généralement des mesures supplémentaires visant à bloquer les fausses alarmes.
Les relais statiques peuvent souvent être trouvés en commun panneau électrique de l'appartement.
Comment fonctionne un relais statique?
Le signal de commande (généralement une tension de faible niveau, émanant, par exemple, du contrôleur de commande) est fourni à la LED de la paire optoélectronique présente dans le circuit TTR. La LED commence à émettre de la lumière vers la photodiode, qui à son tour s'ouvre et commence à passer le courant.

Le courant traversant la photodiode arrive à l'électrode de commande du transistor à clé ou du thyristor. La clé s'ouvre, ferme le circuit de charge.
C'est ainsi que fonctionne la fonction de commutation d'appareil. Tous les appareils électroniques sont traditionnellement enfermés dans un boîtier monolithique. En fait, par conséquent, l'appareil était appelé un relais à semi-conducteurs.
Et comment connecter un relais statique se trouve dans ce truc.
Commutateurs à semi-conducteurs
L'ensemble de la gamme d'appareils existante peut être conditionnellement divisée en groupes en fonction de la catégorie de la charge connectée, des caractéristiques de contrôle de tension et de commutation.
Ainsi, un total de trois groupes sera tiré au sort:
- Appareils fonctionnant dans des circuits CC.
- Appareils fonctionnant dans des circuits AC.
- Conceptions universelles.
Le premier groupe est représenté par des appareils avec des paramètres de tensions de commande de travail de 3 à 32 volts. Il s'agit d'une électronique de relativement petite taille, dotée d'indicateurs LED, capable de fonctionner sans interruption à des températures de -35 / +75 ºС.

Le deuxième groupe - appareils conçus pour être installés dans des réseaux CA. Voici les conceptions de TTR pour une installation dans des réseaux à courant alternatif, contrôlées par une tension de 24 à 250 volts. Il existe des appareils capables de commuter des charges de forte puissance.
Le troisième groupe est celui des appareils universels. Le circuit de ce type d'appareil prend en charge le réglage manuel pour une utilisation dans certaines conditions.
Si vous partez de la nature de la charge connectée, vous devez distinguer deux types de relais ca à semi-conducteurs: monophasés et triphasés. Les deux types sont conçus pour commuter une charge suffisamment puissante à des courants de 10 à 75 A.Dans ce cas, les valeurs de courant de pointe à court terme peuvent atteindre 500 A.

Les circuits d'induction capacitifs et résistifs peuvent agir comme une charge commutée par des relais statiques. La conception des interrupteurs vous permet de contrôler en douceur, par exemple, les éléments chauffants, les lampes à incandescence, les moteurs électriques sans bruit inutile.
La fiabilité est suffisamment élevée. Mais à bien des égards, la stabilité et la durabilité des relais à semi-conducteurs dépendent de la qualité de la production. Ainsi, les appareils fabriqués sous une certaine marque Impuls sont souvent marqués avec une courte durée de vie.
En revanche, les produits Schneider Electric ne laissent aucune place à la critique.
Comment faire un TTR de vos propres mains?
Compte tenu de la caractéristique de conception de l'appareil (monolithe), le circuit n'est pas assemblé sur une carte textolite, comme c'est la coutume, mais sur une installation murale.

Il existe de nombreuses solutions de circuits dans ce sens. L'option spécifique dépend de la puissance de commutation requise et d'autres paramètres.
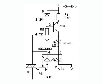
Composants électroniques pour l'assemblage de circuits
La liste des éléments d'un circuit simple pour le développement pratique et la construction d'un relais à semi-conducteurs de vos propres mains est la suivante:
- Optocoupleur type MOS3083.
- Triac type VT139-800.
- Transistor série KT209.
- Résistances, diode Zener, LED.
Tous ces composants électroniques sont soudés par montage en surface selon le schéma suivant:

En raison de l'utilisation de l'optocoupleur MOS3083 dans le circuit de génération de signal de commande, la tension d'entrée peut varier de 5 à 24 volts.
Et grâce à la chaîne, composée d'une diode zener et d'une résistance de limitation, le courant traversant la LED de contrôle est réduit au minimum possible. Cette solution offre une longue durée de vie de la LED de contrôle.
Vérification du fonctionnement du circuit assemblé
Le circuit assemblé doit être vérifié pour son fonctionnement. Il n'est pas nécessaire de connecter une tension de charge de 220 volts au circuit de commutation via un triac. Il suffit de connecter un appareil de mesure - un testeur parallèle à la ligne de commutation du triac.

Le mode de mesure du testeur doit être réglé sur "mOhm" et appliquer une alimentation (5-24 V) au circuit de génération de tension de commande. Si tout fonctionne correctement, le testeur doit montrer la différence de résistance de "mOhm" à "kOhm".
Logement monolithique
Une plaque d'aluminium de 3 à 5 mm d'épaisseur sera nécessaire sous la base du futur boîtier de relais à semi-conducteurs. Les dimensions de la plaque ne sont pas critiques, mais doivent respecter les conditions d'une évacuation efficace de la chaleur du triac lorsque cet élément électronique est chauffé.

La surface de la plaque d'aluminium doit être plate. De plus, il est nécessaire de traiter les deux côtés - de peler avec un papier de verre fin, polir.
À l'étape suivante, la plaque préparée est équipée d'un «coffrage» - une bordure en carton ou en plastique est collée autour du périmètre. Ce devrait être une sorte de boîte, qui sera ensuite remplie d'époxy.
Un circuit électronique d'un relais à semi-conducteurs assemblé par un "auvent" est placé à l'intérieur du boîtier créé. Seul un triac est posé sur la surface de la plaque d'aluminium.

Aucune autre pièce de circuit ou conducteur ne doit toucher le substrat en aluminium. Le triac est appliqué à l'aluminium par cette partie du corps, qui est conçue pour être installée sur un radiateur.
Vous devez utiliser une pâte thermoconductrice sur la zone de contact du corps du triac et du substrat en aluminium. Certaines marques de triacs à anode non isolée doivent être placées à travers un tampon de mica.

Le triac doit être pressé fermement sur la base avec une sorte de poids et rempli de colle époxy autour du périmètre ou fixé d'une manière ou d'une autre sans perturber la surface de l'arrière du substrat (par exemple, des rivets).
Préparation du composé et remplissage du corps
Pour la fabrication d'un corps solide d'un appareil électronique, un mélange composé sera nécessaire. La composition du mélange composé est basée sur deux composants:
- Résine époxy sans durcisseur.
- Poudre d'albâtre.
Grâce à l'ajout d'albâtre, le maître résout deux problèmes à la fois - il reçoit un volume exhaustif du composé de remplissage à une consommation nominale de résine époxy et crée un remplissage de consistance optimale.
Le mélange doit être bien mélangé, après quoi vous pouvez ajouter le durcisseur et bien mélanger à nouveau. Ensuite, montez soigneusement l'installation «murale» à l'intérieur de la boîte en carton avec le composé créé.

Le remplissage se fait au niveau supérieur, ne laissant qu'une partie de la tête de la LED de contrôle sur la surface. Initialement, la surface du composé peut ne pas sembler complètement lisse, mais après un certain temps, l'image changera. Il ne reste plus qu'à attendre que le casting se solidifie complètement.
En fait, vous pouvez utiliser toutes les solutions de coulée appropriées. Le critère principal est que la composition de coulée ne doit pas être électriquement conductrice, plus un bon degré de rigidité de coulée doit être formé après solidification. Le boîtier moulé du relais à semi-conducteurs est une sorte de protection du circuit électronique contre les dommages physiques accidentels.
Conclusions et vidéo utile sur le sujet
Cette vidéo montre comment et sur la base de quels composants électroniques un relais à semi-conducteurs peut être fabriqué. L'auteur parle avec lucidité de tous les détails de la pratique de fabrication qu'il a personnellement rencontrée lors de la fabrication de l'interrupteur électronique:
Vidéo sur le problème que vous pouvez rencontrer après avoir acquis un TTR monophasé auprès de vendeurs chinois. En cours de route, effectue une sorte de révision du dispositif de commutation de l'appareil:
L'auto-fabrication de relais statiques est une solution possible, mais en ce qui concerne les produits sous charge basse tension, consommant une puissance relativement faible.
Il est difficile de fabriquer des appareils plus puissants et à haute tension de vos propres mains. Et cet engagement financier coûtera le même montant que la copie d'usine est estimée. Donc, si nécessaire, il est plus facile d'acheter un appareil industriel prêt à l'emploi.
Si vous avez des questions sur l'assemblage d'un relais à semi-conducteurs, veuillez les poser dans la zone de commentaires, et nous essaierons de vous donner une réponse extrêmement claire. Vous pouvez y partager l'expérience des relais d'auto-fabrication ou fournir des informations précieuses sur le sujet de l'article.
